电脑桌面
添加小米粒文库到电脑桌面
安装后可以在桌面快捷访问

危险化学品生产企业安全生产许可证(变更)申请材料目录VIP免费

危险化学品生产企业安全生产许可证(变更)申请材料目录_第1页
1/25
危险化学品生产企业安全生产许可证(变更)申请材料目录_第2页
2/25
危险化学品生产企业安全生产许可证(变更)申请材料目录_第3页
3/25
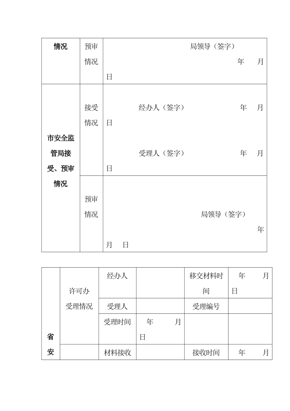
危险化学品生产企业安全生产许可证(变更)申请材料目录1、安全生产许可事项办理流程单2、变更申请书3、审查书4、安全生产许可证原件5、《企业法人营业执照》或《企业名称预先核准通知书》复印件6、变更后企业法定代表人或负责人身份证复印件7、主要负责人、安全生产管理人员安全生产知识和管理能力考核的证明材料8、特种作业人员操作资格证明材料9、缴纳并存储安全生产风险抵押金的证明材料附件1:陕西省安全生产监督管理局安全生产行政许可事项办理流程单申请企业基本情况法人法定代表人(负责人)企业类别□中、省属企业□市属企业□县属企业企业地址申请项目□非煤矿矿山□危险化学品(生产/经营)□烟花爆竹(生产/经营)□安全生产培训机构□安全评价机构□矿山救护队□职业健康□新办证□延期换证□延续□变更□其它县(市、区)安全监管局接受、预审接受情况经办人(签字)年月日受理人(签字)年月日情况预审情况局领导(签字)年月日市安全监管局接受、预审情况接受情况经办人(签字)年月日受理人(签字)年月日预审情况局领导(签字)年月日省安许可办受理情况经办人移交材料时间年月日受理人受理编号受理时间年月日材料接收接收时间年月全监管局许可办理情况业务处审查、审核情况人日审查意见审查人(签字)年月日审核意见处长(签字)年月日局长办公会审定情况局领导(签字)年月日许可复核情况反馈材料接收人接收时间年月日复核意见主任(签字)年月日领导意局领导(签字)见年月日说明1、此流程单随企业申报材料同步运行并逐级上报,省局归档保存。2、如实准确填写相关内容和受理、预审、审查、审核时间。3、此流程单由安监部门向企业提供。附件2:申请编号:受理编号:申请日期:受理日期:危险化学品生产企业安全生产许可证变更申请书申请单位生产单位经办人联系电话填写日期陕西省安全生产监督管理局制填写说明一、本申请书封面“申请编号”、“申请日期”、“受理编号”、“受理日期”由安全生产许可证颁发管理机关受理人填写,本申请书的其他内容由申请安全生产许可证的单位填写。二、本申请书用钢笔、签字笔填写或者用打印机打印文本,字迹要清晰、工整。三、本申请书中“企业”,是指生产单位(或者申请单位)隶属的依法设立且取得企业法人营业执照的危险化学品生产企业;“申请单位”是指按照《危险化学品生产企业安全生产许可证实施办法》第十七条规定,申请领取安全生产许可证的企业、企业所属子公司、中央管理的企业所属分公司;“生产单位”是指企业所属分公司、子公司下属的生产单位。四、本申请书表格的填写方法:⒈危险化学品生产企业申请变更安全生产许可证的,只填写“申请单位”、“变更事项”和“申请单位意见”栏;⒉危险化学品生产企业所属分公司、子公司申请变更安全生产许可证的,除分别填写“申请单位”、“变更事项”和“申请单位意见”栏外,还要分别填写“企业”和“企业意见”栏;⒊危险化学品生产企业所属分公司、子公司下属生产单位申请变更安全生产许可证的,则填写全部栏目。五、本申请书表格中“成立日期”栏,填写批准成立的日期。六、本申请书表格中企业的“名称”栏,填写工商登记名称;单位的“名称”栏,填写全称;企业的“地址”栏,填写工商登记地址;单位的“地址”栏填写所在地详细地址。七、本申请书表格中企业的“经济类型”栏,按照国家统计局和原国家工商行政管理局《关于划分企业登记注册类型的规定》(国统字〔1998〕200号)的规定,填写企业登记注册类型代码即可。八、本申请书“变更事项”中“变更内容”栏,填写变更前后“主要负责人”的姓名或者隶属单位(或者企业)的名称或者工商登记注册的单位名称。九、本申请书表格中“申请变更范围”栏的“产品名称”,应填写该产品或者其主要成份符合《化学命名原则》(1980)的中文化学名;“生产能力”,应填写该产品的年设计生产量,计量单位为吨;“工艺系统”,应填写该产品的生产工艺、主要设备等。十、本申请书表格中“备注”栏的“生产原料”,应填写生产该产品所需要的主要原料名称;“验收文号”,应填写该产品的生产系统投产前验收部门出具验收合格文件的编号...

1、当您付费下载文档后,您只拥有了使用权限,并不意味着购买了版权,文档只能用于自身使用,不得用于其他商业用途(如 [转卖]进行直接盈利或[编辑后售卖]进行间接盈利)。
2、本站所有内容均由合作方或网友上传,本站不对文档的完整性、权威性及其观点立场正确性做任何保证或承诺!文档内容仅供研究参考,付费前请自行鉴别。
3、如文档内容存在违规,或者侵犯商业秘密、侵犯著作权等,请点击“违规举报”。

碎片内容

危险化学品生产企业安全生产许可证(变更)申请材料目录

确认删除?
VIP
微信客服
  • 扫码咨询
会员Q群
  • 会员专属群点击这里加入QQ群
客服邮箱
回到顶部