电脑桌面
添加小米粒文库到电脑桌面
安装后可以在桌面快捷访问

(完整版)机械制图螺纹教案VIP免费

(完整版)机械制图螺纹教案_第1页
1/6
(完整版)机械制图螺纹教案_第2页
2/6
(完整版)机械制图螺纹教案_第3页
3/6
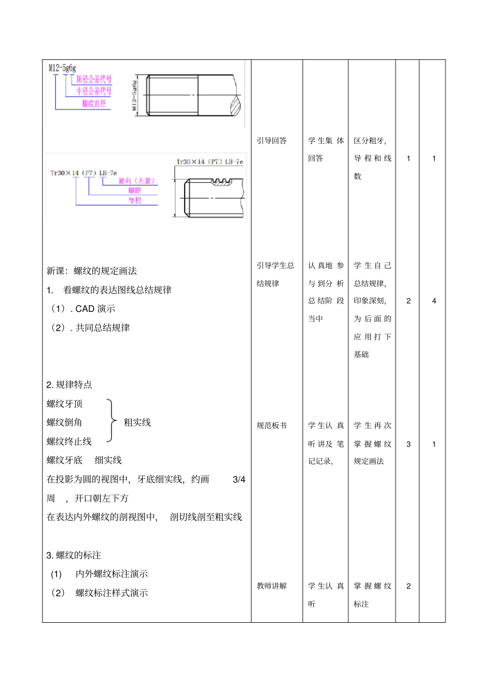
重庆市蜀都职业技术学校机械制图教学设计方案教师张伟备课时间2016.5.5上课时间2016.5.科目机械制图年级15秋航汽(汽车)课型新课教学课时1总课时课题螺纹的规定画法教材分析螺纹的表达方式在对口高职中是一个必考的考点,约占12分,通常的题型为选择题及改错题。较难的题型也会出现螺旋副移动的计算,本教材侧重于考察学生对线型的应用和螺纹的标识学情分析【知识基础】学生之前已经对螺纹的基本要素及螺纹分类;螺纹的标识有了初步的认识,部分学生对后面的新知识应该有一些朦胧的感知。【学生特点】多数学生能积极主动参与《机械制图》的学习。但由于该学科有空间方位的想象,小知识点较多,部分学生嫌麻烦,缺乏主动性。教学目标【知识目标】(1)进一步掌握螺纹基本要素及螺纹标识.(2)掌握螺纹的规定画法【技能目标】(1)培养学生按照规定画法的要求,建立良好的判断及分析能力。(2)能绘制螺纹的表达视图【情感目标】通过讲解及共同探究,建立学生自主学习的良好氛围。重点难点重点:表达螺纹的线型应用难点:螺纹副的表达方式教学方法讲授法,演示法,探究式教学法教学准备多媒体课件,教案教学过程设计教学内容教师活动学生活动设计意图时间分配师生知识回顾:螺纹的“五”要素1.牙型:2.直径:3.旋向:4.引导学生说出第4和5要素5.螺纹副能配合的条件:5要素必须相同螺纹的标识1.螺纹标识的常用代码M:三角螺纹Tr梯形螺纹B锯齿形LH旋S:短旋合长度N:中等旋合长度L:长旋合长度公差代号:大写表示内螺纹小写标识外螺纹螺纹标识的含义:教师复述引导提问介绍螺纹缩写词学生齐答学生齐答认真听讲提升学生对螺纹前3要素的记忆。掌握形成螺纹副的条件巩固上节课知识;试探学生上一节课掌握的程度111新课:螺纹的规定画法1.看螺纹的表达图线总结规律(1).CAD演示(2).共同总结规律2.规律特点螺纹牙顶螺纹倒角粗实线螺纹终止线螺纹牙底细实线在投影为圆的视图中,牙底细实线,约画3/4周,开口朝左下方在表达内外螺纹的剖视图中,剖切线剖至粗实线3.螺纹的标注(1)内外螺纹标注演示(2)螺纹标注样式演示引导回答引导学生总结规律规范板书教师讲解学生集体回答认真地参与到分析总结阶段当中学生认真听讲及笔记记录,学生认真听区分粗牙,导程和线数学生自己总结规律,印象深刻,为后面的应用打下基础学生再次掌握螺纹规定画法掌握螺纹标注12321414.课堂练习(1).下列螺纹表达错误的地方在哪里?(2).下图所示螺纹的各种画法中,正确的图形是(A)。ABCD(3).找出下列各图的错误,在空白出画出正确图形(4).探究螺纹副的规定画法引导学生思考引导学生思考引导学生思考讲解螺纹副规定画法学生思考回答问题学生思考回答问题学生思考回答问题学生认真听讲引出考点引出考点培养动手能力让学生熟记螺纹副表达方式11111234本节课难点练习:螺纹副改错引导学生思考学生完成作业从作业情况分析学生掌握情况,从而制定下节课复习重点15课时小结:螺纹牙顶螺纹倒角粗实线螺纹终止线螺纹牙底细实线螺纹所有的尺寸都标注在大径上在表示螺纹的剖视图中,剖切线画至粗实线螺纹副配合段按外螺纹画图,未配合段按各自要求画出重述知识点反思,发言让学生掌握这节课讲解的主要内容及考点内容2七、课外巩固习题册:P67-681-6说明记录加强知识点的应用1板书设计螺纹牙顶螺纹倒角粗实线螺纹终止线螺纹牙底细实线螺纹所有的尺寸都标注在大径上在表示螺纹的剖视图中,剖切线画至粗实线螺纹副配合段按外螺纹画图,未配合段按各自要求画出教学后记:

1、当您付费下载文档后,您只拥有了使用权限,并不意味着购买了版权,文档只能用于自身使用,不得用于其他商业用途(如 [转卖]进行直接盈利或[编辑后售卖]进行间接盈利)。
2、本站所有内容均由合作方或网友上传,本站不对文档的完整性、权威性及其观点立场正确性做任何保证或承诺!文档内容仅供研究参考,付费前请自行鉴别。
3、如文档内容存在违规,或者侵犯商业秘密、侵犯著作权等,请点击“违规举报”。

碎片内容

(完整版)机械制图螺纹教案

您可能关注的文档

确认删除?
VIP
微信客服
  • 扫码咨询
会员Q群
  • 会员专属群点击这里加入QQ群
客服邮箱
回到顶部