电脑桌面
添加小米粒文库到电脑桌面
安装后可以在桌面快捷访问

超高层导轨式同步升降脚手架施工工艺_secretVIP免费

超高层导轨式同步升降脚手架施工工艺_secret_第1页
1/6
超高层导轨式同步升降脚手架施工工艺_secret_第2页
2/6
超高层导轨式同步升降脚手架施工工艺_secret_第3页
3/6
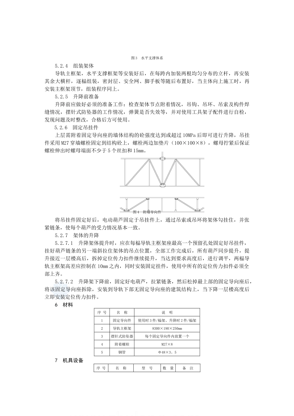
超高层导轨式同步升降脚手架施工工艺1前言在城市高层、超高层建筑迅猛发展的今天,附着式升降脚手架得到了越来越广泛的应用,但目前建筑市场上普遍采用的附着升降脚手架在结构和性能上存在着“升降过程复杂使用和升降时不稳定,缺乏定型配套、缺乏可靠的防倾、防坠保护装置”等问题,为了解决上述问题,我们深入研究了同步式升降脚手架的施工技术,总结出了较为成熟的施工工艺。本工艺以同步升降脚手架的施工技术为对象,打破了传统的附着式脚手架的形式,把这一施工技术的适用性,施工方法以及劳动组织管理等科学有机结合起来而形成的高层建筑同步式升降脚手架的新技术,经施工实施证明,它使用效果好,具有实用推广价值和较好的应用前景。2特点2.1本工艺对导轨同步式升降脚手架的操作性进行了深入的研究,总结出一套有效的操作工艺,使操作十分简便、迅速,误操作可能性小,便于施工管理。2.2本工艺对导轨同步式升降脚手架的安全性进行系统的论证,提出“三点附着,多重防坠”的理论,大大提高了施工安全性。2.3本工艺在施工中周转材料的占用量小,劳动力投入少,施工进度快,工程成本低。3适用范围本工艺适用于立面垂直或倾斜角度不大的任意高层建筑的施工。4工作原理4.1导轨同步式升降脚手架是由架体、固定导向件、导轨、承力架、提升设备及各种安全设施组成(详见图1)图1导轨同步式升降脚手架示意图4.2导轨同步式升降脚手架荷载传递顺序为:架体→水平支撑框架→导轨主框架→固定导向件→建筑结构4.3“三点附着、多重防坠”:每一主框架在使用工况中有三个导向座与结构附着,升降情况中有二个导向座与结构附着,但提升设备独立设置,可视为一点附着。因此,任何情况下,每一道主框架同时与建筑结构有独立的三点附着,其中任何一点失效,该架也不会坠落。每个导向座中均设有摆针式防坠器,因此,在二种情况下,每一主框架处都至少设置有相互独立的二个以上的摆针式防坠器。该防坠器可随时检查防坠功能是否正常。因此,对架体无论在使用情况下还是升降工况中都具有自动保护作用。4.4原理主框架和导轨固定连接在一起,构成一个整体,在固定于建筑结构上的导向件的约束向下进行升降,从而满足上部结构施工需要。5工艺流程及操作要点5.1工艺流程5.1.1升降架的组装材料进场验收→墙体预埋螺栓孔→搭设落地式双排架→因定导向件的安装→吊装导轨主框架→安装水平支撑框架→组装两榀导轨主框架之间的架体5.1.2升降架的升降准备工作→固定吊挂件→电动葫芦固定于吊挂件上→用吊索拉住架体→架体升降→安装定位传力构件固定5.2施工要点5.2.1本升降架附着螺栓采用M27螺杆,塑料管选用Φ32(内径),埋设垂直于结构外表面,同一部位预留两套螺栓孔即吊挂件附墙螺栓孔和导向件附墙螺栓孔,两者之间应相距30-40mm。5.2.2导轨主框架的吊装吊装前,要详细核实结构砼的强度等级,待砼强度不低于10MPa后方进行。图2导轨主框架首先在导轨位置,利用大号铅锤弹垂直线,检查预留孔洞的位移情况,位移超过5cm的不能使用的、必须在正确位置工人钻孔,然后安装附墙固定导向件,附墙采用M27螺杆,两边加垫片(100×100×8),利用所弹垂直线调整固定导向座位置,保证导轨插入后垂直偏差不超过5mm,螺母拧紧到无法使固定导向座转动时为止,螺栓长度要保证拧紧后伸出螺母不少于5个丝扣和15mm。导向座安装好后,吊装导轨主框架,起吊时合理选择吊点试吊,保证导轨垂直上升、下降,导轨主框架就位后;检测垂直度,检测垂直度调整到位,固定滚轮座,扣紧定位扣件,再做好上部的临时拉撑。5.2.3水平支撑框架的安装相邻两榀主框架安装好后,立即安装底部水平支撑框架,再次检查导轨主框架垂直度,调整到符合要求后,再安装其上部的大横杆,固定主框架的位置,最后安装斜拉杆。图3水平支撑体系5.2.4组装架体导轨主框架,水平支撑框架等安装好后,在每跨内加装两根均匀分布的立杆,再安装其余大横杆,逐榀组装,密封层、安全网、脚手板等随后布置好,当主体向上施工时,再安装主框架顶节,组装程序同上。5.2.5升降前准备升降前应做好必须的准备工作:检查架体节点附着情况,吊钩、吊环、吊索及构件焊缝情况,摆...

1、当您付费下载文档后,您只拥有了使用权限,并不意味着购买了版权,文档只能用于自身使用,不得用于其他商业用途(如 [转卖]进行直接盈利或[编辑后售卖]进行间接盈利)。
2、本站所有内容均由合作方或网友上传,本站不对文档的完整性、权威性及其观点立场正确性做任何保证或承诺!文档内容仅供研究参考,付费前请自行鉴别。
3、如文档内容存在违规,或者侵犯商业秘密、侵犯著作权等,请点击“违规举报”。

碎片内容

超高层导轨式同步升降脚手架施工工艺_secret

确认删除?
VIP
微信客服
  • 扫码咨询
会员Q群
  • 会员专属群点击这里加入QQ群
客服邮箱
回到顶部