电脑桌面
添加小米粒文库到电脑桌面
安装后可以在桌面快捷访问

施工组织设计文字篇VIP免费

施工组织设计文字篇_第1页
1/131
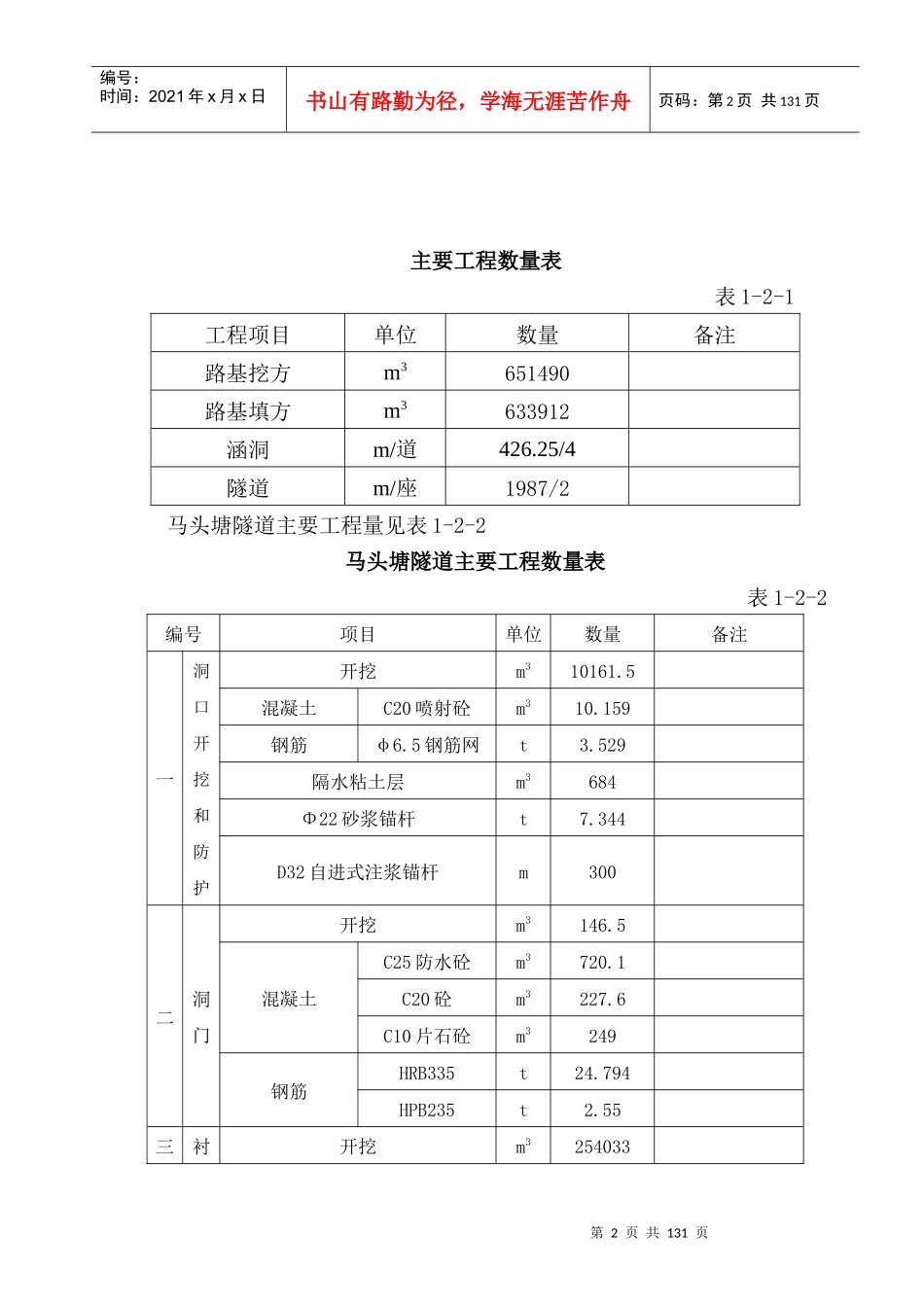
施工组织设计文字篇_第2页
2/131
施工组织设计文字篇_第3页
3/131
第1页共131页编号:时间:2021年x月x日书山有路勤为径,学海无涯苦作舟页码:第1页共131页第一章概述第一节编制依据(1)广贺高速公路三水至怀集段工程施工招标文件(含设计图纸)及补遗书。(2)中华人民共和国交通部发布的《公路桥涵施工技术规范》(JTJ041-2000)。(3)中华人民共和国交通部发布的《公路路基施工技术规范》(JTGF10-2006)。(4)中华人民共和国交通部发布的《公路隧道施工技术规范》(JTJ042-94).(5)中华人民共和国交通部发布的《公路工程质量检验评定标准》(JTGF80/1-2004)。(6)工地现场施工调查报告。(7)我公司的施工能力和类似工程施工经验。第二节工程概况一、工程概述工程名称:二广高速公路怀集至三水段第11合同段建设地点:四会市石狗镇建设单位:肇庆市广贺高速公路有限公司设计单位:中国公路工程咨询总公司里程范围:ZK42+755.69(YK42+750)~ZK44+838.03(YK44+820)本标段工程位于广东省四会市石狗镇,线路全长2.07其中马头塘隧道为上下行分离式三车道高速公路隧道,左线起讫桩号为ZK42+905~ZK43+940,右线起讫桩号为YK42+915~YK43+867。本工程项目内容有:马头塘隧道左、右线、YK42+750~YK42+915及YK43+867~YK44+820段路基土石方、排水及防护工程、涵洞及通道4座。二、主要工程数量主要工程数量见表1-2-1第2页共131页第1页共131页编号:时间:2021年x月x日书山有路勤为径,学海无涯苦作舟页码:第2页共131页主要工程数量表表1-2-1工程项目单位数量备注路基挖方m3651490路基填方m3633912涵洞m/道426.25/4隧道m/座1987/2马头塘隧道主要工程量见表1-2-2马头塘隧道主要工程数量表表1-2-2编号项目单位数量备注一洞口开挖和防护开挖m310161.5混凝土C20喷射砼m310.159钢筋φ6.5钢筋网t3.529隔水粘土层m3684Φ22砂浆锚杆t7.344D32自进式注浆锚杆m300二洞门开挖m3146.5混凝土C25防水砼m3720.1C20砼m3227.6C10片石砼m3249钢筋HRB335t24.794HPB235t2.55三衬开挖m3254033第3页共131页第2页共131页编号:时间:2021年x月x日书山有路勤为径,学海无涯苦作舟页码:第3页共131页砌混凝土C25防水砼m334489C10片石砼m312926C20喷射砼m313316钢筋HRB335t1712.462HPB235t127.929φ8钢筋网t83.025φ6.5钢筋网t109.685Φ22药卷锚杆t176.084D25中空注浆锚杆m11739922a工字钢t408.35320b工字钢t351.347A3钢板t192.167四辅助施工混凝土C25砼m3183.632.5#水泥浆m32045Φ42*3.5mm钢花管t175.592Φ106*6mm钢花管t82.995Φ127*4mm孔口管t6.99920b工字钢t7.197五导坑临时支护钢筋HRB335t19.142φ6.5钢筋网t19.174A3钢板t7.5816工钢t202.871Φ22药卷锚杆t61.844混凝土C20喷射砼m3881.9六防排水350g/m2无纺土工布m2546961.2mmPVC防水板m254304中埋式橡胶止水带m1135.2第4页共131页第3页共131页编号:时间:2021年x月x日书山有路勤为径,学海无涯苦作舟页码:第4页共131页工程粘土隔水层m345.8钢板腻子止水带m4469.4φ8cmHDPE打孔波纹管m8440φ10cmHDPE打孔波纹管m4065.1φ5cmPVC管m66.9φ10cmPVC管m597φ10cm半圆软式透水管m5424Ω型弹簧排水管m5254.8七管沟盖板混凝土C25砼m31773.2钢筋HRB335t70.216HPB235t74.83Φ76*4mm预埋钢管m36八装修24*6cm瓷砖m212220.112mm厚型防火涂料m234335.4九路面沥青砼面层(4+6cm厚)m2318624cm厚水泥砼板m2318628cm厚水泥砼面板m21966515cm厚水泥砼基层m219665钢筋Φ32t11.132Φ25t0.302Φ16t7.108Φ14t0.552Φ12t0.818Φ6.5t0.015十预留洞开挖m379.4混凝土C25模筑砼m359防水层m2240.2第5页共131页第4页共131页编号:时间:2021年x月x日书山有路勤为径,学海无涯苦作舟页码:第5页共131页室钢筋HRB335t0.176HPB235t2.254Φ85.3*4.65mm金属管m26LV-5金属套管m24.2Φ89*3mm供电预埋管m185.2Φ114*4mm供电预埋管m28.8三、地形、地貌本工程区内属于构造剥蚀重丘地貌,山丘叠起,较为连续,路线跨越沟谷或横切山丘,自然坡度较陡,相对高度一般超过100m,山上植被较为发育,多以灌木为主,谷地为农田、果树。四、地质、地震根据区域地质资料,路处于华南褶皱系粤中坳陷和粤西隆起的交接部位,区内构造变形强烈,基底构造、盖层构造及大陆边缘...

1、当您付费下载文档后,您只拥有了使用权限,并不意味着购买了版权,文档只能用于自身使用,不得用于其他商业用途(如 [转卖]进行直接盈利或[编辑后售卖]进行间接盈利)。
2、本站所有内容均由合作方或网友上传,本站不对文档的完整性、权威性及其观点立场正确性做任何保证或承诺!文档内容仅供研究参考,付费前请自行鉴别。
3、如文档内容存在违规,或者侵犯商业秘密、侵犯著作权等,请点击“违规举报”。

碎片内容

施工组织设计文字篇

您可能关注的文档

确认删除?
VIP
微信客服
  • 扫码咨询
会员Q群
  • 会员专属群点击这里加入QQ群
客服邮箱
回到顶部