电脑桌面
添加小米粒文库到电脑桌面
安装后可以在桌面快捷访问

施工内业表格(下)VIP免费

施工内业表格(下)_第1页
1/118
施工内业表格(下)_第2页
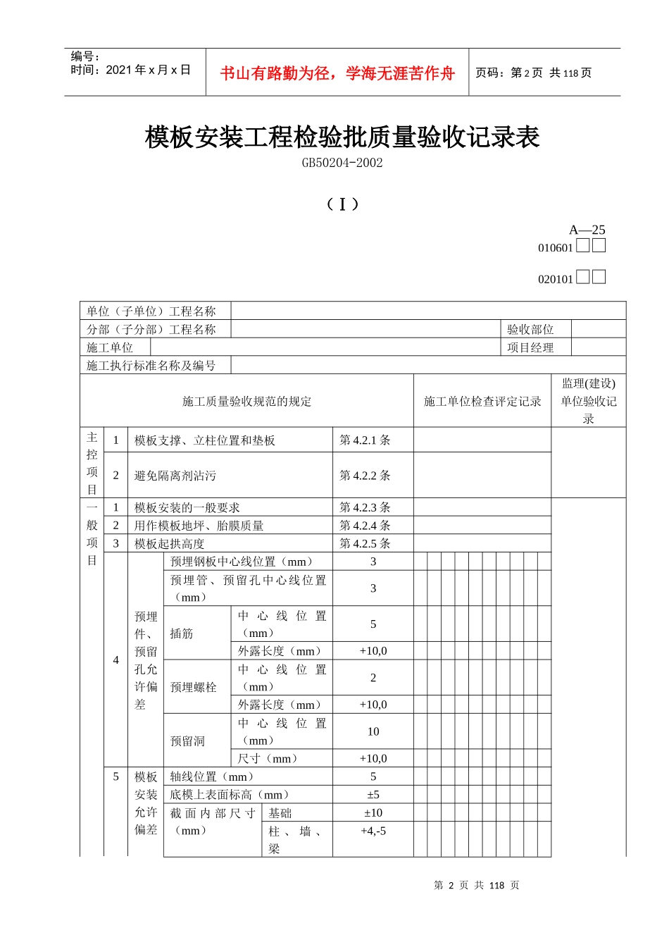
2/118
施工内业表格(下)_第3页
3/118
第1页共118页编号:时间:2021年x月x日书山有路勤为径,学海无涯苦作舟页码:第1页共118页衬砌裂缝注浆检验批质量验收记录表GB50208-2002010515单位(子单位)工程名称分部(子分部)工程名称验收部位施工单位项目经理分包单位分包项目经理施工执行标准名称及编号施工质量验收规范的规定施工单位检查评定记录监理(建设)单位验收记录主控项目1材料及配合比设计要求2注浆效果设计要求一般项目1钻孔埋管孔径和孔距第7.2.8条2注浆压力和进浆量第7.2.9条施工单位检查评定结果专业工长(施工员)施工班组长项目专业质量检查员:年月日监理(建设)单位验收结论专业监理工程师:(建设单位项目专业技术负责人):年月日第2页共118页第1页共118页编号:时间:2021年x月x日书山有路勤为径,学海无涯苦作舟页码:第2页共118页模板安装工程检验批质量验收记录表GB50204-2002(Ⅰ)A—25010601020101单位(子单位)工程名称分部(子分部)工程名称验收部位施工单位项目经理施工执行标准名称及编号施工质量验收规范的规定施工单位检查评定记录监理(建设)单位验收记录主控项目1模板支撑、立柱位置和垫板第4.2.1条2避免隔离剂沾污第4.2.2条一般项目1模板安装的一般要求第4.2.3条2用作模板地坪、胎膜质量第4.2.4条3模板起拱高度第4.2.5条4预埋件、预留孔允许偏差预埋钢板中心线位置(mm)3预埋管、预留孔中心线位置(mm)3插筋中心线位置(mm)5外露长度(mm)+10,0预埋螺栓中心线位置(mm)2外露长度(mm)+10,0预留洞中心线位置(mm)10尺寸(mm)+10,05模板安装允许偏差轴线位置(mm)5底模上表面标高(mm)±5截面内部尺寸(mm)基础±10柱、墙、梁+4,-5第3页共118页第2页共118页编号:时间:2021年x月x日书山有路勤为径,学海无涯苦作舟页码:第3页共118页层高垂直度(mm)不大于5m6大于5m8相邻两板表面高低差(mm)2表面平整度(mm)5施工单位检查评定结果专业工长(施工员)施工班组长项目专业质量检查员:年月日监理(建设)单位验收结论专业监理工程师:(建设单位项目专业技术负责人):年月日预制构件模板工程检验批质量验收记录表GB50204-2002(Ⅱ)A—26020101单位(子单位)工程名称分部(子分部)工程名称验收部位施工单位项目经理施工执行标准名称及编号施工质量验收规范的规定施工单位检查评定记录监理(建设)单位验收记录主控项目1避免隔离剂沾污第4.2.2条一般项目1模板安装的一般要求第4.2.3条2用作模板地坪、胎膜质量第4.2.4条3模板起拱高度第4.2.5条4预埋件、预留孔允许偏差预埋钢板中心线位置(mm)3预埋管、预留孔中心线位置(mm)3插筋中心线位置(mm)5外露长度(mm)+10,0预埋螺栓中心线位置(mm)2外露长度(mm)+10,0预留洞中心线位置(mm)10尺寸(mm)+10,05预制长度(mm)板、梁±5第4页共118页第3页共118页编号:时间:2021年x月x日书山有路勤为径,学海无涯苦作舟页码:第4页共118页构件模板允许偏差薄腹梁、桁梁±10柱0,-10墙板0,-5宽度(mm)板、墙板0,-5梁、薄腹梁、桁架、柱+2,-5高(厚)度(mm)板+2,-3墙板0,-5梁、薄腹梁、桁架、柱+2,-5侧向弯曲(mm)梁、板、柱L/1000且≤15墙板、薄腹梁、桁架L/1500且≤15板的表面平整度(mm)3相邻两板表面高低差(mm)1对角线差(mm)板7墙板5翘曲板、墙板L/1500设计起拱(mm)薄腹梁、桁架、梁±3施工单位检查评定结果专业工长(施工员)施工班组长项目专业质量检查员:年月日监理(建设)单位验收结论专业监理工程师:(建设单位项目专业技术负责人):年月日模板拆除工程检验批质量验收记录表GB50204-2002(Ⅲ)A—24第5页共118页第4页共118页编号:时间:2021年x月x日书山有路勤为径,学海无涯苦作舟页码:第5页共118页010601020101单位(子单位)工程名称分部(子分部)工程名称验收部位施工单位项目经理施工执行标准名称及编号施工质量验收规范的规定施工单位检查评定记录监理(建设)单位验收记录主控项目1底模及其支架拆除时的混凝土强度第4.3.1条2后张法预应力构件侧模和底模的拆除时间第4.3.2条3后浇带拆模和支顶第4.3.3条一般项目1避免拆模损伤第4.3.4条2模板拆除、堆放和清运第4.3.5条施工单位检查评定结果专业工长(施工员)施工班组...

1、当您付费下载文档后,您只拥有了使用权限,并不意味着购买了版权,文档只能用于自身使用,不得用于其他商业用途(如 [转卖]进行直接盈利或[编辑后售卖]进行间接盈利)。
2、本站所有内容均由合作方或网友上传,本站不对文档的完整性、权威性及其观点立场正确性做任何保证或承诺!文档内容仅供研究参考,付费前请自行鉴别。
3、如文档内容存在违规,或者侵犯商业秘密、侵犯著作权等,请点击“违规举报”。

碎片内容

施工内业表格(下)

您可能关注的文档

确认删除?
VIP
微信客服
  • 扫码咨询
会员Q群
  • 会员专属群点击这里加入QQ群
客服邮箱
回到顶部