电脑桌面
添加小米粒文库到电脑桌面
安装后可以在桌面快捷访问

第四册施工现场施检表VIP免费

第四册施工现场施检表_第1页
1/88
第四册施工现场施检表_第2页
2/88
第四册施工现场施检表_第3页
3/88
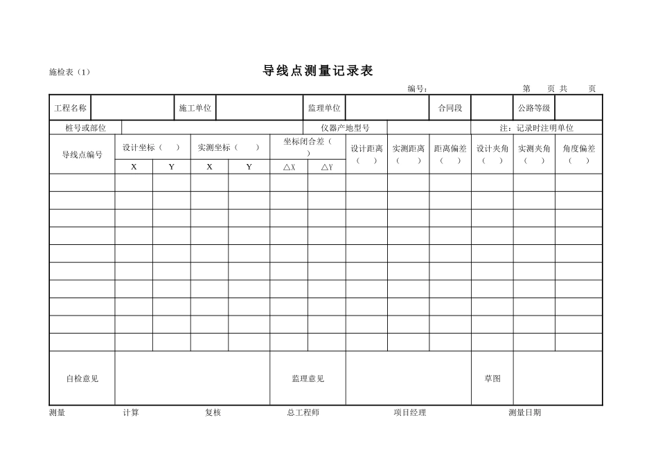
目录实测实量施检表1导线点测量记录表*施检表2全站仪测角、测距记录表*施检表3水准点观测记录表*施检表4施工增加水准点测量记录表*施检表5路线主点桩测量记录表*施检表6平面位置检查记录表*施检表7边桩检测记录表*施检表8横断面测量记录表*施检表9施工放样测量记录表*施检表10水准点测量记录表*施检表11宽度检测记录表*施检表12边坡坡度检测记录表*施检表13结构层厚度检测记录表*施检表14水泥砼路面相邻板高差检测记录表*施检表15水泥砼路面纵、横缝、顺直度检测记录表*施检表16垂直度或边坡检测记录表*施检表17路面构造深度检测(砂铺法)记录表*施检表18路面摩擦系数检测记录表*施检表19弯沉测定记录表*施检表20高程及横坡度检测记录表*施检表213m直尺平整度仪检测表*施检表22连续式平整度仪测定平整度报告表*施检表23灌砂法压实度检测记录表*施检表24环刀法压实度检测记录表*施检表25核子仪法压实度检测记录表*施检表26混凝土钻芯取样记录表*施检表27大面平整度检测记录表*沉降与稳定观测施检表28软土地基沉降量观测记录表*施检表29软基分层沉降观测记录表*施检表30孔隙水压力观察记录表*施检表31软基测斜记录表*施检表32软基测斜资料汇总表*路基工程施检表33桥涵背回填检查记录表*施检表34清理掘除检查记录表*施检表35挖台阶检查记录表*施检表36路基填筑施工记录表*施检表37粉喷桩施工现场记录表*施检表38碎石(砂)桩(干法)施工记录*施检表39强夯施工记录表*施检表40袋装砂井、塑料排水板施工现场记录表*桥涵工程施检表41桩基桩位放样检查记录表*施检表42回旋钻成孔记录表*施检表43冲击钻成孔记录表*施检表44人工挖孔记录表*施检表45桩基成桩记录表*施检表46桩基终孔后灌注混凝土前检查记录表*施检表47桥梁桩基终孔确认记录表*施检表48水下混凝土灌注记录表*施检表49施工放样检查记录表*施检表50基坑检查记录表*施检表51基底触探检验记录表*施检表52地基处理检查记录表*施检表53钢筋施工检查记录表*施检表54现浇混凝土模板安装检查记录表*施检表55预制混凝土构件模板安装检查记录表*施检表56混凝土施工检查记录表*施检表57预应力管道检查表*施检表58预应力张拉(先张法)记录表*施检表59预应力张拉(后张法)记录表*施检表60预应力孔道压浆记录表*施检表61封端检查记录表*施检表62顶推台座导梁安装质量检查记录表*施检表63支座安装检查记录表*施检表64塔柱劲性骨架加工安装检查记录表*施检表65索道管定位测量成果表*施检表66索塔质量检查记录*施检表67钢箱梁临时固结检查记录表*施检表68钢箱梁吊装前涂装检查记录表*施检表69钢箱梁现场安装焊缝匹配检查表*施检表70高强度螺栓终拧扭矩检查表*施检表71斜拉索安装检查记录表*施检表72斜拉索张拉记录*施检表(1)导线点测量记录表编号:第页共页工程名称施工单位监理单位合同段公路等级桩号或部位仪器产地型号注:记录时注明单位导线点编号设计坐标()实测坐标()坐标闭合差()设计距离()实测距离()距离偏差()设计夹角()实测夹角()角度偏差()XYXY△X△Y自检意见监理意见草图测量计算复核总工程师项目经理测量日期施检表(2)全站仪测角、测距记录表编号:第页共页工程名称测量部位施工单位略图网名或路线等级仪器型号测量站气压天气仪高气温成像测站高加常数乘常数镜站水平角垂直角测距平均距离镜高高程盘左盘右2C方向角平均值盘左盘右指标差垂直角自检意见监理意见测量计算复核总工程师项目经理测量日期施检表(3)水准点测量报表编号:第页共页测量计算复核总工程师项目经理测量日期工程名称施工单位合同段桩号或范围监理单位公路等级水准点编号设计高程实测高程偏差水准点编号设计高程实测高程偏差闭合差允许误差自检意见监理意见施检表(4)施工增加水准点测量计算表编号:第页共页工程名称施工单位监理单位合同段公路等级测量范围日期水准仪型号水准尺序号施工水准点BM引用设计时路线水准点BML(KM)或n(个)△允许(mm)△测(mm)说明1、L及n为BM间的测量距离或测站数2、△容为容许闭合差或附合差,△测为实测的闭合差或附合差编号位置高程编号位置高程自检意见监理意见测量计算复核总工程师项目经理测...

1、当您付费下载文档后,您只拥有了使用权限,并不意味着购买了版权,文档只能用于自身使用,不得用于其他商业用途(如 [转卖]进行直接盈利或[编辑后售卖]进行间接盈利)。
2、本站所有内容均由合作方或网友上传,本站不对文档的完整性、权威性及其观点立场正确性做任何保证或承诺!文档内容仅供研究参考,付费前请自行鉴别。
3、如文档内容存在违规,或者侵犯商业秘密、侵犯著作权等,请点击“违规举报”。

碎片内容

第四册施工现场施检表

您可能关注的文档

确认删除?
VIP
微信客服
  • 扫码咨询
会员Q群
  • 会员专属群点击这里加入QQ群
客服邮箱
回到顶部