电脑桌面
添加小米粒文库到电脑桌面
安装后可以在桌面快捷访问

材料采购与仓储管理考核考核方法VIP免费

材料采购与仓储管理考核考核方法_第1页
1/12
材料采购与仓储管理考核考核方法_第2页
2/12
材料采购与仓储管理考核考核方法_第3页
3/12
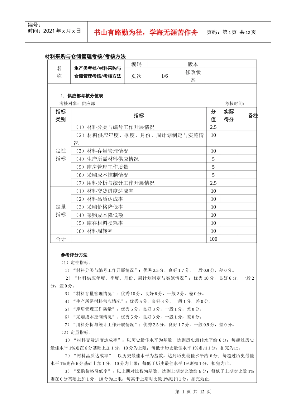
第1页共12页编号:时间:2021年x月x日书山有路勤为径,学海无涯苦作舟页码:第1页共12页材料采购与仓储管理考核/考核方法名称生产类考核/材料采购与仓储管理考核/考核方法编码版本页次1/6修改状态1.供应部考核分值表考核对象:供应部考核时间:指标类别指标分值实际得分备注定性指标(1)材料分类与编号工作开展情况2.5(2)材料供应年度、季度、月份、周计划制定与实施情况10(3)材料存量管理情况10(4)生产所需材料供应情况5(5)库房管理工作质量5(6)采购成本控制情况5(7)用料分析与统计工作开展情况2.5定量指标(1)材料交货进度达成率10(2)材料品质达成率10(3)采购价格降低率10(4)采购成本降低额10(5)库存材料损耗率10(6)材料周转率10合计100参考评分方法(1)定性指标。1)“材料分类与编号工作开展情况”:优秀2.5分,良好1.7分,一般0.9分,差0分。2)“材料供应年度、季度、月份、周计划制定与实施情况”:优秀10分,良好6分,一般2分,差0分。3)“材料存量管理情况”:优秀10分,良好6分,一般2分,差0分。4)“生产所需材料供应情况”:优秀5分,良好3分,一般1分,差0分。5)“库房管理工作质量”:优秀5分,良好3分,一般1分,差0分。6)“采购成本控制情况”:优秀5分,良好3分,一般1分,差0分。7)“用料分析与统计工作开展情况”:优秀2.5分,良好1.7分,一般0.9分,差0分。(2)定量指标。1)“材料交货进度达成率”:以历史最佳水平为基数,达到历史最佳水平给6分;每超过历史最佳水平1%则在6分基础上加1分,10分为上限;每低于历史最佳水平1%则扣1分,扣完为止。2)“材料品质达成率”:以历史最佳水平为基数,达到历史最佳水平给6分;每超过历史最佳水平1%则在6分基础上加1分,10分为上限;每低于历史最佳水平1%则扣1分,扣完为止。3)“采购价格降低率”:以上期对比数为基数,达到上期对比数给6分;每低于上期对比数1%则在6分基础上加1分,10分为上限;每高于上期对比数1%则扣1分,扣完为止。第2页共12页第1页共12页编号:时间:2021年x月x日书山有路勤为径,学海无涯苦作舟页码:第2页共12页相关说明编制人员审核人员批准人员编制日期审核日期批准日期(续)名称生产类考核/材料采购与仓储管理考核/考核方法编码版本页次2/6修改状态第3页共12页第2页共12页编号:时间:2021年x月x日书山有路勤为径,学海无涯苦作舟页码:第3页共12页4)“采购成本降低额”:以计划数为基数,达到计划给6分;每低于计划数5%则在6分基础上加1分,10分为上限;每高计划5%则扣1分,扣完为止。5)“库存材料损耗率”:以历史最低水平为基数,达到历史最低水平给6分;每低于历史最低水平0.1%则在6分基础上加1分,10分为上限;每高于历史最低水平0.1%则扣1分,扣完为止。6)“材料周转率”:以历史最佳水平为基数,达到历史最佳水平给6分;每超过历史最佳水平1%则在6分基础上加1分,10分为上限;每低于历史最佳水平1%则扣1分,扣完为止。相关说明编制人员审核人员批准人员编制日审核日期批准日期第4页共12页第3页共12页编号:时间:2021年x月x日书山有路勤为径,学海无涯苦作舟页码:第4页共12页期(续)名称生产类考核/材料采购与仓储管理考核/考核方法编码版本页次3/6修改状态第5页共12页第4页共12页编号:时间:2021年x月x日书山有路勤为径,学海无涯苦作舟页码:第5页共12页2.技术开发部考核分值表考核对象:技术开发部考核时间:指标类别指标分值实际得分备注定性指标(1)参与材料供应计划的制定情况5(2)开发新材料和替代材料情况15(3)参与材料消耗定额制定情况5(4)技术开发用料计划的制定与实施情况5(5)工艺改进情况10定量指标工艺改进消耗降低率60合计100参考评分方法(1)定性指标。1)“参与材料供应计划的制定情况”:优秀5分,良好3分,一般1分,差0分。2)“开发新材料和替代材料情况”:优秀15分,良好10分,一般5分,差0分。3)“参与材料消耗定额制定情况”:优秀5分,良好3分,一般1分,差0分。4)“技术开发用料计划的制定与实施情况”:优秀5分,良好3分,一般1分,差0分。5)“工艺改进情况”:优秀10分,良好6分,一般2分,差0分...

1、当您付费下载文档后,您只拥有了使用权限,并不意味着购买了版权,文档只能用于自身使用,不得用于其他商业用途(如 [转卖]进行直接盈利或[编辑后售卖]进行间接盈利)。
2、本站所有内容均由合作方或网友上传,本站不对文档的完整性、权威性及其观点立场正确性做任何保证或承诺!文档内容仅供研究参考,付费前请自行鉴别。
3、如文档内容存在违规,或者侵犯商业秘密、侵犯著作权等,请点击“违规举报”。

碎片内容

材料采购与仓储管理考核考核方法

您可能关注的文档

确认删除?
VIP
微信客服
  • 扫码咨询
会员Q群
  • 会员专属群点击这里加入QQ群
客服邮箱
回到顶部