电脑桌面
添加小米粒文库到电脑桌面
安装后可以在桌面快捷访问

AUTOCAD2000简明使用手册VIP免费

AUTOCAD2000简明使用手册_第1页
1/23
AUTOCAD2000简明使用手册_第2页
2/23
AUTOCAD2000简明使用手册_第3页
3/23
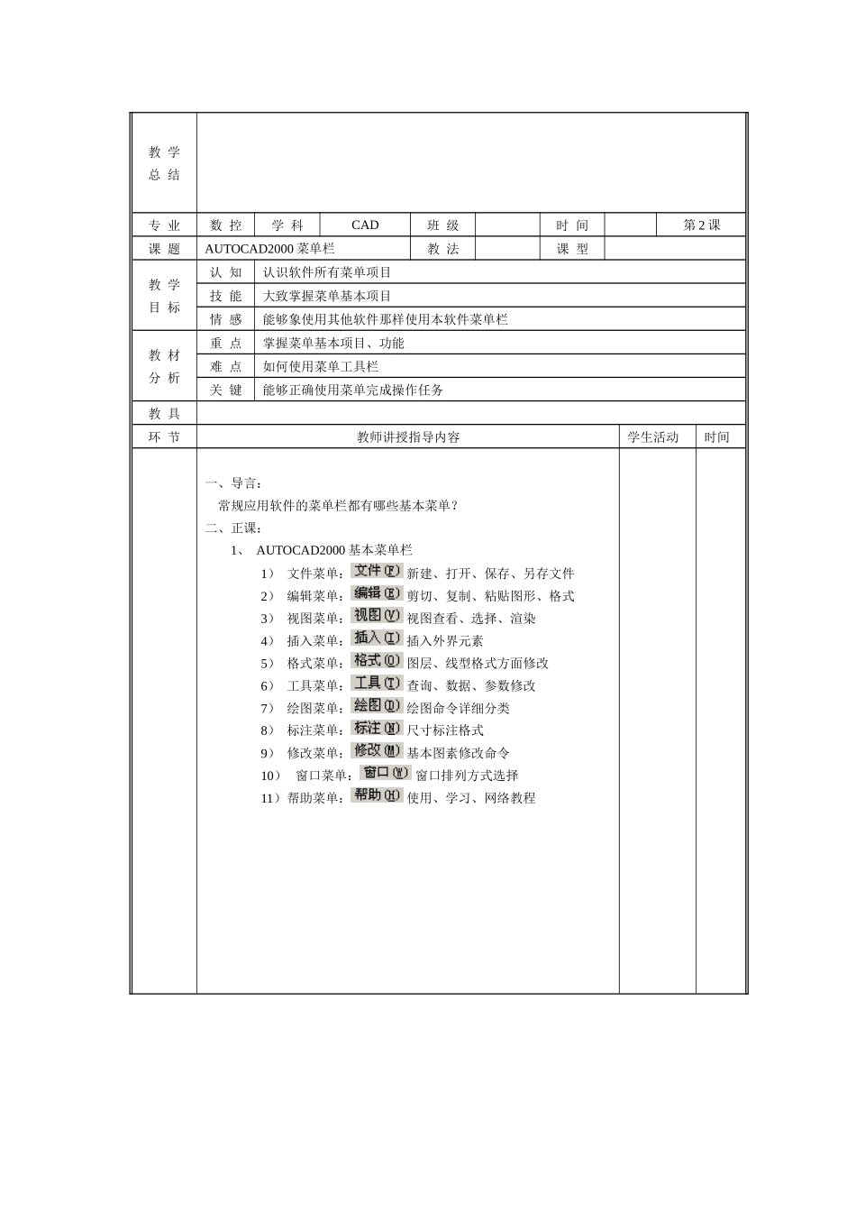
专业数控学科CAD班级时间第1课课题AUTOCAD2000软件界面介绍教法课型教学目标认知认识软件的基本界面技能熟悉软件的操作方式情感认同软件的使用习惯教材分析重点掌握基本界面的组成难点基本工具、菜单应用关键如何正确使用工具完成一项操作任务教具环节教师讲授指导内容学生活动时间一、导言:常规计算机应用软件界面有哪些基本元素?二、正课:1、软件基本界面:1)软件标题栏2)主要菜单栏3)标准工具栏4)绘图工具栏5)编辑工具栏6)辅助工具栏7)绘图工作区8)命令输入框9)状态提示行板书设计教学总结专业数控学科CAD班级时间第2课课题AUTOCAD2000菜单栏教法课型教学目标认知认识软件所有菜单项目技能大致掌握菜单基本项目情感能够象使用其他软件那样使用本软件菜单栏教材分析重点掌握菜单基本项目、功能难点如何使用菜单工具栏关键能够正确使用菜单完成操作任务教具环节教师讲授指导内容学生活动时间一、导言:常规应用软件的菜单栏都有哪些基本菜单?二、正课:1、AUTOCAD2000基本菜单栏1)文件菜单:新建、打开、保存、另存文件2)编辑菜单:剪切、复制、粘贴图形、格式3)视图菜单:视图查看、选择、渲染4)插入菜单:插入外界元素5)格式菜单:图层、线型格式方面修改6)工具菜单:查询、数据、参数修改7)绘图菜单:绘图命令详细分类8)标注菜单:尺寸标注格式9)修改菜单:基本图素修改命令10)窗口菜单:窗口排列方式选择11)帮助菜单:使用、学习、网络教程板书设计教学总结专业数控学科CAD班级时间第3课课题AUTOCAD2000文件菜单栏教法课型教学目标认知认识文件菜单应用范围技能掌握文件菜单一般应用方式情感熟悉文件菜单常规操作方法教材分析重点掌握文件菜单基本项目难点如何使用文件菜单各个具体项目关键能够根据绘图过程需要,正确使用文件菜单项目教具环节教师讲授指导内容学生活动时间一、导言:文件菜单有哪些基本项目二、正课:1、文件菜单内容:文件相关处理方式2、操作:使用文件菜单新建、打开、关闭、保存文件过程应用板书设计教学总结专业数控学科CAD班级时间第4课课题AUTOCAD2000编辑菜单栏教法课型教学目标认知认识编辑菜单基本项目技能掌握编辑菜单基本应用方法情感编辑菜单常规应用、特殊应用方式教材分析重点掌握编辑菜单一般应用方法难点编辑菜单中附加编辑方式应用关键能够根据绘图过程需要,正确使用编辑菜单项目教具环节教师讲授指导内容学生活动时间一、导言:编辑菜单有什么具体编辑项目?二、正课:1、编辑菜单基本项目:剪切、复制、粘贴等2、编辑菜单其它项目:带基点复制、复制连接、粘贴为块、为超级连接、选择性粘贴等其它方式编辑应用板书设计教学总结专业数控学科CAD班级时间第5课课题AUTOCAD2000视图菜单栏教法课型教学目标认知认识视图菜单基本项目技能掌握视图菜单基本功能划分情感区别其它软件视图菜单应用教材分析重点掌握视图菜单基本应用方法难点视图命名、三维视图、工具栏应用关键能够根据绘图过程需要,正确使用视图菜单项目教具环节教师讲授指导内容学生活动时间一、导言:此处视图菜单与其它软件视图菜单有什么区别?二、正课:1、视图菜单基本项目:查看、视图、渲染等2、视图菜单具体应用:视口创建、三维视图、视图命名、工具栏使用板书设计教学总结专业数控学科CAD班级时间第6课课题AUTOCAD2000插入菜单栏教法课型教学目标认知插入菜单是软件(之间)的数据接口技能掌握各个软件之间数据交流基本方式情感认识软件之间数据接口的重要性教材分析重点掌握软件能够输出数据类型难点如何使用软件数据之间交换关键应用插入菜单这些项目,完成其它软件数据引用操作教具环节教师讲授指导内容学生活动时间一、导言:AUTOCAD2000插入菜单与OFFICE的插入菜单有什么不同?二、正课:1、插入菜单基本项目:引入外部文件或者插件、对象等2、插入其它类型软件输入数据方式操作:由3DSTUDIO、ACIS等等格式文件的引用操作板书设计教学总结专业数控学科CAD班级时间第7课课题AUTOCAD2000格式菜单栏教法课型教学目标认知认识软件格式菜单的基本项目技能掌握格式菜单具体应用方法情感认识此处格式菜单中格式与其它软件格式的区别教材重点...

1、当您付费下载文档后,您只拥有了使用权限,并不意味着购买了版权,文档只能用于自身使用,不得用于其他商业用途(如 [转卖]进行直接盈利或[编辑后售卖]进行间接盈利)。
2、本站所有内容均由合作方或网友上传,本站不对文档的完整性、权威性及其观点立场正确性做任何保证或承诺!文档内容仅供研究参考,付费前请自行鉴别。
3、如文档内容存在违规,或者侵犯商业秘密、侵犯著作权等,请点击“违规举报”。

碎片内容

AUTOCAD2000简明使用手册

您可能关注的文档

确认删除?
VIP
微信客服
  • 扫码咨询
会员Q群
  • 会员专属群点击这里加入QQ群
客服邮箱
回到顶部