电脑桌面
添加小米粒文库到电脑桌面
安装后可以在桌面快捷访问

某大厦框架剪力墙结构施工组织设计VIP免费

某大厦框架剪力墙结构施工组织设计_第1页
1/47
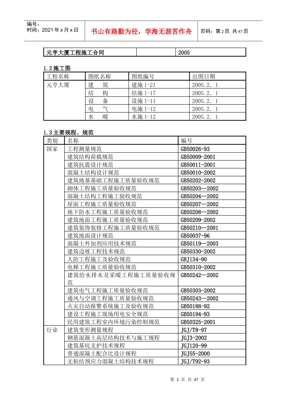
某大厦框架剪力墙结构施工组织设计_第2页
2/47
某大厦框架剪力墙结构施工组织设计_第3页
3/47
第1页共47页编号:时间:2021年x月x日书山有路勤为径,学海无涯苦作舟页码:第1页共47页目录1.编制依据…………………………………………………………………………22.工程概况…………………………………………………………………………73.施工部署…………………………………………………………………………134.施工准备…………………………………………………………………………225.主要施工方法……………………………………………………………………306.主要管理措施……………………………………………………………………417.主要经济技术指标………………………………………………………………578.施工平面布置图…………………………………………………………………621.编制依据1.1工程承包合同合同名称编号签定日期第2页共47页第1页共47页编号:时间:2021年x月x日书山有路勤为径,学海无涯苦作舟页码:第2页共47页元亨大厦工程施工合同20051.2施工图工程名称图纸名称图纸编号出图日期元亨大厦建筑建施1-212005.2.1结构结施1-172005.2.1设备设施1-112005.2.1电气电施1-122005.2.1水暖水施1-122005.2.11.3主要规程、规范类别名称编号国家工程测量规范GB50026-93建筑结构荷载规范GB50009-2001建筑抗震设计规范GB50011-2001混凝土结构设计规范GB50010-2002建筑地基基础工程施工质量验收规范GB50202-2002砌体工程施工质量验收规范GB50203—2002混凝土结构工程施工验收规范GB50204—2002屋面工程施工质量验收规范GB50207—2002地下防水工程施工质量验收规范GB50208—2002建筑地面工程施工质量验收规范GB50209-2002建筑装饰装修工程施工质量验收规范GB50210—2001建筑地面设计规范GB50037-96混凝土外加剂应用技术规范GB50119--2003建筑边坡工程技术规范GB50330-2002人防工程施工及验收规范GBJ134-90电梯工程施工质量验收规范GB50310-2002建筑给水排水及采暖工程施工质量验收规范GB50242—2002建筑电气工程施工质量验收规范GB50303-2002通风与空调工程施工质量验收规范GB50243—2002火灾自动报警系统施工及验收规范GB50188-92建设工程施工现场用电安全规范GB50194-93民用建筑工程室内环境污染控制规范GB50325-2001行业建筑变形测量规程JGJ/T8-97钢筋混凝土高层结构技术与施工规程JGJ3-2002建筑基坑支护技术规程JGJ120-99普通混凝土配合比设计规程JGJ55-2000无粘结预应力混凝土结构技术规程JGJ/T92-93第3页共47页第2页共47页编号:时间:2021年x月x日书山有路勤为径,学海无涯苦作舟页码:第3页共47页预应力筋用锚具、夹具和连接器应用技术规程JGJ85-92粉煤灰在混凝土和砂浆中应用技术规程施工现场临时用电安全技术规程JGJ48-88钢筋机械连接通用技术规程JGJ107—2002钢筋焊接及验收规程JGJ18—98混凝土泵送施工技术规程JGJ/T—95建筑工程冬期施工规程JGJ104-97玻璃幕墙工程技术规范JGJ102-96建筑机械使用安全技术规程JGJ33-2001建筑施工高处作业安全技术规范JGJ80-91建筑施工扣件式钢管脚手架安全技术规程JGJ130-2001地方商品混凝土质量管理规程DBJ01-06-90混凝土外加剂技术规程DBJ01-81-2002建筑安装分项工程施工艺规程DBJ01-28-2002建筑工程资料管理规程DBJ01-51-2003建设工程监理规程DBJ01-41-2002北京市建筑工程施工安全操作规程DBJ01-82-2002建筑工程施工测量规程DBJ01-21-951.4主要图集类别名称编号国家建筑物抗震构造详图03G329-1砼结构施工图平面整体表示方法制图规则和构造详图03G101-1地下工程防水构造详图02J301行业建筑构造通用图集88J系列建筑构造通用图集88JX系列建筑设备施工安装通用图集91SB系列建筑电气通用图集92DQ系列人防工程防护设备选用图集GJBJ-311地方北京市屋面卷材防水推荐作法京93TJ2北京市厕浴间防水推荐作法京91TJ11.5主要标准类别名称编号国家建筑工程施工质量验收统一标准GB50300-2001砼质量控制标准GB50164-92混凝土强度检验评定标准GBJ107-87低碳钢热扎圆盘条GB/T701-1997第4页共47页第3页共47页编号:时间:2021年x月x日书山有路勤为径,学海无涯苦作舟页码:第4页共47页钢筋砼用热轧光圆钢筋GB13013-91钢筋砼用热轧带肋钢筋GBJ1...

1、当您付费下载文档后,您只拥有了使用权限,并不意味着购买了版权,文档只能用于自身使用,不得用于其他商业用途(如 [转卖]进行直接盈利或[编辑后售卖]进行间接盈利)。
2、本站所有内容均由合作方或网友上传,本站不对文档的完整性、权威性及其观点立场正确性做任何保证或承诺!文档内容仅供研究参考,付费前请自行鉴别。
3、如文档内容存在违规,或者侵犯商业秘密、侵犯著作权等,请点击“违规举报”。

碎片内容

某大厦框架剪力墙结构施工组织设计

您可能关注的文档

确认删除?
VIP
微信客服
  • 扫码咨询
会员Q群
  • 会员专属群点击这里加入QQ群
客服邮箱
回到顶部