电脑桌面
添加小米粒文库到电脑桌面
安装后可以在桌面快捷访问

数字信号处理实验报告VIP免费

数字信号处理实验报告_第1页
1/11
数字信号处理实验报告_第2页
2/11
数字信号处理实验报告_第3页
3/11
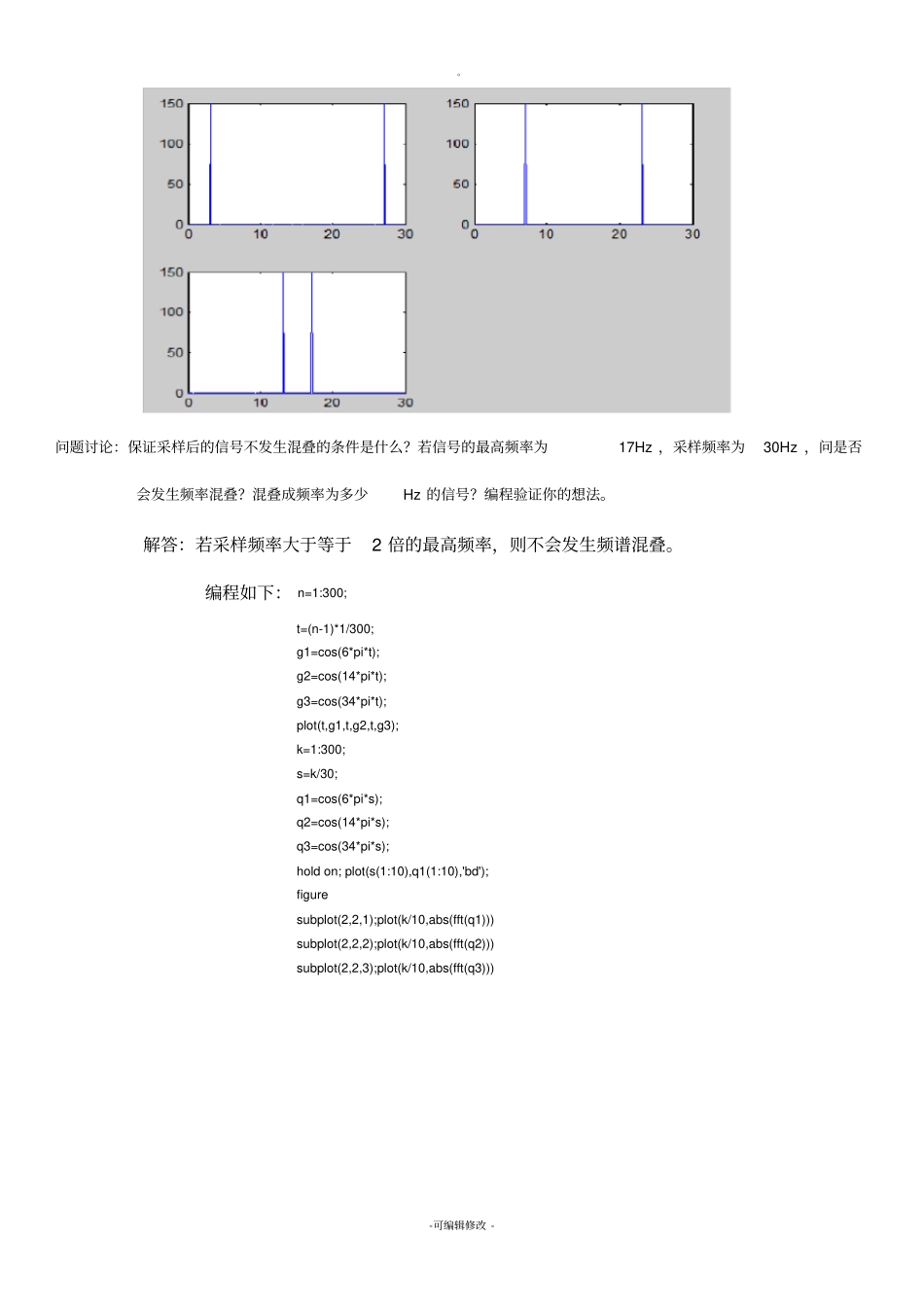
。-可编辑修改-数字信号处理实验报告实验一:混叠现象的时域与频域表现实验原理:当采样频率Fs不满足采样定理,会在0.5Fs附近引起频谱混叠,造成频谱分析误差。实验过程:考虑频率分别为3Hz,7Hz,13Hz的三个余弦信号,即:g1(t)=cos(6πt),g2(t)=cos(14πt),g3(t)=cos(26πt),当采样频率为10Hz时,即采样间隔为0.1秒,则产生的序列分别为:g1[n]=cos(0.6πn),g2[n]=cos(1.4πn),g3[n]=cos(2.6πn)对g2[n],g3[n]稍加变换可得:g2[n]=cos(1.4πn)=cos((2π-0.6π)n)=cos(0.6πn)g3[n]=cos(2.6πn)=cos((2π+0.6π)n)=cos(0.6πn)利用Matlab进行编程:n=1:300;t=(n-1)*1/300;g1=cos(6*pi*t);g2=cos(14*pi*t);g3=cos(26*pi*t);plot(t,g1,t,g2,t,g3);k=1:100;s=k*0.1;q1=cos(6*pi*s);q2=cos(14*pi*s);q3=cos(26*pi*s);holdon;plot(s(1:10),q1(1:10),'bd');figuresubplot(2,2,1);plot(k/10,abs(fft(q1)))subplot(2,2,2);plot(k/10,abs(fft(q2)))subplot(2,2,3);plot(k/10,abs(fft(q3)))通过Matlab软件的图像如图所示:。-可编辑修改-如果将采样频率改为30Hz,则三信号采样后不会发生频率混叠,可运行以下的程序,观察序列的频谱。程序编程改动如下:k=1:300;q=cos(6*pi*k/30);q1=cos(14*pi*k/30);q2=cos(26*pi*k/30);subplot(2,2,1);plot(k/10,abs(fft(q)))subplot(2,2,2);plot(k/10,abs(fft(q1)))subplot(2,2,3);plot(k/10,abs(fft(q2)))得图像:。-可编辑修改-问题讨论:保证采样后的信号不发生混叠的条件是什么?若信号的最高频率为17Hz,采样频率为30Hz,问是否会发生频率混叠?混叠成频率为多少Hz的信号?编程验证你的想法。解答:若采样频率大于等于2倍的最高频率,则不会发生频谱混叠。编程如下:n=1:300;t=(n-1)*1/300;g1=cos(6*pi*t);g2=cos(14*pi*t);g3=cos(34*pi*t);plot(t,g1,t,g2,t,g3);k=1:300;s=k/30;q1=cos(6*pi*s);q2=cos(14*pi*s);q3=cos(34*pi*s);holdon;plot(s(1:10),q1(1:10),'bd');figuresubplot(2,2,1);plot(k/10,abs(fft(q1)))subplot(2,2,2);plot(k/10,abs(fft(q2)))subplot(2,2,3);plot(k/10,abs(fft(q3)))。-可编辑修改-在频谱分析的图像上可以看出,发生了频率混叠,混叠后的频率分别是17Hz和13Hz。实验二泄漏效应实验原理:由于模拟信号的傅里叶变换是在±∞区间上的一种积分运算,实际上观察到的模拟信号一般是有限长的,没有观察到的部分只能认为是零,这相当于将模拟信号截取一部分进行分析。使得原来的离散谱线向两边展宽,而展宽的宽度和矩形窗的长度有关,矩形窗的长度越长,展宽就越窄。这种将谱线展宽的现象称为频谱泄露。实验过程:由于泄漏效应的复杂性,下面的实验演示单一频率正弦信号由于截断引起的泄漏。首先考察频率为10Hz的正弦信号,采样频率为64Hz,对32点的采样序列进行DFT(FFT),由于是整周期截取,所以不会产生泄漏,程序和运行结果如下(图9-34):N=input('typeinthelengthofdft=');%采样点数t=input('typeinthesamplingperiod=');%采样时间间隔。-可编辑修改-freq=input('typeinthesinusoidfrequency=');%信号频率k=0:N-1;f=sin(2*pi*freq*k*(1/t));F=fft(f);stem(k,abs(F));grid;xlabel('k');ylabel('|x(k)|');如果采样频率仍为64Hz,采样点数仍为32点,将信号频率改为11Hz,由于非整周期截取,发生了明显的泄漏,如图所示:问题讨论:如何选取采样点数、采样频率,才能保证频率为11Hz的正弦信号不会发生泄漏现象?选取采样点数为30,采样频率为66Hz,运行程序看一看是否有泄漏发生。解答:(1)、不会产生泄漏的条件是:对信号进行整周期截取。根据条件知:N=(采样点数/采样频率)*信号频率,要使泄漏不发生,需使N为正整数,在这一条件下进行采样点数及采样频率。(2)、将信号频率11Hz、采样点数30、采样频率66Hz代入公式:N=(采样点数/采样频率)*信号频率中,得N=5,整周期截取,故不发生泄漏。图像如下:。-可编辑修改-实验三FFT(DFT)参数的选取实验原理:本实验考察有不同频率的两个正弦信号加上随机信号组成的信号的傅立叶变换,通过改变序列的采样点数、DFT长度以及信号的频率,观察谱分辨率以及泄漏对谱估计的影响。...

1、当您付费下载文档后,您只拥有了使用权限,并不意味着购买了版权,文档只能用于自身使用,不得用于其他商业用途(如 [转卖]进行直接盈利或[编辑后售卖]进行间接盈利)。
2、本站所有内容均由合作方或网友上传,本站不对文档的完整性、权威性及其观点立场正确性做任何保证或承诺!文档内容仅供研究参考,付费前请自行鉴别。
3、如文档内容存在违规,或者侵犯商业秘密、侵犯著作权等,请点击“违规举报”。

碎片内容

数字信号处理实验报告

您可能关注的文档

确认删除?
VIP
微信客服
  • 扫码咨询
会员Q群
  • 会员专属群点击这里加入QQ群
客服邮箱
回到顶部