电脑桌面
添加小米粒文库到电脑桌面
安装后可以在桌面快捷访问

某工程项目创优策划方案VIP免费

某工程项目创优策划方案_第1页
1/92
某工程项目创优策划方案_第2页
2/92
某工程项目创优策划方案_第3页
3/92
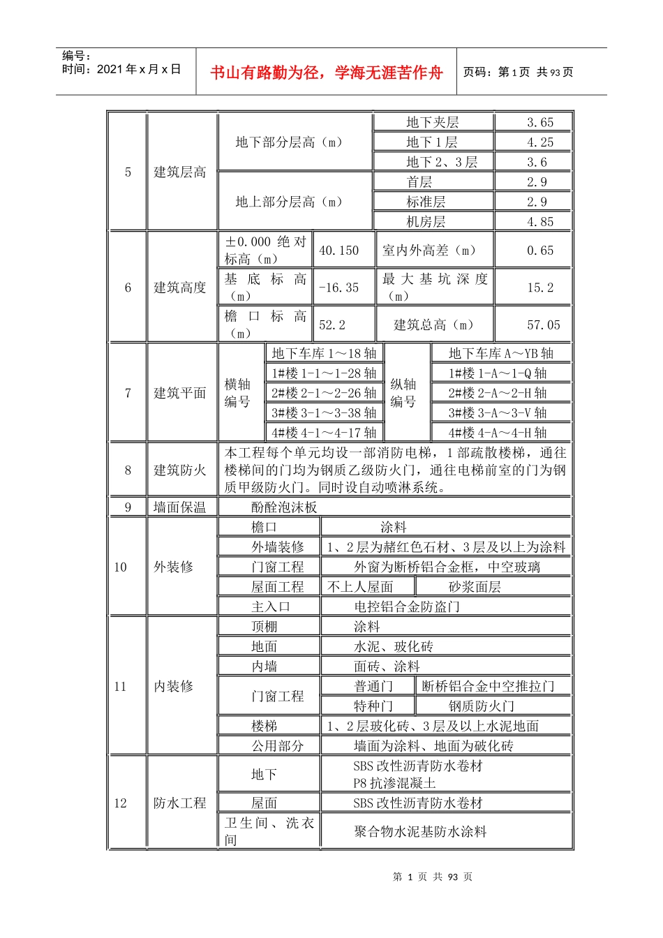
目录1工程概况..........................................................21.1总体简介......................................................21.2建筑设计简介..................................................21.3结构设计......................................................41.4专业设计简介..................................................62质量目标..........................................................72.1创优目标分解..................................................72.2“结构长城杯”工程分项目标.....................................82.3“建筑工程长城杯金奖”工程分项目标.............................82.4工程创鲁班奖质量目标设计......................................92.5创优工作计划.................................................103创优工程控制重点.................................................113.1创新、创优、创高。...........................................113.2完善管理责任.................................................113.3培训与提高...................................................123.4质量控制要点.................................................124质量保证体系.....................................................135质量组织保证措施.................................................145.1质量控制和保证的指导原则.....................................145.2组织保证措施.................................................156质量管理保证措施.................................................176.1质量管理程序.................................................176.2创优管理保证措施.............................................176.3施工过程管理.................................................216.5工程技术资料管理.............................................307分部分项工程质量技术保证措施.....................................347.1钢筋工程.....................................................347.2模板工程.....................................................467.3混凝土工程...................................................537.4防水工程.....................................................597.5装修工程.....................................................617.6安装工程.....................................................698成品保护措施.....................................................758.1成品保护管理措施.............................................758.2成品保护主要技术措施.........................................76第0页共93页编号:时间:2021年x月x日书山有路勤为径,学海无涯苦作舟页码:第0页共93页1工程概况1.1总体简介序号项目内容1工程名称大红门西路16号项目2工程地址北京市丰台区大红门西路与马家堡东路交叉口3建设单位北京金胜嘉谊房地产开发有限公司4设计单位北京东方华太建筑设计工程有限责任公司5监理单位北京百城建筑工程监理有限责任公司6质量监督单位北京市丰台区建设工程质量监督站7施工总承包单位北京建谊建筑工程有限公司8施工主要分包单位四川广安都发建筑工程劳务有限公司河南鸿瑞建筑工程劳务有限公司9资金来源企业自筹10合同承包范围土方、建筑、装饰、给排水、采暖、电气、通风空调、电梯工程等11结算方式竣工结算(按月支付进度款)12合同工期2012.3.1~2013.10.31(因设计图纸变更工期顺延至2014.9.30)13合同质量目标争创“鲁班奖”1.2建筑设计简介序号项目内容1建筑功能地下三层为车库、地上为住宅及部分商业2建筑特点造型时尚、简约,装饰体现出现代化城市的形象3建筑面积总建筑面积(㎡)122870占地面积(㎡)26666.7地下建筑面积(㎡)48204地上建筑面积74666标准层建筑面积(㎡)1#楼1072、2#楼973、3#楼1361、4#楼6404建筑层数地上18地下3第1页共93页第...

1、当您付费下载文档后,您只拥有了使用权限,并不意味着购买了版权,文档只能用于自身使用,不得用于其他商业用途(如 [转卖]进行直接盈利或[编辑后售卖]进行间接盈利)。
2、本站所有内容均由合作方或网友上传,本站不对文档的完整性、权威性及其观点立场正确性做任何保证或承诺!文档内容仅供研究参考,付费前请自行鉴别。
3、如文档内容存在违规,或者侵犯商业秘密、侵犯著作权等,请点击“违规举报”。

碎片内容

某工程项目创优策划方案

确认删除?
VIP
微信客服
  • 扫码咨询
会员Q群
  • 会员专属群点击这里加入QQ群
客服邮箱
回到顶部