电脑桌面
添加小米粒文库到电脑桌面
安装后可以在桌面快捷访问

卫生洁具施工方案VIP免费

卫生洁具施工方案_第1页
1/8
卫生洁具施工方案_第2页
2/8
卫生洁具施工方案_第3页
3/8
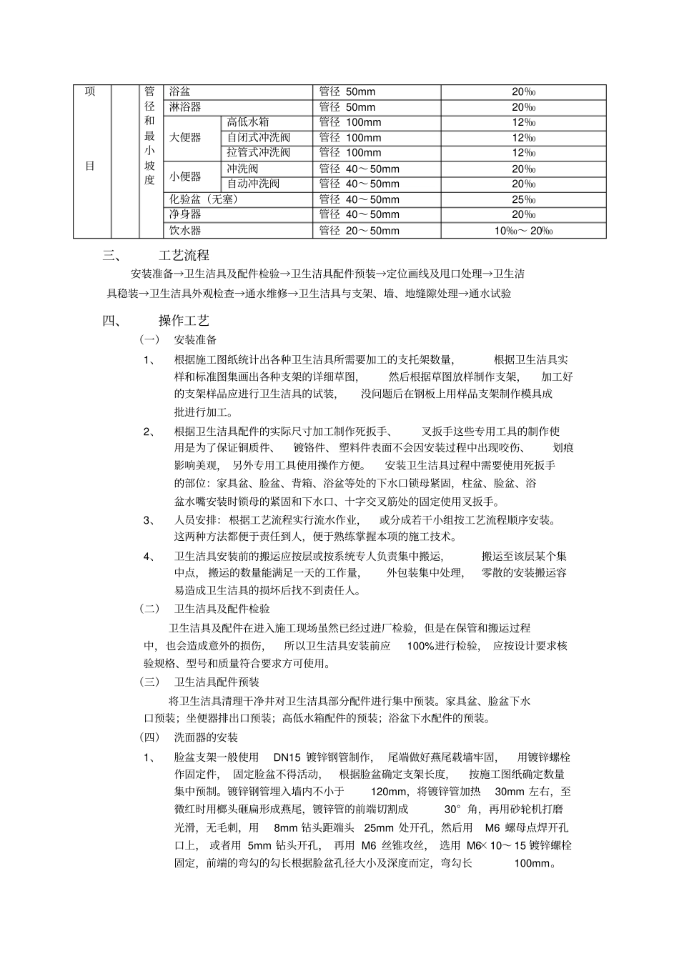
卫生洁具安装方案一、施工准备(一)作业条件1、与卫生洁具连接的给水管道单项试压已完成,与卫生洁具连接的排水管道灌水试验已完成并已办理预检、试验、隐检等手续。2、需要安装卫生洁具的房间,室内装修已基本完成。3、浴盆的稳装应待土建做完防水层及保护层闭水试验合格后配合土建施工,浴盆稳装完成后,应自检验收合格,办理中间交接检手续然后交土建进行下道工序安装。(二)材料要求1、卫生洁具在进入施工现场和安装前按设计及现行标准要求,核验规格、型号和质量符合要求方可使用。2、卫生洁具应具有产品质量合格证和环保检测报告,要求合格证应具备产品名称、型号、规格、采用国家质量标准、标准代号、出厂日期、生产厂家、名称及地点、出厂产品检验证明或代号,高级卫生洁具应有安装使用说明书,水箱必须使用节水型产品。3、卫生洁具的配件:应能与所使用的卫生洁具配套使用,并有产品合格证,水箱配件必须使用进水日高于水面的卫生洁具水箱配件,并且有北京市法定检测单位证明。4、卫生洁具及配件的进场验收:卫生洁具的进货一般以一次性成批进齐最好,能保证卫生洁具的质量、外观颜色的一致。一次性进货造成检验工作量增大,抽检10%如发现有不合格产品,则逐个检验,按层或按段的批量进货应防止质量与外观颜色的不一致。一般出现质量等级不一致的问题比较突出。(1)卫生洁具的检验应做到以下几点:①外观检查:外观应周正,瓷质细腻程度和色泽一致,表面光滑,边色边缘平滑,无裂纹、斑点,无损伤。②尺量检查:用3~5m钢卷尺实测主要尺寸,长、宽、高、下水口直径应在卫生洁具设备的允许公差值内。③敲击检查:用木棍轻轻敲击,声音实而清脆未受损伤,重点轻敲击盆边排水口处。④通球检查:对圆形孔洞可做通球试验,检验用球直径应为孔洞直径的0.8倍。(2)卫生洁具配件分为铸铁、铜镀铬、塑料制品等,检验做到以下儿点:①外观检查:配件应完整,内外表面光滑,浇口及溢边应平整,丝扣无断丝、乱丝,无溢边。②塑料下水口及返水弯等不得使用再生塑料制品,应保证其圆度、硬度,不得造成渗漏、脱落等质量问题,必要时应检查,并有法定单位的产品监督检验证明。检查方法为对配件进行试装连接,检查下水口返水弯等丝扣连接是否能保证圆度和丝扣处的硬度。5、其他材料。所有与卫生洁具配套使用的螺栓、螺母、垫片一律采用镀锌件。镀锌钢管、扁钢、角铁、圆钢、八字阀门、陶瓷阀芯水嘴、镀锌管件、橡胶板、铅皮、铜丝、油灰、石棉绳、铅油、麻、生料带、白水泥、白灰膏、白塑料护套等。6、卫生洁具在检验和搬运过程中,要小心轻放防止磕碰,检验完的产品应重新进行包装,分类、分型号规格,单独码放,不合格产品应及时退货,经检验的新产品,应有相应的新产品标识,如露天码放应选好地点,应防止上部有重物砸下,周围应有围护。7、国家明文规定在建筑工程禁止使用螺旋升降式铸铁水嘴,铸铁截止阀。序号项目单位允许公差值1外形尺寸公差%±32皂盒,水纸盒外观尺寸差mm-33安装尺寸公差孔径≤15孔径16~29孔径30~80孔径>80mm+2+2±3±54洗脸盆水嘴孔距mm+25洗脸盆、水箱、洗涤盆、下水口圆度变形直径mm+36小便器,排出口圆度变形直径偏差mm±57大便器及存水弯排出口,连接口圆度变形直径偏差mm±88排出口中心距边缘尺寸公差≤300,>300mm±10、±3(三)主要机具1、机具:套丝机,砂轮机,砂轮锯,台钻,电锤(带调速)等。2、工具:套丝扳、管钳、克丝钳、活扳手、手锯、布剪子、手锤、螺丝刀、胶枪、自制死扳手、叉扳手、錾子、圆锉等。3、其他:水平尺、圆规、线坠、盒尺、毛刷、小线、石笔、红蓝铅笔。二、质量要求质量要求符合《建筑给水排水及采暖工程施工质量验收规范》(GB50242-2002)的规定。项序项目允许偏差或允许值主控项目1器具受水口与立管,管道与楼板接合第7.4.1条2连接排水管道接口应严密,其支托架安装第7.4.2条一般1安装允许偏差横管弯曲度每1m长2mm横管长度≤10m,全长8mm横管长度>10m,全长10mm卫生器具排水管口及横支管的纵横坐标单独器具10mm成排器具5mm卫生器具接口标高单独器具±10mm成排器具±5mm2排水管污水盆(池)管径50mm25‰单、双格...

1、当您付费下载文档后,您只拥有了使用权限,并不意味着购买了版权,文档只能用于自身使用,不得用于其他商业用途(如 [转卖]进行直接盈利或[编辑后售卖]进行间接盈利)。
2、本站所有内容均由合作方或网友上传,本站不对文档的完整性、权威性及其观点立场正确性做任何保证或承诺!文档内容仅供研究参考,付费前请自行鉴别。
3、如文档内容存在违规,或者侵犯商业秘密、侵犯著作权等,请点击“违规举报”。

碎片内容

卫生洁具施工方案

爱的疯狂+ 关注
实名认证
内容提供者

该用户很懒,什么也没介绍

确认删除?
VIP
微信客服
  • 扫码咨询
会员Q群
  • 会员专属群点击这里加入QQ群
客服邮箱
回到顶部