电脑桌面
添加小米粒文库到电脑桌面
安装后可以在桌面快捷访问

某集团成本管理制度奖罚准则VIP专享VIP免费

某集团成本管理制度奖罚准则_第1页
1/109
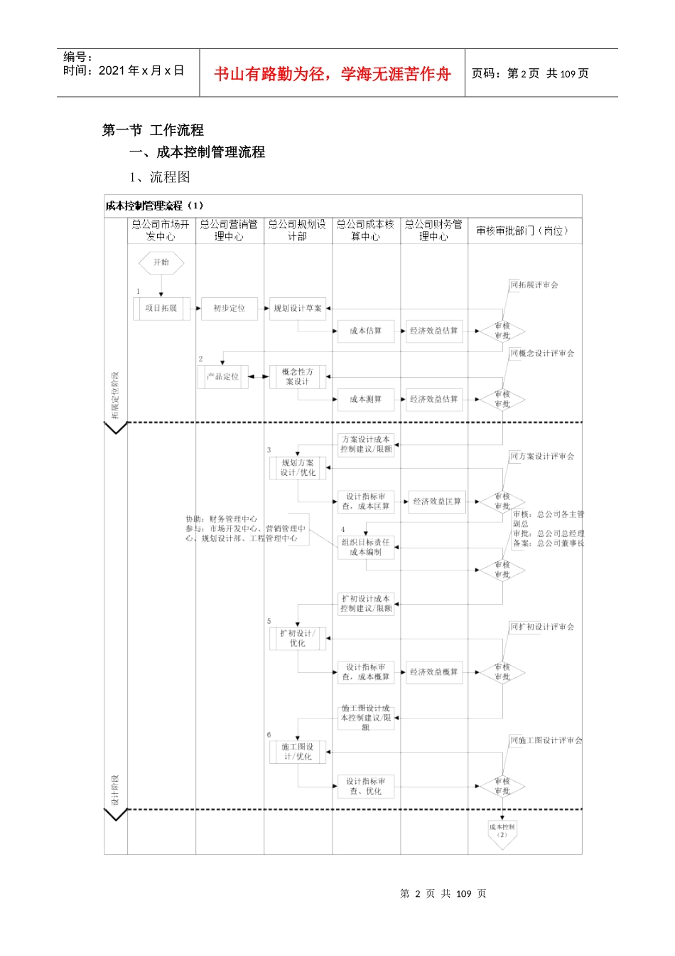
某集团成本管理制度奖罚准则_第2页
2/109
某集团成本管理制度奖罚准则_第3页
3/109
第1页共109页编号:时间:2021年x月x日书山有路勤为径,学海无涯苦作舟页码:第1页共109页成本管理制度目录第一节工作流程.....................................................1一、成本控制管理流程............................................1二、工程款申请及支付流程.......................................10三、竣工结算流程...............................................16四、成本信息库建立流程.........................................22第二节工作标准....................................................26一、中南成本标准...............................................26二、工程竣工结算资料...........................................27三、竣工结算通知书(模板).....................................41第三节工作准则....................................................42一、城市公司(独立项目公司)成本管理准则.......................42二、总公司成本管理准则.........................................46三、竣工结算奖罚准则...........................................46四、设计单位、项目公司成本优化的奖励条款.......................48第四节操作手册....................................................49一、可研阶段成本估算作业指引...................................49二、目标成本管理作业指引.......................................52三、设计阶段成本优化作业指引...................................61四、招标阶段成本评审作业指引...................................79五、工程竣工结算作业指引.......................................83六、责任状指标确定作业指引.....................................95第2页共109页第1页共109页编号:时间:2021年x月x日书山有路勤为径,学海无涯苦作舟页码:第2页共109页第一节工作流程一、成本控制管理流程1、流程图第3页共109页第2页共109页编号:时间:2021年x月x日书山有路勤为径,学海无涯苦作舟页码:第3页共109页第4页共109页第3页共109页编号:时间:2021年x月x日书山有路勤为径,学海无涯苦作舟页码:第4页共109页2、流程说明2.1职责说明总公司成本核算中心(1)负责组织编制项目目标成本(前七类成本科目)(2)负责项目开发全过程动态成本的监控(3)组织项目成本后评估总公司财务管理中心(1)负责各阶段项目经济效益测算(2)参与制定项目目标成本(后二类科目)及控制责任书(3)参与项目成本后评估城市公司成本部(1)负责项目开发过程中动态成本管控(2)负责编制项目动态成本相关报表(3)参与项目成本后评估城市公司核算部(1)负责建安类工程预结算编制、审核(2)负责建安类工程动态成本管理城市公司财务部(1)负责各阶段项目经济效益测算(2)参与项目成本后评估2.2节点说明步骤工作内容的简要叙述重要输入重要输出备注1拓展阶段:1、项目拓展阶段,市场开发中心组织对意向土地组织可行性研究工作,成本相关数据收集及主要分工如下:(1)市场开发中心负责红线内外地块信息考察、收集,负责政府规划要点信息、报批报建等规费信息收集;(2)营销管理中心进行项目初步定位,明确项目装修标准、各类产品售价,提供初步营销费用预算;(3)规划设计部依据项目初步定位提供规划设计草案,提供完整的设计草案指标说明,明确建筑风格、建筑栋数、楼宇高度、主要户型、分户建筑面积、小区总体规划布局、景观绿化、车位安排、会所等附属设施,提供初步设计费用预算;(4)成本核算中心收集上述资料,根据政府规划要点和相关资料核实设计草案指标的完整、准确性,结合项目《政府规费表》、《初步产品建议书》、《可行性论证规划草案指标说明》《可研阶段成本估算表》项目可研工作依据计划开展,规划设计草案完成后2个工作日内完成成本估算第5页共109页第4页共109页编号:时间:2021年x月x日书山有路勤为径,学海无涯苦作舟页码:第5页共109页定位、经验数据、含量及材料市场价格等信息在2个工作日内完成可研阶段成本估算;(5)财务管理中心汇总...

1、当您付费下载文档后,您只拥有了使用权限,并不意味着购买了版权,文档只能用于自身使用,不得用于其他商业用途(如 [转卖]进行直接盈利或[编辑后售卖]进行间接盈利)。
2、本站所有内容均由合作方或网友上传,本站不对文档的完整性、权威性及其观点立场正确性做任何保证或承诺!文档内容仅供研究参考,付费前请自行鉴别。
3、如文档内容存在违规,或者侵犯商业秘密、侵犯著作权等,请点击“违规举报”。

碎片内容

某集团成本管理制度奖罚准则

确认删除?
VIP
微信客服
  • 扫码咨询
会员Q群
  • 会员专属群点击这里加入QQ群
客服邮箱
回到顶部