电脑桌面
添加小米粒文库到电脑桌面
安装后可以在桌面快捷访问

承插型盘扣式钢管支架计算书VIP免费

承插型盘扣式钢管支架计算书_第1页
1/70
承插型盘扣式钢管支架计算书_第2页
2/70
承插型盘扣式钢管支架计算书_第3页
3/70
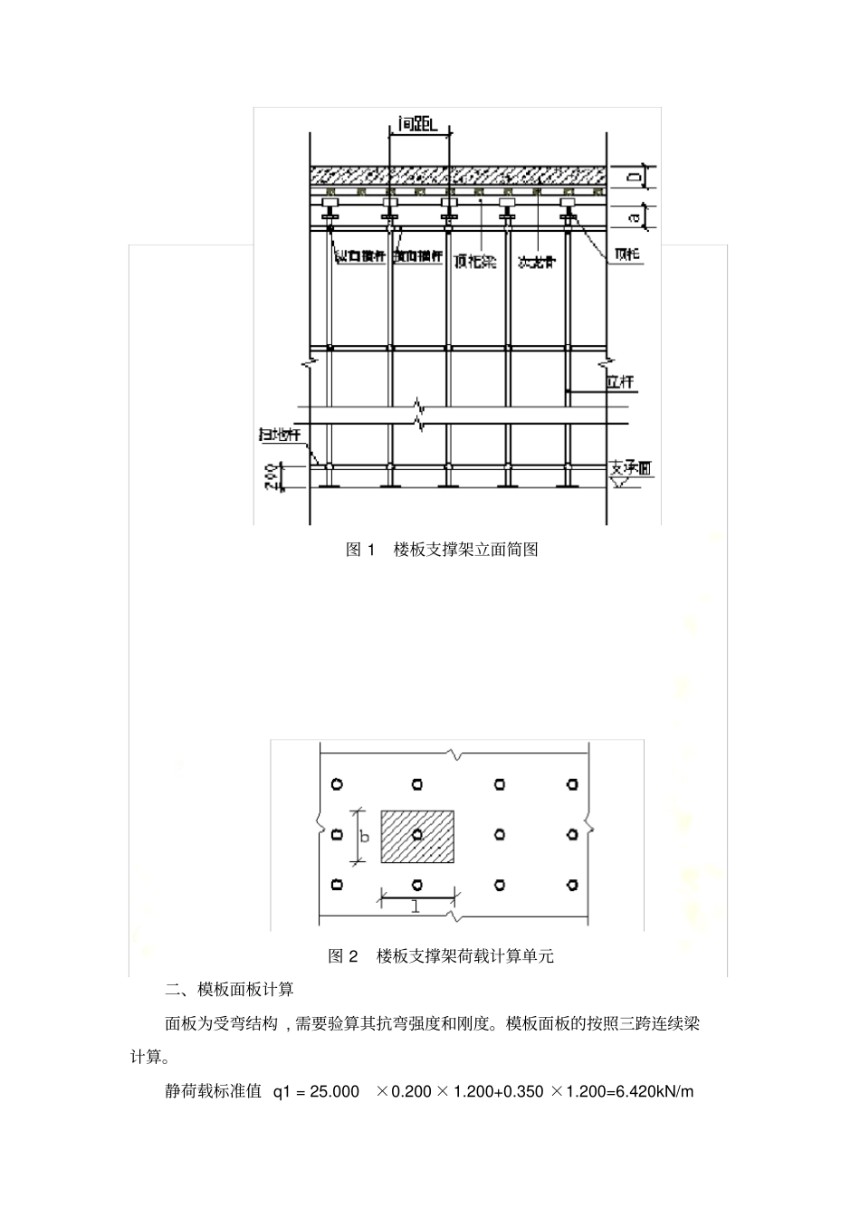
承插型盘扣式钢管支架计算书10、模板支架设计及计算10.1地下室顶板支架计算(板厚200mm):计算依据《建筑施工碗扣式钢管脚手架安全技术规范》(JGJ166-2008)。一、计算参数:模板支架搭设高度为4.8m,立杆的纵距b=1.20m,立杆的横距l=1.20m,立杆的步距h=1.20m。面板厚度18mm,剪切强度1.4N/mm2,抗弯强度15.0N/mm2,弹性模量6000.0N/mm4。木方50×100mm,间距250mm,剪切强度1.6N/mm2,抗弯强度13.0N/mm2,弹性模量9500.0N/mm4。梁顶托采用双钢管48×3.5mm。模板自重0.35kN/m2,混凝土钢筋自重25.00kN/m3,施工活荷载3.00kN/m2。扣件计算折减系数取1.00。图1楼板支撑架立面简图图2楼板支撑架荷载计算单元二、模板面板计算面板为受弯结构,需要验算其抗弯强度和刚度。模板面板的按照三跨连续梁计算。静荷载标准值q1=25.000×0.200×1.200+0.350×1.200=6.420kN/m活荷载标准值q2=(2.000+1.000)×1.200=3.600kN/m面板的截面惯性矩I和截面抵抗矩W分别为:本算例中,截面惯性矩I和截面抵抗矩W分别为:W=120.00×1.80×1.80/6=64.80cm3;I=120.00×1.80×1.80×1.80/12=58.32cm4;(1)抗弯强度计算f=M/W<[f]其中f——面板的抗弯强度计算值(N/mm2);M——面板的最大弯距(N.mm);W——面板的净截面抵抗矩;[f]——面板的抗弯强度设计值,取15.00N/mm2;M=0.100ql2其中q——荷载设计值(kN/m);经计算得到M=0.100×(1.20×6.420+1.4×3.600)×0.250×0.250=0.080kN.m经计算得到面板抗弯强度计算值f=0.080×1000×1000/64800=1.229N/mm2面板的抗弯强度验算f<[f],满足要求!(2)抗剪计算[可以不计算]T=3Q/2bh<[T]其中最大剪力Q=0.600×(1.20×6.420+1.4×3.600)×0.250=1.912kN截面抗剪强度计算值T=3×1912.0/(2×1200.000×18.000)=0.133N/mm2截面抗剪强度设计值[T]=1.40N/mm2抗剪强度验算T<[T],满足要求!(3)挠度计算v=0.677ql4/100EI<[v]=l/250面板最大挠度计算值v=0.677×6.420×2504/(100×6000×583200)=0.049mm面板的最大挠度小于250.0/250,满足要求!三、模板支撑木方的计算木方按照均布荷载下连续梁计算。1.荷载的计算(1)钢筋混凝土板自重(kN/m):q11=25.000×0.200×0.250=1.250kN/m(2)模板的自重线荷载(kN/m):q12=0.350×0.250=0.088kN/m(3)活荷载为施工荷载标准值与振捣混凝土时产生的荷载(kN/m):经计算得到,活荷载标准值q2=(1.000+2.000)×0.250=0.750kN/m静荷载q1=1.20×1.250+1.20×0.088=1.605kN/m活荷载q2=1.40×0.750=1.050kN/m2.木方的计算按照三跨连续梁计算,最大弯矩考虑为静荷载与活荷载的计算值最不利分配的弯矩和,计算公式如下:均布荷载q=3.186/1.200=2.655kN/m最大弯矩M=0.1ql2=0.1×2.66×1.20×1.20=0.382kN.m最大剪力Q=0.6×1.200×2.655=1.912kN最大支座力N=1.1×1.200×2.655=3.505kN本算例中,截面惯性矩I和截面抵抗矩W分别为:W=5.00×10.00×10.00/6=83.33cm3;I=5.00×10.00×10.00×10.00/12=416.67cm4;(1)木方抗弯强度计算抗弯计算强度f=0.382×106/83333.3=4.59N/mm2木方的抗弯计算强度小于13.0N/mm2,满足要求!(2)木方抗剪计算[可以不计算]最大剪力的计算公式如下:Q=0.6ql截面抗剪强度必须满足:T=3Q/2bh<[T]截面抗剪强度计算值T=3×1912/(2×50×100)=0.573N/mm2截面抗剪强度设计值[T]=1.60N/mm2木方的抗剪强度计算满足要求!(3)木方挠度计算均布荷载通过上面变形受力图计算的最大支座力除以跨度得到1.338kN/m最大变形v=0.677×1.338×1200.04/(100×9500.00×4166666.8)=0.474mm木方的最大挠度小于1200.0/250,满足要求!四、托梁的计算托梁按照集中与均布荷载下多跨连续梁计算。集中荷载取木方的支座力P=3.505kN;均布荷载取托梁的自重q=0.092kN/m。1200120012003.50kN3.50kN3.50kN3.50kN3.50kN3.50kN3.50kN3.50kN3.50kN3.50kN3.50kN3.50kN3.50kN3.50kN3.50kN0.09kN/mAB托梁计算简图1.6632.063托梁弯矩图(kN.m)7.837.824.324.300.790.772.742.766.266.299.799.818.828.815.305.281.781.751.751.785.285.308.818.829.819.796.296.262.762.740.770.794.304.327.827.83托梁剪力图(kN)变形的计算按照规范要求采用静荷载标准值,受力图与计算结果如下:120012001200...

1、当您付费下载文档后,您只拥有了使用权限,并不意味着购买了版权,文档只能用于自身使用,不得用于其他商业用途(如 [转卖]进行直接盈利或[编辑后售卖]进行间接盈利)。
2、本站所有内容均由合作方或网友上传,本站不对文档的完整性、权威性及其观点立场正确性做任何保证或承诺!文档内容仅供研究参考,付费前请自行鉴别。
3、如文档内容存在违规,或者侵犯商业秘密、侵犯著作权等,请点击“违规举报”。

碎片内容

承插型盘扣式钢管支架计算书

爱的疯狂+ 关注
实名认证
内容提供者

该用户很懒,什么也没介绍

确认删除?
VIP
微信客服
  • 扫码咨询
会员Q群
  • 会员专属群点击这里加入QQ群
客服邮箱
回到顶部