电脑桌面
添加小米粒文库到电脑桌面
安装后可以在桌面快捷访问

水晶国际11号楼幼儿园施工组织设计VIP免费

水晶国际11号楼幼儿园施工组织设计_第1页
1/94
水晶国际11号楼幼儿园施工组织设计_第2页
2/94
水晶国际11号楼幼儿园施工组织设计_第3页
3/94
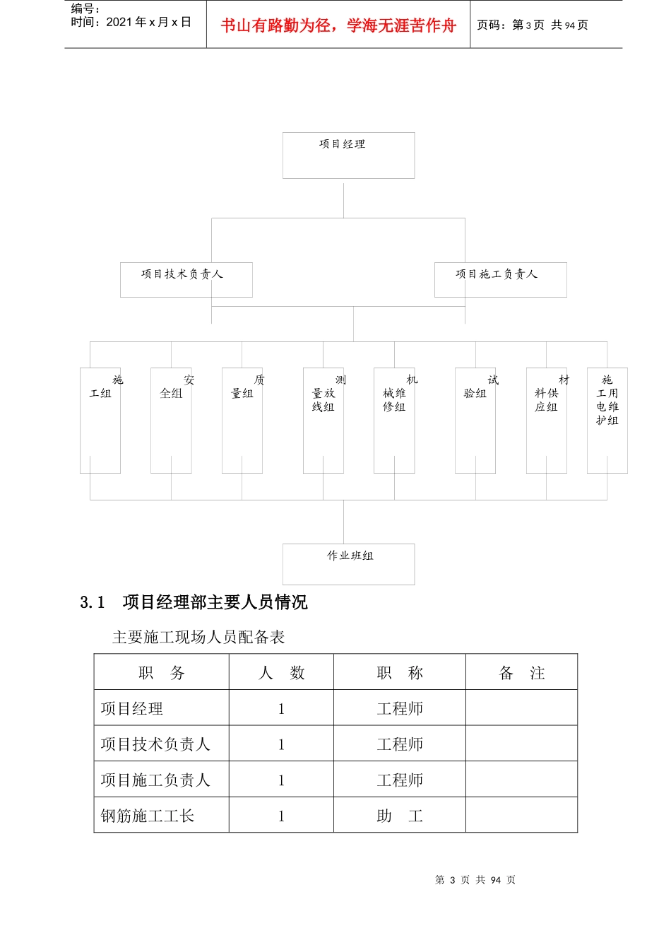
第1页共94页编号:时间:2021年x月x日书山有路勤为径,学海无涯苦作舟页码:第1页共94页第一章工程概况1.1编制依据1、雄飞·水晶国际11#楼施工图2、地堪单位提供的工程地质勘察报告、地形图3、规划单位提供的工程测量控制网1.2、建筑概况本工程位于威远县二环路与花城路交叉口,雄飞·水晶国际小区内,建筑基底面积:598.71M²,总建筑面积:3538.23M²,幼儿园建筑面积:1853.53M²,地下室面积:1684.70M²。建筑高度:14.1M,建筑层数:地下1F,地上3F。地下室层高:4.2M,地上层高:3.6M。设计标高:±0.000,相当于海拔高程324.000,室内外高差0.45。工程名称:威远县雄飞·水晶国际11号楼(幼儿园)工程地点:威远县二环路与花城路交叉口雄飞·水晶国际小区建设单位:威远雄飞水晶房地产开发有限责任公司设计单位:四川远建建筑工程设计有限公司监理单位:四川四强建设项目管理有限公司施工单位:自贡市赛狮建筑安装有限责任公司第2页共94页第1页共94页编号:时间:2021年x月x日书山有路勤为径,学海无涯苦作舟页码:第2页共94页第二章施工目标2.1工期目标计划2012年8月15日开工,年月日完工,工期天。2.2质量目标确保工程的各项检测达到合格标准。2.3成本目标保证工程的成本比预期成本降低3.8%。2.4安全生产目标坚持“安全第一,预防为主”的方针,保证一般事故频率小于1.5‰,重伤和死亡为零,在施工期间杜绝一切重大安全质量事故。2.5文明施工和环保目标强化施工现场科学管理,满足现场环保要求,创一流水平,建成市级文明样板工地。第三章施工管理组织本工程根据其特点,在现场成立了项目经理部,实施总承包管理模式由项目经理,项目技术负责人,施工技术负责人组成。负责对工程的领导、决策、指挥、协调、指挥等事宜,对工程的进度、成本、质量、安全和现场文明等负责全部责任。项目管理机构体系如下:第3页共94页第2页共94页编号:时间:2021年x月x日书山有路勤为径,学海无涯苦作舟页码:第3页共94页3.1项目经理部主要人员情况主要施工现场人员配备表职务人数职称备注项目经理1工程师项目技术负责人1工程师项目施工负责人1工程师钢筋施工工长1助工项目经理项目技术负责人项目施工负责人施工组安全组质量组测量放线组机械维修组试验组材料供应组施工用电维护组作业班组第4页共94页第3页共94页编号:时间:2021年x月x日书山有路勤为径,学海无涯苦作舟页码:第4页共94页水电施工工长1工程师质量员1工程师安全员1材料员23.1.1项目部职责(1)施工组,负责施工的全面过程控制,严格控制分项工程施工工序,落实技术交底,严把质量进度关,保证工程目标实现。(2)测量组,负责施工现场测量工作。(3)机械维修组,负责施工现场施工机械的维护保养。(4)质量组,负责制定质量保证体系,对施工中的工程质量进行严格控制,严格进行质量检查和质量状况分析。(5)安全组,负责工程安全保卫、消防工作,保证工程的顺利进行。(6)实验组,负责现场钢筋取样,水泥试块制作及送检。(7)材料供应组,负责施工现场材料的采购,施工机械的租赁。(8)施工用电维护组,对施工现场用电进行维护。3.1.2人员职责1.项目经理职责(1)是工程项目总负责人,向上级主管负责。(2)贯彻公司经营方针,制定项目目标,全面履行工程承包合同规范的责任。(3)组织机构的建立和人员安排及确定职责范围。第5页共94页第4页共94页编号:时间:2021年x月x日书山有路勤为径,学海无涯苦作舟页码:第5页共94页(4)对公司质量保证手册和有关程序文件的贯彻执行。(5)负责经理部内部责任状的签订。(6)负责分包工程合同的签订。(7)负责工程施工款项的审批,工程款的回收。(8)负责工程的安全生产。2.项目技术负责人职责:负责质量体系运行和管理,审批“项目质量计划”,参与编制总进度计划,审定分部、分项计划,与业主或其代表协调解决工作中的问题,负责材料质量检验和试验,对施工工艺和工程质量进行检查监督,对不合格处更正,主持有关工程技术、质量问题会议,负责问题会议,负责对工程的最终检验和试验的组织工作。3.项目施工负责人职责:在项目经理的统一领导下,按照工作分工履行职责、努力工作,执行公...

1、当您付费下载文档后,您只拥有了使用权限,并不意味着购买了版权,文档只能用于自身使用,不得用于其他商业用途(如 [转卖]进行直接盈利或[编辑后售卖]进行间接盈利)。
2、本站所有内容均由合作方或网友上传,本站不对文档的完整性、权威性及其观点立场正确性做任何保证或承诺!文档内容仅供研究参考,付费前请自行鉴别。
3、如文档内容存在违规,或者侵犯商业秘密、侵犯著作权等,请点击“违规举报”。

碎片内容

水晶国际11号楼幼儿园施工组织设计

确认删除?
VIP
微信客服
  • 扫码咨询
会员Q群
  • 会员专属群点击这里加入QQ群
客服邮箱
回到顶部