电脑桌面
添加小米粒文库到电脑桌面
安装后可以在桌面快捷访问

实战资料之岗位价值分析VIP免费

实战资料之岗位价值分析_第1页
1/8
实战资料之岗位价值分析_第2页
2/8
实战资料之岗位价值分析_第3页
3/8
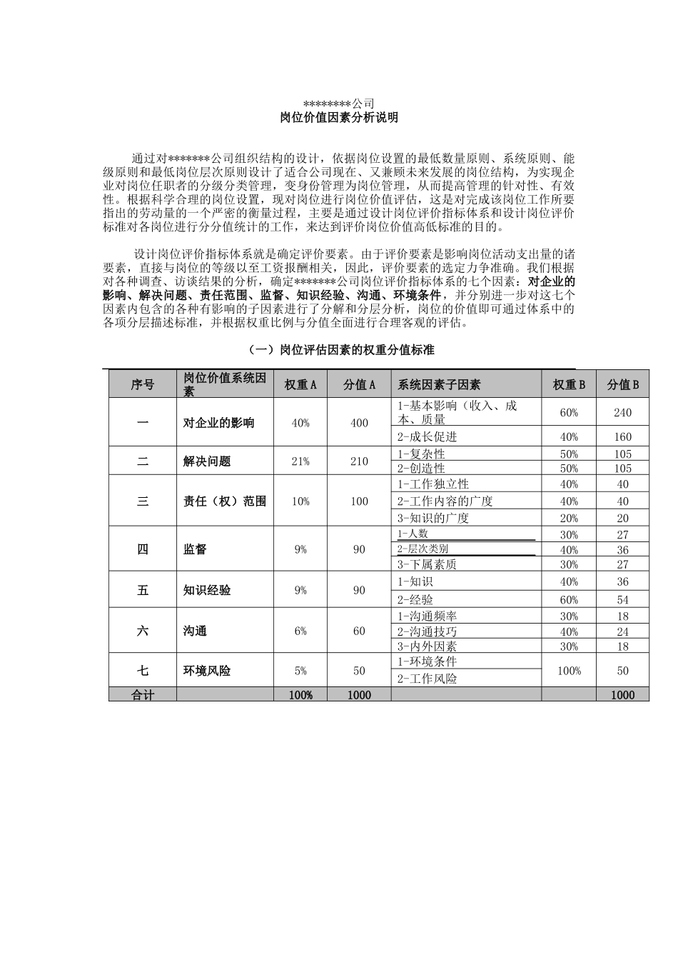
********公司岗位价值因素分析说明通过对*******公司组织结构的设计,依据岗位设置的最低数量原则、系统原则、能级原则和最低岗位层次原则设计了适合公司现在、又兼顾未来发展的岗位结构,为实现企业对岗位任职者的分级分类管理,变身份管理为岗位管理,从而提高管理的针对性、有效性。根据科学合理的岗位设置,现对岗位进行岗位价值评估,这是对完成该岗位工作所要指出的劳动量的一个严密的衡量过程,主要是通过设计岗位评价指标体系和设计岗位评价标准对各岗位进行分分值统计的工作,来达到评价岗位价值高低标准的目的。设计岗位评价指标体系就是确定评价要素。由于评价要素是影响岗位活动支出量的诸要素,直接与岗位的等级以至工资报酬相关,因此,评价要素的选定力争准确。我们根据对各种调查、访谈结果的分析,确定*******公司岗位评价指标体系的七个因素:对企业的影响、解决问题、责任范围、监督、知识经验、沟通、环境条件,并分别进一步对这七个因素内包含的各种有影响的子因素进行了分解和分层分析,岗位的价值即可通过体系中的各项分层描述标准,并根据权重比例与分值全面进行合理客观的评估。(一)岗位评估因素的权重分值标准序号岗位价值系统因素权重A分值A系统因素子因素权重B分值B一对企业的影响40%4001-基本影响(收入、成本、质量60%2402-成长促进40%160二解决问题21%2101-复杂性50%1052-创造性50%105三责任(权)范围10%1001-工作独立性40%402-工作内容的广度40%403-知识的广度20%20四监督9%901-人数30%272-层次类别40%363-下属素质30%27五知识经验9%901-知识40%362-经验60%54六沟通6%601-沟通频率30%182-沟通技巧40%243-内外因素30%18七环境风险5%501-环境条件100%502-工作风险合计100%10001000(二)岗位评估因素体系分析说明一、对企业的影响(权重40%,400分):指本岗位工作结果给企业带来的影响程度,其包括两方面子因素,基本影响和成长促进。1、基本影响(60%,240分):包括收入、成本、质量3方面的影响。“关系到”是指直接的影响;“领域”:指某个专业职能;“区域”指公司特有的一个大的销售市场;“地区”指区域下的基本销售市场单位;1)收入(50%):按该岗位对公司收入的影响程度分为六级。2)成本(费用)(30%):按成本费用管控范围的弹性对公司的影响。分为以下五级。3)质量(20%):指产品质量。以质量责任大小来分六级。表1-1岗位价值之“对企业影响”之“基本影响”子因素关系分值表收入(50%)级别代码级别内容加分值1级-无直接的影响52级-关系到某个地区的局部收入203级-关系到一个项目的局部或某个地区的收入454级-关系到某个区域或某个项目的收入705级-关系到某几个区域或项目的收入1006级-关系到全局的收入120成本费用(30%)1级-关系到局部单项工作的成本或间接控制和影响某个项目或领域的局部成本102级-关系到某个项目或领域的局部成本或间接控制和影响某个领域的成本253级-关系到某个领域的成本或间接控制和影响某几个领域的成本454级-关系到某几个领域的成本或间接控制和影响全局成本605级-关系到全局成本72质量(20%)1级-对某类作业局部环节质量负责82级-对某类作业质量的负责163级-对质量的控制负责224级-对质量体系的一个方面负责305级-对质量体系的两个以上方面负责406级对质量体系整体负责48机密与运营风险加分:1级(关系到某些产品配方与客户资料机密):加10分;2级机密(关系到某类产品配方与客户资料、商业计划、股证信息):加20分;3级机密(所有的产品配方与客户资料,商业计划、股证信息):加30分;价值评估公式-5-1:“基本影响”子因素分值=成本+收入+质量+机密加分2、成长促进(40%):指该岗位对公司战略及中长期发展的贡献或对公司整体运营风险的控制。根据贡献大小程度分为八级,无贡献为零。表1-2岗位价值之“对企业影响”之“成长促进”加分表成长促进1级-无明显贡献2级-项目的局部贡献3级-某个领域的单个项目贡献4级-某个领域的多个项目贡献5级-领域贡献6级-子战略贡献7级-多个子战略贡献8级-整体战略性贡献加分值1030507090120140160价值评估公式-5-2:“对企业影响”因素分值=“基本影响”子因...

1、当您付费下载文档后,您只拥有了使用权限,并不意味着购买了版权,文档只能用于自身使用,不得用于其他商业用途(如 [转卖]进行直接盈利或[编辑后售卖]进行间接盈利)。
2、本站所有内容均由合作方或网友上传,本站不对文档的完整性、权威性及其观点立场正确性做任何保证或承诺!文档内容仅供研究参考,付费前请自行鉴别。
3、如文档内容存在违规,或者侵犯商业秘密、侵犯著作权等,请点击“违规举报”。

碎片内容

实战资料之岗位价值分析

海纳百川+ 关注
实名认证
内容提供者

热爱教学事业,对互联网知识分享很感兴趣

确认删除?
VIP
微信客服
  • 扫码咨询
会员Q群
  • 会员专属群点击这里加入QQ群
客服邮箱
回到顶部