电脑桌面
添加小米粒文库到电脑桌面
安装后可以在桌面快捷访问

危险化学品生产企业安全生产许可证变更申请书VIP免费

危险化学品生产企业安全生产许可证变更申请书_第1页
1/8
危险化学品生产企业安全生产许可证变更申请书_第2页
2/8
危险化学品生产企业安全生产许可证变更申请书_第3页
3/8
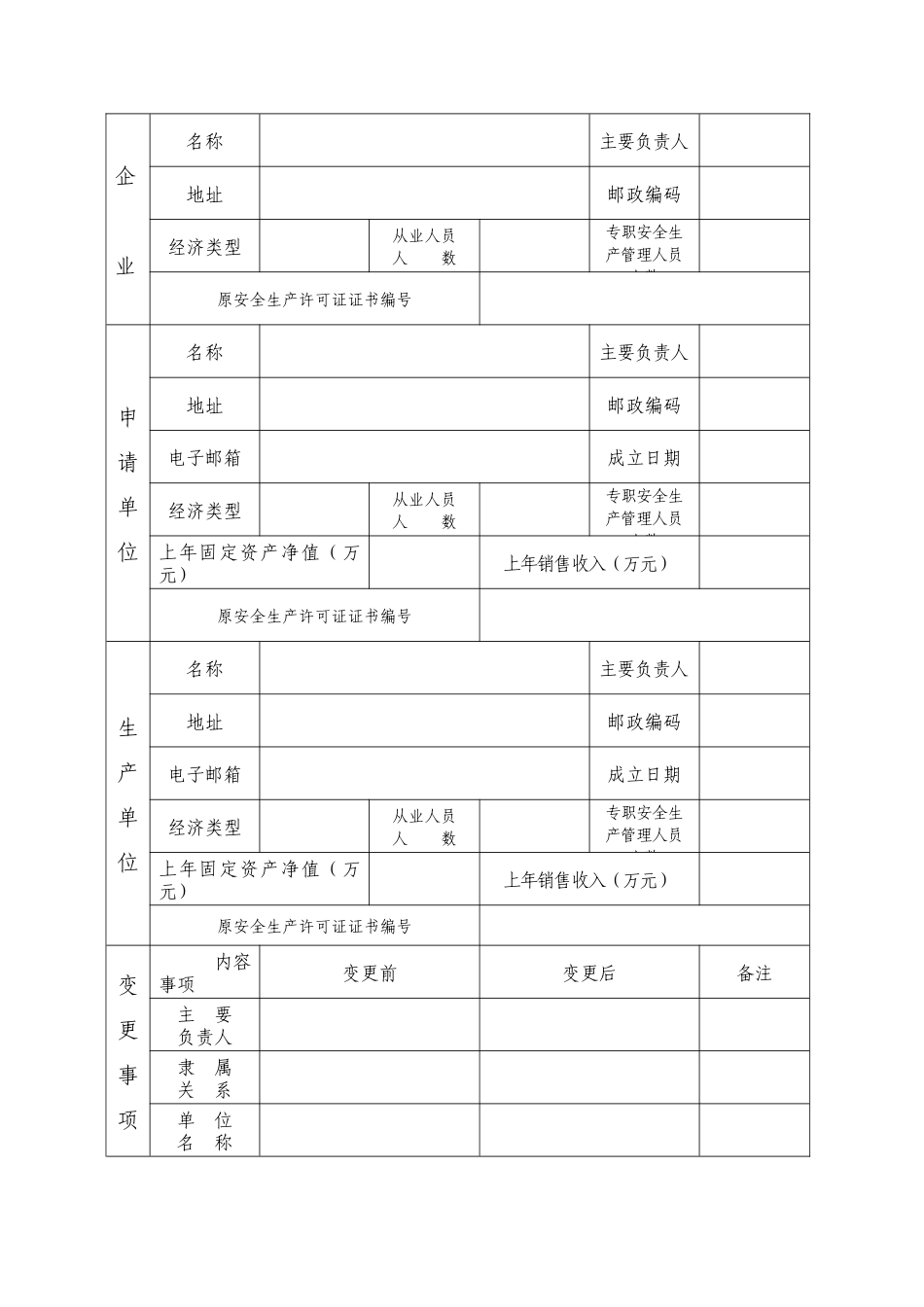
申请编号:受理编号:申请日期:受理日期:危险化学品生产企业安全生产许可证变更申请书申请单位生产单位经办人联系电话填写日期安徽省安全生产监督管理局制样填写说明一、本申请书封面“申请编号”、“申请日期”、“受理编号”、“受理日期”由安全生产许可证颁发管理机关受理人填写,本申请书的其他内容由申请安全生产许可证的单位填写。二、本申请书用钢笔、签字笔填写或者用打印机打印文本,字迹要清晰、工整。三、本申请书中“企业”,是指生产单位(或者申请单位)隶属的依法设立且取得企业法人营业执照的危险化学品生产企业;“申请单位”是指按照《危险化学品生产企业安全生产许可证实施办法》第十七条规定,申请领取安全生产许可证的企业、企业所属子公司、中央管理的企业所属分公司;“生产单位”是指企业所属分公司、子公司下属的生产单位。四、本申请书表格的填写方法:⒈危险化学品生产企业申请变更安全生产许可证的,只填写“申请单位”、“变更事项”和“申请单位意见”栏;⒉危险化学品生产企业所属分公司、子公司申请变更安全生产许可证的,除分别填写“申请单位”、“变更事项”和“申请单位意见”栏外,还要分别填写“企业”和“企业意见”栏;⒊危险化学品生产企业所属分公司、子公司下属生产单位申请变更安全生产许可证的,则填写全部栏目。五、本申请书表格中“成立日期”栏,填写批准成立的日期。六、本申请书表格中企业的“名称”栏,填写工商登记名称;单位的“名称”栏,填写全称;企业的“地址”栏,填写工商登记地址;单位的“地址”栏,填写所在地详细地址。七、本申请书表格中企业的“经济类型”栏,按照国家统计局和原国家工商行政管理局《关于划分企业登记注册类型的规定》(国统字〔1998〕200号)的规定,填写企业登记注册类型代码即可。八、本申请书“变更事项”中“变更内容”栏,填写变更前后“主要负责人”的姓名或者隶属单位(或者企业)的名称或者工商登记注册的单位名称。九、本申请书表格中“申请变更范围”栏的“产品名称”,应填写该产品或者其主要成份符合《化学命名原则》(1980)的中文化学名;“生产能力”,应填写该产品的年设计生产量,计量单位为吨;“工艺系统”,应填写该产品的生产工艺、主要设备等。十、本申请书表格中“备注”栏的“生产原料”,应填写生产该产品所需要的主要原料名称;“验收文号”,应填写该产品的生产系统投产前验收部门出具验收合格文件的编号;“投产日期”,应填写该产品的生产系统正式投产的日期。十一、本申请书表格中“申请变更范围”和“备注”栏,不能满足需要时,申请单位可自行设置续表,格式和内容要求应与本表一致。企业名称主要负责人地址邮政编码经济类型从业人员人数专职安全生产管理人员人数原安全生产许可证证书编号申请单位名称主要负责人地址邮政编码电子邮箱成立日期经济类型从业人员人数专职安全生产管理人员人数上年固定资产净值(万元)上年销售收入(万元)原安全生产许可证证书编号生产单位名称主要负责人地址邮政编码电子邮箱成立日期经济类型从业人员人数专职安全生产管理人员人数上年固定资产净值(万元)上年销售收入(万元)原安全生产许可证证书编号变更事项内容事项变更前变更后备注主要负责人隶属关系单位名称变更事项内容项目申请变更范围备注产品名称生产能力工艺系统生产原料验收文号投产日期新建危险化学品生产建设项目改建危险化学品生产建设项目扩建危险化学品生产建设项目企业意见主要负责人(签字):(公章)年月日申请单位主要负责人(签字):(公章)年月日生产单位主要负责人(签字):(公章)年月日市、县(市、区)安全生产监督管理局危险化学品生产企业安全生产许可证变更申请审理意见表县(市、区)安全监管局意见安全监管局负责人(签字):承办机关(盖章)年月日市安全监管局意见安全监管局负责人(签字):承办机关(盖章)年月日注:市安全监管局接收企业变更申请后,将审理意见填入本表内,如填写不下,可另附页。关于办理变更安全生产许可证须知根据国家局10号令第二十六条的规定,危险化学品生产企业在安全生产许可证有效期内有下列情形...

1、当您付费下载文档后,您只拥有了使用权限,并不意味着购买了版权,文档只能用于自身使用,不得用于其他商业用途(如 [转卖]进行直接盈利或[编辑后售卖]进行间接盈利)。
2、本站所有内容均由合作方或网友上传,本站不对文档的完整性、权威性及其观点立场正确性做任何保证或承诺!文档内容仅供研究参考,付费前请自行鉴别。
3、如文档内容存在违规,或者侵犯商业秘密、侵犯著作权等,请点击“违规举报”。

碎片内容

危险化学品生产企业安全生产许可证变更申请书

确认删除?
VIP
微信客服
  • 扫码咨询
会员Q群
  • 会员专属群点击这里加入QQ群
客服邮箱
回到顶部