电脑桌面
添加小米粒文库到电脑桌面
安装后可以在桌面快捷访问

汽车修理工(高级)评分记录表VIP免费

汽车修理工(高级)评分记录表_第1页
1/59
汽车修理工(高级)评分记录表_第2页
2/59
汽车修理工(高级)评分记录表_第3页
3/59
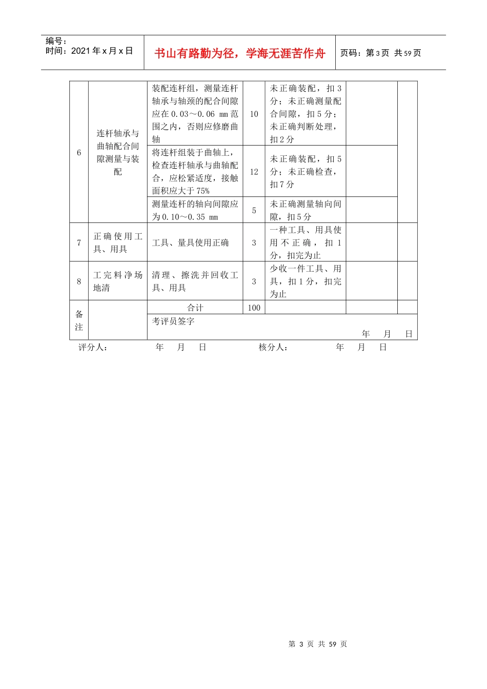
第1页共59页编号:时间:2021年x月x日书山有路勤为径,学海无涯苦作舟页码:第1页共59页序号试题名称配分(权重)得分备注1选配发动机连杆轴承22自动变速器行星齿轮组检修23变速器总成的装配24检修制动阀总成25检修霍尔式点火系26差速器的检查与组装27自动变速箱液压泵的检修28变速器零件检修29检修发电机210电喷发动机氧传感器工作状况的检查211主减速器的检修212计算汽缸镗削量、选配活塞213柴油车喷油器的检查与调整214检修气门液压挺杆215在没有记号的情况下安装发动机正时齿轮216电喷发动机冷启动不良的检修417连杆轴承异响的诊断与排除418变速器轴承、齿轮异响的诊断419汽油发动机油、电路混合故障的排除420变速器跳挡故障的诊断421汽车轮胎异常磨损的判断和分析422汽车行驶跑偏的检修423柴油发动机排烟异常的诊断424曲轴主轴承异响的诊断与排除425发动机活塞敲缸响的判断分析426四轮定位仪的使用及数据分析027用V.A.G1551诊断测试仪读取ABS故障码028尾气检测仪的使用0第2页共59页第1页共59页编号:时间:2021年x月x日书山有路勤为径,学海无涯苦作舟页码:第2页共59页试题1、选配发动机连杆轴承序号考试内容考试要求(评分要求)配分评分标准扣分检测结果得分1劳动用品穿戴劳保用品穿戴齐全2穿戴不全不得分2正确选用工具、量具、材料选用工具、用具、材料齐全准确5选错1件,扣1分,扣完为止3清洗曲轴及连杆清洗曲轴、连杆及油道5未清洗,扣5分检查曲轴轴颈及连杆轴承座孔表面,应无异常磨损,有毛刺应清除5未正确检查,扣5分4测量曲轴轴径及连杆轴承座孔测量轴径圆度、圆柱度,其误差应小于0.01mm10未正确测量,扣8分;标准不清,扣2分不装连杆轴承,装配连杆轴承盖,按规定扭矩(98~118N·m)扭紧连杆螺栓5未正确安装,扣5分;连杆螺栓扭紧力矩不符合标准,扣2分测量连杆轴承座孔的圆度、圆柱度误差,应小于0.025mm10未正确测量,扣8分;标准不清,扣2分5选择检查连杆轴承按所测轴颈尺寸选择连杆轴承5选错轴承尺寸级别,扣5分检查连杆轴承有无裂纹,轴承合金有无脱落5不会检查,扣5分检查定位凸榫是否标准5不会检查,扣5分检查轴承两端与轴承座平面的高出量(0.04~0.08mm)10不会检查,扣5分;轴承两端高出量不合标准未做处理,扣5分29绘制装配图030发动机竣工验收(口述)031连杆的检测与校正0合计70第3页共59页第2页共59页编号:时间:2021年x月x日书山有路勤为径,学海无涯苦作舟页码:第3页共59页6连杆轴承与曲轴配合间隙测量与装配装配连杆组,测量连杆轴承与轴颈的配合间隙应在0.03~0.06mm范围之内,否则应修磨曲轴10未正确装配,扣3分;未正确测量配合间隙,扣5分;未正确判断处理,扣2分将连杆组装于曲轴上,检查连杆轴承与曲轴配合,应松紧适度,接触面积应大于75%12未正确装配,扣5分;未正确检查,扣7分测量连杆的轴向间隙应为0.10~0.35mm5未正确测量轴向间隙,扣5分7正确使用工具、用具工具、量具使用正确3一种工具、用具使用不正确,扣1分,扣完为止8工完料净场地清清理、擦洗并回收工具、用具3少收一件工具、用具,扣1分,扣完为止备注合计100考评员签字年月日评分人:年月日核分人:年月日第4页共59页第3页共59页编号:时间:2021年x月x日书山有路勤为径,学海无涯苦作舟页码:第4页共59页试题2、自动变速器行星齿轮组检修序号考试内容考试要求(评分要求)配分评分标准扣分检测结果得分1劳动用品穿戴劳动用品穿戴齐全2穿戴不全不得分2正确选用工具、量具、材料选用工具、用具材料齐全准确3选错1件,扣1分,扣完为止3零件检查检查从动齿轮及其外壳制动带接触表面有无损伤、拉毛,如较轻微可用油石修磨,严重的应更换10不会检查,扣8分;不懂修复方法,扣2分检测行星齿轮及太阳轮支架有无异常、损伤,轻微可修复,严重应更换10不会检查,扣8分;不懂修复方法,扣2分检查行星齿轮销是否松动,如有松动应铆接或更换10不会检查,扣8分;不懂修复方法,扣2分检查各齿轮表面有无异常磨损、啮合面异常,如有应更换10不会检查,扣10分间隙检查检查行星齿侧隙,一般车型为0.20~0.60mm,过大应调整或更换15不会检查,扣10分;数据不清,扣5分;不...

1、当您付费下载文档后,您只拥有了使用权限,并不意味着购买了版权,文档只能用于自身使用,不得用于其他商业用途(如 [转卖]进行直接盈利或[编辑后售卖]进行间接盈利)。
2、本站所有内容均由合作方或网友上传,本站不对文档的完整性、权威性及其观点立场正确性做任何保证或承诺!文档内容仅供研究参考,付费前请自行鉴别。
3、如文档内容存在违规,或者侵犯商业秘密、侵犯著作权等,请点击“违规举报”。

碎片内容

汽车修理工(高级)评分记录表

确认删除?
VIP
微信客服
  • 扫码咨询
会员Q群
  • 会员专属群点击这里加入QQ群
客服邮箱
回到顶部