电脑桌面
添加小米粒文库到电脑桌面
安装后可以在桌面快捷访问

洞身Ⅴ级开挖与锚喷支护施工组织设计文字说明VIP免费

洞身Ⅴ级开挖与锚喷支护施工组织设计文字说明_第1页
1/12
洞身Ⅴ级开挖与锚喷支护施工组织设计文字说明_第2页
2/12
洞身Ⅴ级开挖与锚喷支护施工组织设计文字说明_第3页
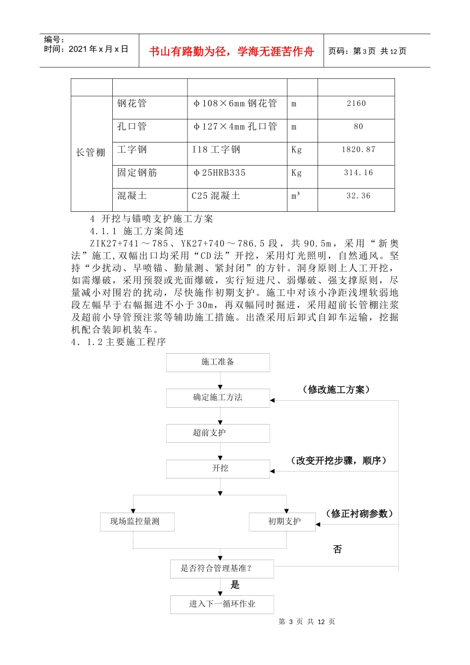
3/12
第1页共12页编号:时间:2021年x月x日书山有路勤为径,学海无涯苦作舟页码:第1页共12页炎陵至汝城(湘粤界)高速公路5标段长旺2号隧道工程出口洞身Ⅴ级开挖与锚喷支护施工组织设计1编制说明1.1编制依据1.1.1江苏省交通规划设计院有限公司2009年9月《炎陵至汝城(湘粤界)高速公路第5合同段两阶段施工图设计(第一.二册,长旺2号隧道)》。1.1.2公路施工有关规范、标准。1.1.3管段内前期土建工程施工进度情况。1.1.4炎陵至汝城高速公路工期要求。1.2编制范围江苏省交通规划设计院有限公司2009年9月《炎陵至汝城(湘粤界)高速公路第5合同段(K25+780~K28+302)两阶段施工图设计(第一、二册)》的《长旺2号隧道)》设计范围内长旺2号隧道工程出口SX-Va段ZIK27+741~785、YK27+740~786.5洞身开挖与锚喷支护。1.3编制原则1.3.1根据资源投入情况和现场施工条件,能够指导现场施工。1.3.2施工进度计划满足工期要求。1.3.3施工工序进度计划,其技术条件满足质量、安全等相关规范要求。2SX-VaZIK27+741~785、YK27+740~786.5段概况2.1ZIK27+741~785、YK27+740~786.5区内地貌类型为丘陵地貌,第2页共12页第1页共12页编号:时间:2021年x月x日书山有路勤为径,学海无涯苦作舟页码:第2页共12页风化剥蚀强烈,位于地势较陡峭的山坡上,隧道洞身部分地势起伏较大,洞门仰坡自然坡度约40~45°。隧道出口段测设线间距约20m,属小净距中隧道。2.2平纵面左幅隧道ZIK27+741~785段位于R=1050的缓和曲线上;右幅隧道YK27+740~786.5段位于R=1000的缓和曲线上。左幅隧道为单向坡,隧道纵坡为2.098%(沿路线前进方向上坡为正)。右幅隧道为单向坡,隧道纵坡为2.070%(沿路线前进方向上坡为正)。2.3ZIK27+741~785、YK27+740~786.5主要工程数量:附表ZIK27+741~785、YK27+740~786.5主要工程数量表项目规格及型号单位数量开挖m³9839.16初期支护喷射混凝土C20m³867.895钢筋网φ8kg8329.62钢支撑20工字钢kg15386.425锚杆D25中空注浆锚杆m39320.28连接钢板A3钢板Kg17195钢架连接钢筋φ22HRB335Kg12672.715锁脚锚杆D25中空注浆锚杆m2111.36超前支护小导管φ42热轧无缝钢管Kg/m7619.3/2295.1水泥浆m³42.93施工准备确定施工方法开挖现场监控量测是否符合管理基准?进入下一循环作业初期支护超前支护第3页共12页第2页共12页编号:时间:2021年x月x日书山有路勤为径,学海无涯苦作舟页码:第3页共12页长管棚钢花管φ108×6mm钢花管m2160孔口管φ127×4mm孔口管m80工字钢I18工字钢Kg1820.87固定钢筋φ25HRB335Kg314.16混凝土C25混凝土m³32.364开挖与锚喷支护施工方案4.1.1施工方案简述ZIK27+741~785、YK27+740~786.5段,共90.5m,采用“新奥法”施工,双幅出口均采用“CD法”开挖,采用灯光照明,自然通风。坚持“少扰动、早喷锚、勤量测、紧封闭”的方针。洞身原则上人工开挖,如需爆破,采用预裂或光面爆破,实行短进尺、弱爆破、强支撑原则,尽量减小对围岩的扰动,尽快施作初期支护。施工中对该小净距浅埋软弱地段左幅早于右幅掘进不小于30m,再双幅同时掘进,采用超前长管棚注浆及超前小导管预注浆等辅助施工措施。出渣采用后卸式自卸车运输,挖掘机配合装卸机装车。4.1.2主要施工程序(修改施工方案)(改变开挖步骤,顺序)(修正衬砌参数)否是第4页共12页第3页共12页编号:时间:2021年x月x日书山有路勤为径,学海无涯苦作舟页码:第4页共12页4.1.3施工进度安排⑴施工准备:从2010年3月1日份起至2010年4月15日,将施工便道、供电、供水、临时通信设施、生产生活设施修建好;完成施工队伍调迁,机械设备购置及安装,以及双幅出口洞口、明洞、边坡、仰坡的开挖及防护,截水沟修建,场地平整等工作。⑵2010年4月16日,在完成出口双幅套拱及长管棚工程后转入正洞开挖与锚喷支护施工。⑶开挖与锚喷施工安排:①出口于左幅2010年4月16日进洞到2010年5月25全部完成本段开挖及初期支护工期40天。②出口左幅于2010年5月31日开工到2010年6月10日完成开挖及初期支护,工期40天.4.2工期计划:2010年4月16日至2010年6月10日,55天。4.3机械设备计划(见下机械设备计划表)主要施工机械设备计划表序号机械设...

1、当您付费下载文档后,您只拥有了使用权限,并不意味着购买了版权,文档只能用于自身使用,不得用于其他商业用途(如 [转卖]进行直接盈利或[编辑后售卖]进行间接盈利)。
2、本站所有内容均由合作方或网友上传,本站不对文档的完整性、权威性及其观点立场正确性做任何保证或承诺!文档内容仅供研究参考,付费前请自行鉴别。
3、如文档内容存在违规,或者侵犯商业秘密、侵犯著作权等,请点击“违规举报”。

碎片内容

洞身Ⅴ级开挖与锚喷支护施工组织设计文字说明

确认删除?
VIP
微信客服
  • 扫码咨询
会员Q群
  • 会员专属群点击这里加入QQ群
客服邮箱
回到顶部