电脑桌面
添加小米粒文库到电脑桌面
安装后可以在桌面快捷访问

工业品工作人员教育训练教材VIP免费

工业品工作人员教育训练教材_第1页
1/26
工业品工作人员教育训练教材_第2页
2/26
工业品工作人员教育训练教材_第3页
3/26
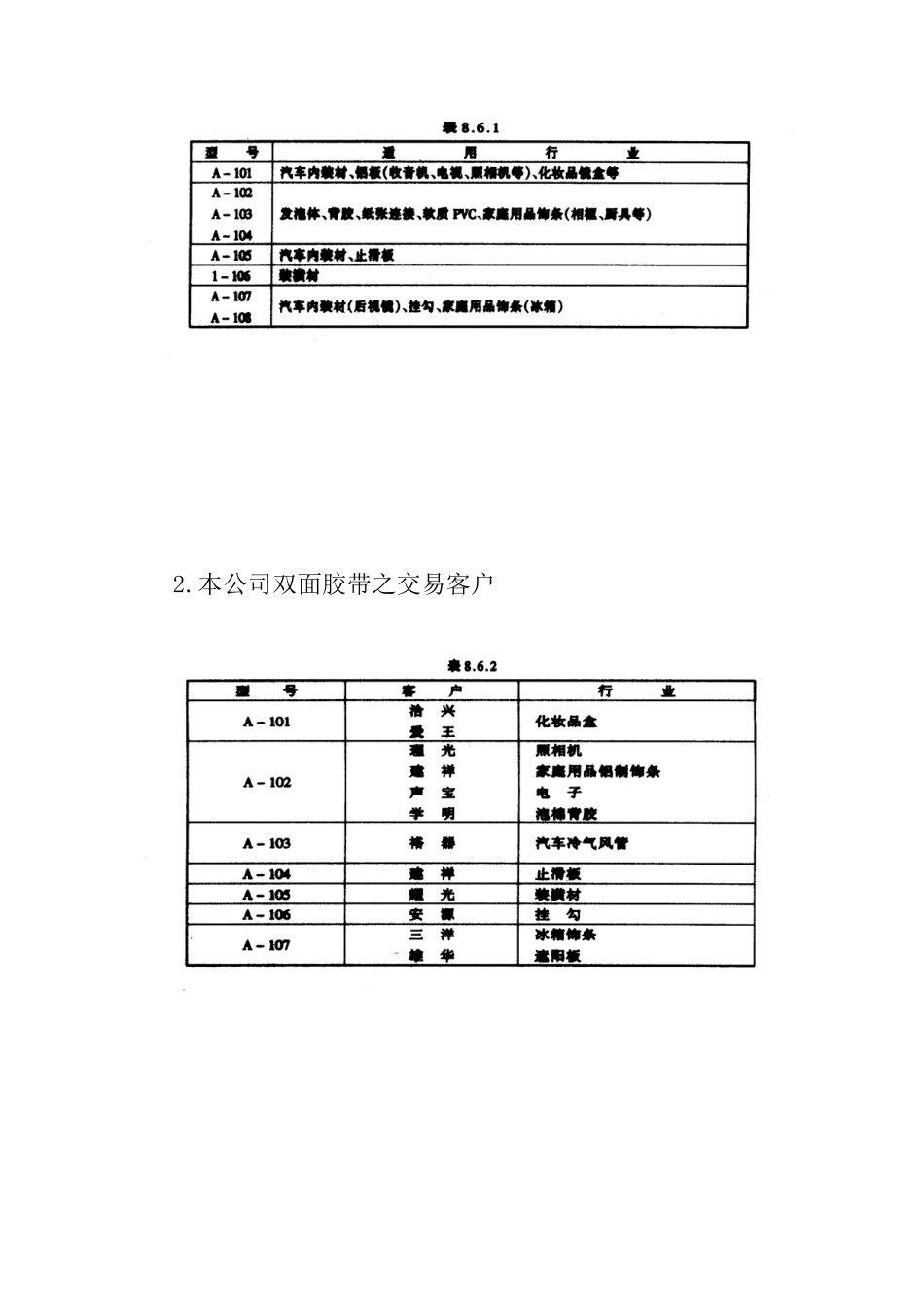
二、工业品工作人员教育训练教材□工业品营业人员寻找客户方法(一)请旧客户介绍。(二)利用拜访现有客户时顺路沿路找寻。(三)电话簿。(四)专业杂志。例:企业名录(五)工业区。(六)某些行业会聚在一起。(七)各县市出版的工厂名录。(八)各同业公会出版的会员名录。(九)报纸的征人广告。(十)在旧客户处发掘新客户。(注意:玻璃垫下的名片)(十一)参观展示会。□润豪化工公司业务员教育训练教材(一)双面胶带1.本公司双面胶带之适用行业2.本公司双面胶带之交易客户3.本公司的竞争对手进口品的主要供应商除本公司外,另有:(1)EM(2)TOYO(3)NITTO(4)SONY4.开拓新客户时,为了解该客户之状况,请依下列顺序向客户发问:(1)双面胶带使用在什么地方?(2)贵公司目前使用哪一家厂牌的双面胶带?(3)使用哪些规格尽寸?(4)贵公司平均月用量多少?(5)有无接着上的问题?(6)请问贵公司对双面胶带的品质要求标准?(7)请教您贵公司对协办厂的要求标准?(8)贵公司目前有没有计划开发新产品?(9)将来我们合作时,有哪些需要本公司配合的地方?5.要求新客户测试之注意事项(1)尽量按标准规格样品测试。(2)面见测试部人员。(3)要求过目或影印一份最后测试结果。(4)确认测试合格后,必须不断追踪采购及设计人员。6.报价(1)第一次拜访新客户时,谈及价钱方面的问题。若客户问及价钱,则要求客户先测试。到时候客户如果测试的结果很满意,自然愿意接受较高的价格。即使客户测试后很满意,但仍坚持要求较低价,也可以对他说:"优待贵公司两批,第三批起必须调高价。”(2)长(m)×宽(m)×价格/m2=价格/卷(3)任何宽度均可裁切供应。7.交货方式(1)有库存者:向仓储部查询库存,若有库存,限存3~4天。(2)无库存者:下订单后45天交货。8.双面胶带在市场常发生的问题及解答(1)客户问:"你们的双面胶带粘不住(或效果不好)?”答:①询问其操作的流程、方式和测试方法,及要求条件。②粘不住的双面胶带,我们绝不会介绍给您。③双面胶带有很多种,不同的材质,使用不同的双面胶带。④询问能否到现场实地了解,并带回样品做试验,以便为其选择最恰当的双面胶带。⑤告知其若有问题,我们会向日本原厂说明,一起来协助解决。(2)客户问:"这批效果比上批差?”答:①实地了解真伪。②询问其使用情形,视其是否有使用不当的情形。1接着看材质是否有改变。2存放日期、方法或地方有无不当。(3)客户问:"你们的价格比别家贵?”答:因为我们的产品是从日本润豪公司原装进口,虽然比本国产品贵,但从接着效果和提升品质的观点来看,不见得会贵,反而划得来,我们卖给贵公司的价格一定合理。(4)客户问:"进口品应该也没这么贵!”答:这是因为汇率的关系。如果从美国进口,汇率上升当然占了很大的便宜。但在基本上,日本的产品管理严格,品质稳定。只要贵公司测试通过,我们一定会给您一个合理的价格。(5)客户问:"你们的双面胶带是进口品,会不会有断货的情形?”答:请您放心。我们每月都有固定的船期,每月都有进货。并会配合客户,依据贵公司的使用量,作安全库存。但这也需要您的配合与帮忙,当贵公司用量增加或改变时,请事先通知我们。目前与我们配合的客户,都不曾发生断货的情形。(6)客户问:"将来正式向你们进货的产品会不会和测试的东西不一样?或是每批货之品质是否相同?”答:本公司一向是从日本原装进口,直接出货给客户。日本润豪公司是世界级大厂商,不可能出这种问题。(二)环氧树脂接着剂1.产品知识内容大纲:(1)化学结构(2)性质与用途1接着力2凝集力3固型④低收缩率⑤低延伸性⑥耐湿气耐溶剂性⑦可加以调整⑧范围的温度耐性(1)缺点1毒性2适用期短3价格稍贵(1)用途分布①土木39.2%②建筑16.4%③电机12.6%④木工8.3%⑤纤维6.0%⑥合板5.3%⑦制鞋5.2%⑧运输4.0%⑨其他3.0%2.施工说明书(略)3.开拓新客户时,为了解客户的状况,请依下列顺序向客户发问:(1)请问贵公司目前使用哪一类的接着剂?使用那一家厂牌?(2)用在什么性质的接着?(3)请问贵公司要求的接着程序?是否需防水?耐温?(4)请教您贵公司的操作方式?(5)贵公司平均月需量多少?(6)请教您贵公司目前有无操作或接着上的困难?(7)请您说明贵公司的测试法?(8)将来我们合作时,有哪些需要本公司配合的地方?4.如何向客户介绍环氧树脂及应注意事项(...

1、当您付费下载文档后,您只拥有了使用权限,并不意味着购买了版权,文档只能用于自身使用,不得用于其他商业用途(如 [转卖]进行直接盈利或[编辑后售卖]进行间接盈利)。
2、本站所有内容均由合作方或网友上传,本站不对文档的完整性、权威性及其观点立场正确性做任何保证或承诺!文档内容仅供研究参考,付费前请自行鉴别。
3、如文档内容存在违规,或者侵犯商业秘密、侵犯著作权等,请点击“违规举报”。

碎片内容

工业品工作人员教育训练教材

确认删除?
VIP
微信客服
  • 扫码咨询
会员Q群
  • 会员专属群点击这里加入QQ群
客服邮箱
回到顶部