电脑桌面
添加小米粒文库到电脑桌面
安装后可以在桌面快捷访问

第三部分-江西省政府采购网VIP免费

第三部分-江西省政府采购网_第1页
1/29
第三部分-江西省政府采购网_第2页
2/29
第三部分-江西省政府采购网_第3页
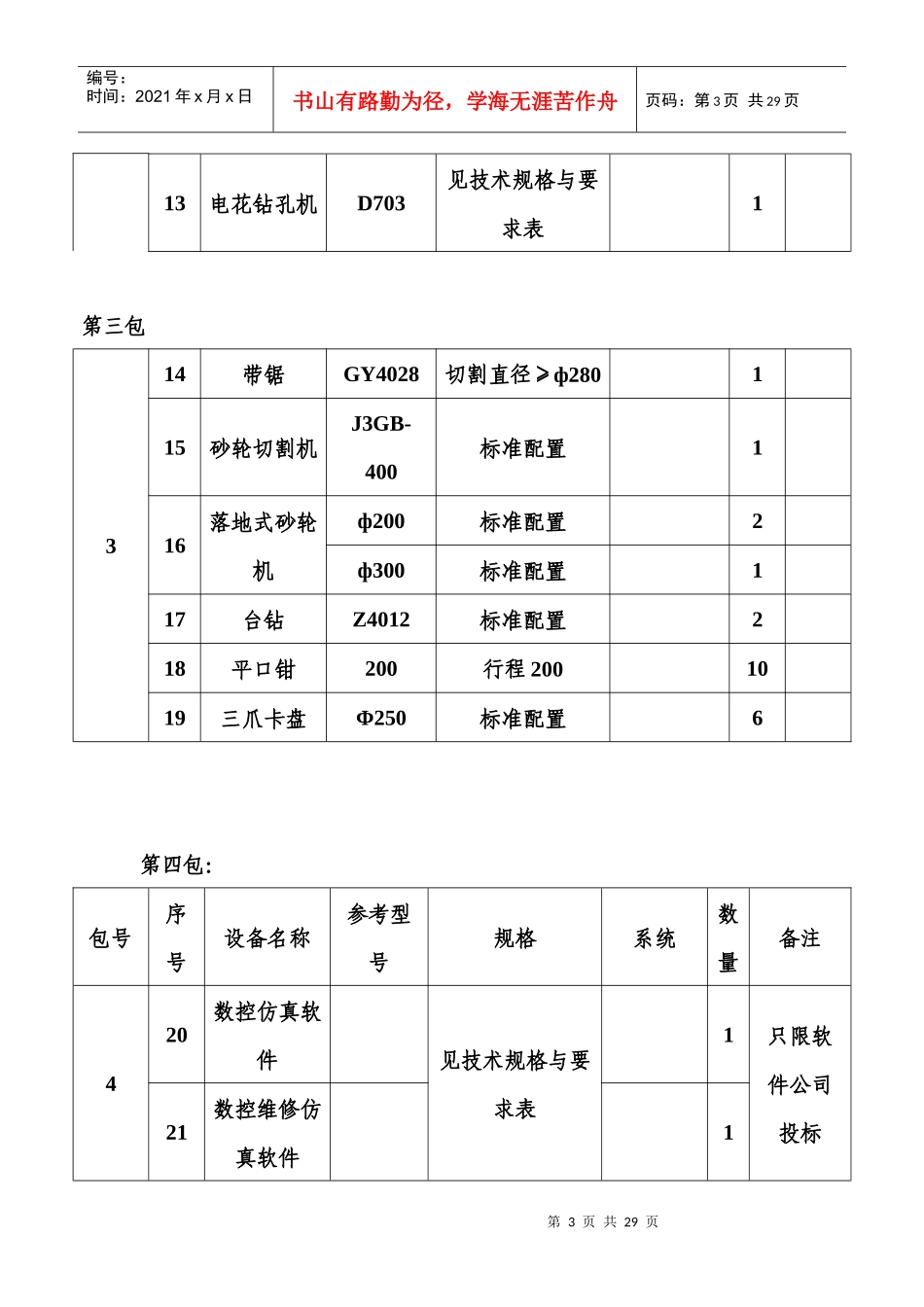
3/29
第1页共29页编号:时间:2021年x月x日书山有路勤为径,学海无涯苦作舟页码:第1页共29页第三部分设备需求一览表特别说明:招标文件技术要求中所涉及的品牌均为参考品牌,不对投标人的投标构成任何限制。但投标人所提供的设备的性能和质量必须满足或优于参考品牌的各项指标。第一包:包号序号设备名称参考型号规格系统数量备注11数控铣KV650E台面:450*1000行程≥800*450*500西门子802D1FANUC-oi-MC22立式加工中心VMC750E台面:500*1000行程≥800*500*550西门子802D1三菱E60S64M/65M1FANUC-oi-MC四轴联动13卧式加工中心TH6350台面:500*600FANUC-oi-MC1行程≥630*550*550第2页共29页第1页共29页编号:时间:2021年x月x日书山有路勤为径,学海无涯苦作舟页码:第2页共29页4数控雕铣机HCM545行程≥450*500*250FAGOR8055i15三坐标测量机YXB554≥500*500*40016数控车床CK6136ф360*750广数980TD2西门子802D2日本三菱E6027数控车床CK6146ф460*1000FANUC-oimate-TC28车削中心MJ460MCф460*650FANUC-oi-TC1第二包:包号序号设备名称参考型号规格系统数量备注29数控线切割DK7732台面≥630*400HF编程与控制一体化系软件310DK7750台面≥1000*600211DK7790行程:1200*900112电火花成型机D7150见技术规格与要求表2第3页共29页第2页共29页编号:时间:2021年x月x日书山有路勤为径,学海无涯苦作舟页码:第3页共29页13电花钻孔机D703见技术规格与要求表1第三包314带锯GY4028切割直径≥ф280115砂轮切割机J3GB-400标准配置116落地式砂轮机ф200标准配置2ф300标准配置117台钻Z4012标准配置218平口钳200行程2001019三爪卡盘Φ250标准配置6第四包:包号序号设备名称参考型号规格系统数量备注420数控仿真软件见技术规格与要求表1只限软件公司投标21数控维修仿真软件1第4页共29页第3页共29页编号:时间:2021年x月x日书山有路勤为径,学海无涯苦作舟页码:第4页共29页第五包:包号序号名称标准号测量范围精度数量备注41游标卡尺GB1214-850-1250.02602游标卡尺GB1214-850-2000.02403游标卡尺GB1214-850-3000.02104游标卡尺GB1214-850-5000.0245游标卡尺GB1214-850-10000.0216游标深度尺GB1008-890-2000.02107游标深度尺GB1008-890-3000.0288游标高度尺GB1008-890-3000.02129游标高度尺GB1008-890-5000.021010游标高度尺GB1008-890-10000.02111齿厚游标卡尺GB6316-861-160.02212齿厚游标卡尺GB6316-861-250.02213齿厚游标卡尺GB6316-865-320.02114齿厚游标卡尺GB6316-8610-500.02115外径千分尺GB1212-850-250.012016外径千分尺GB1212-8525-500.012017外径千分尺GB1212-8550-750.015第5页共29页第4页共29页编号:时间:2021年x月x日书山有路勤为径,学海无涯苦作舟页码:第5页共29页18外径千分尺GB1212-8575-1000.01519外径千分尺GB1212-85100-1250.01220外径千分尺GB1212-85125-1500.01221公法线千分尺GB1217-860-250.01222公法线千分尺GB1217-8625-500.01223公法线千分尺GB1217-8650-750.01224公法线千分尺GB1217-8675-1000.01225内径千分尺GB81775-250.012026内径千分尺GB817725-500.012027内径千分尺GB817750-750.01628内径千分尺GB817775-1000.01429尖头千分尺GB6313-860-250.01230尖头千分尺GB6313-8625-500.01231螺纹千分尺JB2584-790-250.01232螺纹千分尺JB2584-7925-500.01233百分表GB1219-850-30.01534百分表GB1219-850-50.01335千分表GB6309-860-10.0015瑞士产36千分表GB6309-860-20.0013瑞士产37千分表GB6309-860-30.0012瑞士产38杠杆百分表GB6301-860-0.80.015第6页共29页第5页共29页编号:时间:2021年x月x日书山有路勤为径,学海无涯苦作舟页码:第6页共29页39杠杆百分表GB8123-860-0.20.002540框式水平仪JB3239-830.02241内径百分表GB8122-876-100.01642内径百分表GB8122-8710-180.01643内径百分表GB8122-8718-350.01644内径百分表GB8122-8735-500.01645内径百分表GB8122-8750-1000.01646内径百分表GB8122-87100-1600.01647内径百分表GB8122-87160-2500.01648刀口形直尺GB6091-8575*6*221级649刀口形直尺GB6091-85125*6*271级65090度角尺GB6092-85125*801级10刀口型5190度角尺GB6092-85125*8...

1、当您付费下载文档后,您只拥有了使用权限,并不意味着购买了版权,文档只能用于自身使用,不得用于其他商业用途(如 [转卖]进行直接盈利或[编辑后售卖]进行间接盈利)。
2、本站所有内容均由合作方或网友上传,本站不对文档的完整性、权威性及其观点立场正确性做任何保证或承诺!文档内容仅供研究参考,付费前请自行鉴别。
3、如文档内容存在违规,或者侵犯商业秘密、侵犯著作权等,请点击“违规举报”。

碎片内容

第三部分-江西省政府采购网

中小学文库+ 关注
实名认证
内容提供者

精品资料应用尽有

相关文档

确认删除?
VIP
微信客服
  • 扫码咨询
会员Q群
  • 会员专属群点击这里加入QQ群
客服邮箱
回到顶部