电脑桌面
添加小米粒文库到电脑桌面
安装后可以在桌面快捷访问

第三章项目说明、采购内容一、项目说明1本次采购为交钥匙VIP免费

第三章项目说明、采购内容一、项目说明1本次采购为交钥匙_第1页
1/19
第三章项目说明、采购内容一、项目说明1本次采购为交钥匙_第2页
2/19
第三章项目说明、采购内容一、项目说明1本次采购为交钥匙_第3页
3/19
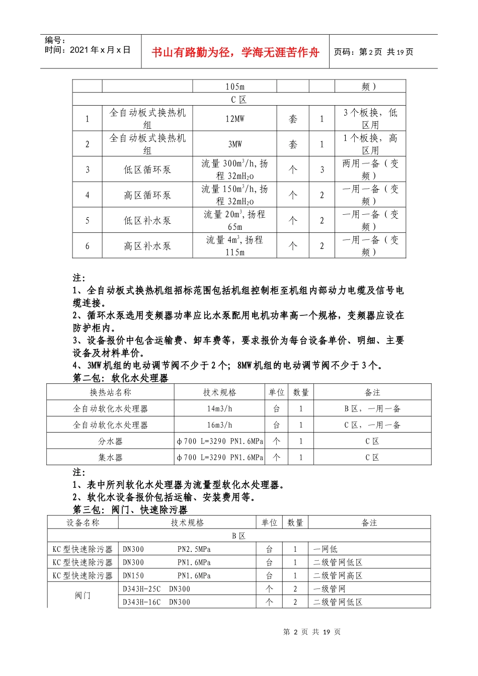
第1页共19页编号:时间:2021年x月x日书山有路勤为径,学海无涯苦作舟页码:第1页共19页第三章项目说明、采购内容一、项目说明1.本次采购为交钥匙项目,供应商应根据招标代理机构提供的采购文件、各自情况等进行报价的编制,报价应包括采购范围内的全部内容,含货物(包括质保期内的备品备件、易损件、专用工具等)的设计、制造、包装、保险、运输、装卸、安装、调试、验收、培训、售后服务及技术支持等相关服务的所有费用。供应商应充分考虑本项目合同实施期间可能发生的一切费用,并承担由此而带来的风险。凡供应商在报价中未列明但又为货物所必备的项目或遗漏项目,采购人将一律视为已包括在其报价中,在合同执行中将不予考虑。2.供应商应对本项目的商务条款完全响应,若有偏差须在报价文件商务标书《商务条款偏离表》中予以说明;若没有,应注明“无偏离”字样。若没有填写《商务条款偏离表》,即视为供应商声明其完全响应采购文件的商务条款;但评标委员会有权据此就商务标书中实际不响应部分作出废标的决定。3.供应商所报货物的技术指标应符合本章技术规范的要求,若有偏差须在报价文件技术标书《技术条款偏离表》中予以说明;若没有,应注明“无偏离”字样。若没有填写《技术条款偏离表》,即视为供应商声明其所报货物的技术指标完全符合技术规范的要求;但评标委员会有权据此就技术标书中实际不响应部分作出废标的决定。4.售后服务供应商应提供及时周到的售后服务,提供全天24小时服务。出现故障,卖方技术人员应在4小时内到达现场维修,确保24小时内修复。供应商应在报价文件中提出详细的本地化的售后维修服务方案。5.交货/竣工期、交货地点、质保期、付款方式详见采购文件第五章《合同特殊条款》。二、采购内容第一包:全自动板式换热机组序号名称规格型号单位数量备注B区1全自动板式换热机组8MW套12个板换,低区用2全自动板式换热机组3MW套11个板换,高区用3低区循环泵流量200m3/h,扬程32mH2o个3两用一备(变频)4高区循环泵流量150m3/h,扬程32mH2o个2一用一备(变频)5低区补水泵流量14m3,扬程65m个2一用一备(变频)6高区补水泵流量6m3,扬程个2一用一备(变第2页共19页第1页共19页编号:时间:2021年x月x日书山有路勤为径,学海无涯苦作舟页码:第2页共19页105m频)C区1全自动板式换热机组12MW套13个板换,低区用2全自动板式换热机组3MW套11个板换,高区用3低区循环泵流量300m3/h,扬程32mH2o个3两用一备(变频)4高区循环泵流量150m3/h,扬程32mH2o个2一用一备(变频)5低区补水泵流量20m3,扬程65m个2一用一备(变频)6高区补水泵流量4m3,扬程115m个2一用一备(变频)注:1、全自动板式换热机组招标范围包括机组控制柜至机组内部动力电缆及信号电缆连接。2、循环水泵选用变频器功率应比水泵配用电机功率高一个规格,变频器应设在防护柜内。3、设备报价中包含运输费、卸车费等,要求报价为每台设备单价、明细、主要设备及材料单价。4、3MW机组的电动调节阀不少于2个;8MW机组的电动调节阀不少于3个。第二包:软化水处理器换热站名称技术规格单位数量备注全自动软化水处理器14m3/h台1B区,一用一备全自动软化水处理器16m3/h台1C区,一用一备分水器φ700L=3290PN1.6MPa个1C区集水器φ700L=3290PN1.6MPa个1C区注:1、表中所列软化水处理器为流量型软化水处理器。2、软化水设备报价包括运输、安装费用等。第三包:阀门、快速除污器设备名称技术规格单位数量备注B区KC型快速除污器DN300PN2.5MPa台1一网低KC型快速除污器DN300PN1.6MPa台1二级管网低区KC型快速除污器DN150PN1.6MPa台1二级管网高区阀门D343H-25CDN300个2一级管网D343H-16CDN300个2二级管网低区第3页共19页第2页共19页编号:时间:2021年x月x日书山有路勤为径,学海无涯苦作舟页码:第3页共19页D343H-16CDN250个2二级管网多层D343H-16CDN150个2二级管网高层低区D343H-16CDN125个2二级管网高层网点D343H-16CDN150个2二级网高区C区KC型快速除污器DN300PN2.5MPa台1一级管网KC型快速除污器DN350PN1.6MPa台1二级管网低区KC型快速除污器DN200PN1.6MPa台1二级管网高区阀门D343H-25CDN300个2一级管网D343H-16CDN350个2二...

1、当您付费下载文档后,您只拥有了使用权限,并不意味着购买了版权,文档只能用于自身使用,不得用于其他商业用途(如 [转卖]进行直接盈利或[编辑后售卖]进行间接盈利)。
2、本站所有内容均由合作方或网友上传,本站不对文档的完整性、权威性及其观点立场正确性做任何保证或承诺!文档内容仅供研究参考,付费前请自行鉴别。
3、如文档内容存在违规,或者侵犯商业秘密、侵犯著作权等,请点击“违规举报”。

碎片内容

第三章项目说明、采购内容一、项目说明1本次采购为交钥匙

确认删除?
VIP
微信客服
  • 扫码咨询
会员Q群
  • 会员专属群点击这里加入QQ群
客服邮箱
回到顶部