电脑桌面
添加小米粒文库到电脑桌面
安装后可以在桌面快捷访问

简要技术要求-北京市政府采购VIP免费

简要技术要求-北京市政府采购_第1页
1/48
简要技术要求-北京市政府采购_第2页
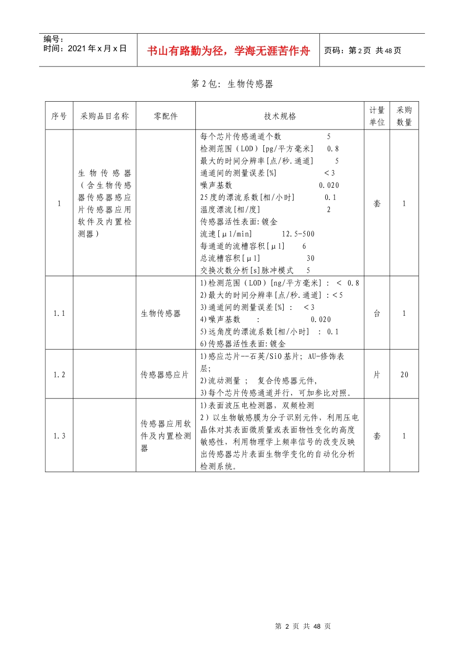
2/48
简要技术要求-北京市政府采购_第3页
3/48
第1包:实验用冰箱序号采购品目名称零配件技术规格计量单位采购数量1冰箱冷气360度旋风循环,立体保鲜,透明展示,有效容积≥320升,0-10度,柜内照明,无氟设计.台22冰箱(-86℃)1,温度范围:-20℃~-86℃;*2,控温精度:≤±1℃;3,控温均匀性:≤±1℃;4,有效容积:≥330L5,独立的外门锁6,有上下两个内门,一个整体外门,搁板支架带可调整夹子、储物架。7,噪音≤50dB(A)8,聚胺脂隔离层厚度5寸,增强隔热及结构保护功能。9,微处理控制系统精确控制温度。10,两级高效制冷压缩机,无氟制冷剂。11,两层空气绝缘内门,多点密封垫圈,确保样品安全。12,具有除霜加热条,随时方便除霜。*13,全自动备份系统确保长时间稳定运行。14,目视高度控制器,以数字显示温度,操作观看方便。15,遥控报警器接口,用于远程报警及监测。16,符合国际标准CE及CSA。配件:储物架:12只;冻存盒:2英寸216个台33冰箱(4℃)2-8℃药品保存箱≥320L,微电脑控制,温度数字显示,高低温报警控制器,可根据实际需要设定报警温度34大容量家用冰箱有效容积:≥200L,有冷藏和冷冻两层,耗电量:07KW/H;全封闭冻结系统、内藏式制冷系统、自动关门冷冻能力3.5kg/24h机械温控45超低温保存箱(-86℃冰箱)1、有效内容积:≥510L2、冷却性能:-86°C3、220V/50Hz/耗电量:≤1025W台164℃冰箱1、有效内容积:≥300L2、冷却性能:4°C3、220V/50Hz/耗电量:≤220W台17冰箱产品类别三开门或多开门总容积≥280L冷藏室容积≥140L冷冻室容积≥75L变温容枳≥65L冷冻能力ST-SN-N或更优温控方式电脑温控制冷剂无氟能耗等级I级/A+以上显示屏LCD冷藏室温控范围:0℃-5℃冷冻室温1第1页共48页编号:时间:2021年x月x日书山有路勤为径,学海无涯苦作舟页码:第1页共48页控范围:-25℃-0℃第2页共48页第1页共48页编号:时间:2021年x月x日书山有路勤为径,学海无涯苦作舟页码:第2页共48页第2包:生物传感器序号采购品目名称零配件技术规格计量单位采购数量1生物传感器(含生物传感器传感器感应片传感器应用软件及内置检测器)每个芯片传感通道个数5检测范围(LOD)[pg/平方毫米]0.8最大的时间分辨率[点/秒.通道]5通道间的测量误差[%]<3噪声基数0.02025度的漂流系数[相/小时]0.1温度漂流[相/度]2传感器活性表面:镀金流速[μl/min]12.5-500每通道的流槽容积[μl]6总流槽容积[μl]30交换次数分析[s]脉冲模式5套11.1生物传感器1)检测范围(LOD)[ng/平方毫米]:<0.82)最大的时间分辨率[点/秒.通道]:<53)通道间的测量误差[%]:<34)噪声基数:0.0205)远角度的漂流系数[相/小时]:0.16)传感器活性表面:镀金台11.2传感器感应片1)感应芯片--石英/SiO基片;AU-修饰表层;2)流动测量;复合传感器元件,3)每个芯片传感通道并行,可加参比对照。片201.3传感器应用软件及内置检测器1)表面波压电检测器,双频检测2)以生物敏感膜为分子识别元件,利用压电晶体对其表面微质量或表面物性变化的高度敏感性,利用物理学上频率信号的改变反映出传感器芯片表面生物学变化的自动化分析检测系统。套1第3页共48页第2页共48页编号:时间:2021年x月x日书山有路勤为径,学海无涯苦作舟页码:第3页共48页第3包:实验室理化分析设备之一序号采购品目名称零配件技术规格计量单位采购数量1CO2钢瓶优质、普通22混匀器转速2800转/分工作方式:连续.点触工作台直径:直径60mm橡胶头.外形尺寸:160×120×170mm23加样器单道可调式微量移夜器第一套P10(最大10μl精度±0.025μl)1支P20(最大20μl精度±0.1μl)1支第二套P20(最大10μl精度±0.1μl)1支P100(最大100μl精度±0.35μl)1支第三套P20(最大20μl精度±0.1μl)1支P200(最大200μl精度±0.35μl)1支第四套P200(最大200μl精度±0.35μl)1支P1000(最大1000μl精度±3μl)1支44电动注液器1.3″内可吸取25ml液体2.电池容量可连续工作8小时而无需充电3.高、低速模式及全速取排液模式4.适用于1-100ml所有规格移液管5.内置可更换滤器6.硅制接口和聚丙烯移液管可高温消毒7.充电器,备用0.2和0.45疏水过滤器各20只,支架1只及操作手册一份25迷你离心机适用于1.5ml0.5ml0.2ml离心管和PCR用0.2ml8排离...

1、当您付费下载文档后,您只拥有了使用权限,并不意味着购买了版权,文档只能用于自身使用,不得用于其他商业用途(如 [转卖]进行直接盈利或[编辑后售卖]进行间接盈利)。
2、本站所有内容均由合作方或网友上传,本站不对文档的完整性、权威性及其观点立场正确性做任何保证或承诺!文档内容仅供研究参考,付费前请自行鉴别。
3、如文档内容存在违规,或者侵犯商业秘密、侵犯著作权等,请点击“违规举报”。

碎片内容

简要技术要求-北京市政府采购

您可能关注的文档

中小学教育精品资料+ 关注
实名认证
内容提供者

中小学教育资料,优质文档创作者

确认删除?
VIP
微信客服
  • 扫码咨询
会员Q群
  • 会员专属群点击这里加入QQ群
客服邮箱
回到顶部