电脑桌面
添加小米粒文库到电脑桌面
安装后可以在桌面快捷访问

屋面防水施工方案VIP免费

屋面防水施工方案_第1页
1/7
屋面防水施工方案_第2页
2/7
屋面防水施工方案_第3页
3/7
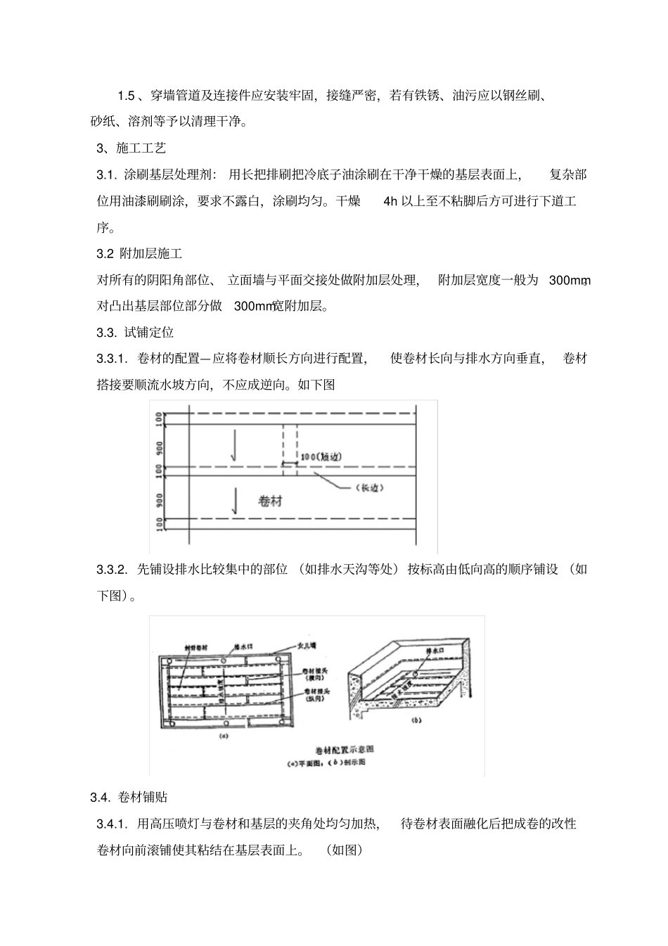
一、工程概况西华理想城位于河南省西华县南华路以北人和路以东;7#、8#楼为砖混7层建筑。屋面防水等级为Ⅰ级防水,采用双层3mm厚聚酯胎SBS改性沥青防水卷材,热熔法施工。二、编制依据:1、工程设计图纸,技术交底;2、施工现场条件和实地勘察情况;3、《屋面工程防水技术规范》12YJ5-1;4、《屋面工程质量验收规范》GB50207—2012;三、施工准备1、施工技术准备:施工人员必须持证上岗,施工前对施工人员进行现场培训和交底,保证所有施工人员都能按有关操作规程,规范及有关工艺要求施工;预先编制本工程的验收计划,为确保工程质量创造条件。2、人员准备:该项目工程人员安排如下:序号工种人数工作内容1技术人员2编制方案、制定措施、整理资料、技术交底2质安人员2质量安全监督、工程验收3测量人员2放线4采购人员2材料供应及时通知检验5主要施工人员8清除层面杂质灰尘,涂刷胶粘剂、铺贴卷材、表层处理6机械设备1维修所有机械小工具等7零星3零星工程3、材料准备:3.1、材料性能SBS改性沥青防水卷材采用SBS改性沥青为主要材料加工制成,是近年来深受社会推崇的一种新型防水卷材,具有高温不流淌,低温柔度好,延伸率大,不脆裂,耐疲劳,抗老化,韧性强,抗撕裂强度和耐穿刺性能好,使用寿命长,防水性能优异。采用热熔施工法,把卷材热熔搭接,熔合为一体,形成防水层,达到防水效果。3.2、配套材料1.基层处理剂:采用改性沥青涂料。2.嵌缝密封膏:沥青密封膏。3.3、辅助材料主要包括:工业汽油等,用于胶粘剂清洗机具、喷灯燃料使用。4、设备机械配备对该工程的施工计划投入以下机械设备及工具:序号机械设备及工具名称数量用途进场计划1小平铲、扫帚4把清理基层开工前全部进场2滚动刷3把涂布胶粘剂(冷底油)3铁桶3个分装胶粘剂(冷底油)4汽油喷灯4个热熔卷材用5剪刀2把裁剪卷材用7卷尺2个度量尺寸用8干粉灭火器4个消防设施四、防水施工:1、工艺流程基层处理→涂刷基层处理剂→铺贴附加层→热熔→防水卷材铺贴→热熔封边→蓄水试验→淋水试验→保护层施工→质量验收2、基层处理1.1、找平层为细石混凝土抹平压光;基层与突出屋面的结构(如排气道、管道等)相连的阴阳角,基层与立面墙应做半圆形护角其半径一般为50mm。1.2、找平层上应无明显湿渍,基层干燥,含水率小于9%可满足施工要求。1.3、基层表面应坚实具有一定的强度,清洁干净,表面无浮土、砂粒等污物,表面应平整、光滑、无松动,要求抹平压光,对于残留的砂浆块或突起物应以铲刀削平。1.4、阴阳角应抹成半径为50mm均匀光滑的小圆角。1.5、穿墙管道及连接件应安装牢固,接缝严密,若有铁锈、油污应以钢丝刷、砂纸、溶剂等予以清理干净。3、施工工艺3.1.涂刷基层处理剂:用长把排刷把冷底子油涂刷在干净干燥的基层表面上,复杂部位用油漆刷刷涂,要求不露白,涂刷均匀。干燥4h以上至不粘脚后方可进行下道工序。3.2附加层施工对所有的阴阳角部位、立面墙与平面交接处做附加层处理,附加层宽度一般为300mm。对凸出基层部位部分做300mm宽附加层。3.3.试铺定位3.3.1.卷材的配置—应将卷材顺长方向进行配置,使卷材长向与排水方向垂直,卷材搭接要顺流水坡方向,不应成逆向。如下图3.3.2.先铺设排水比较集中的部位(如排水天沟等处)按标高由低向高的顺序铺设(如下图)。3.4.卷材铺贴3.4.1.用高压喷灯与卷材和基层的夹角处均匀加热,待卷材表面融化后把成卷的改性卷材向前滚铺使其粘结在基层表面上。(如图)熔焊火焰与卷材和基层表面的相对位置1、喷咀;2、火焰;3、改性沥青卷材;4、水泥砂浆找平层;5、混凝土层;6、卷材防水层3.5.铺贴平面和立面连接部位的卷材在铺平面与立面相连的卷材,应先铺贴平面,然后由下向上铺贴,并使卷材紧贴阴角,不应空鼓。立面墙上防水层应满粘。3.6.屋面女儿墙防水施工。女儿墙防水层施工时,应先铺贴平面,然后由下向上铺贴,使卷材紧贴阴角,不能空鼓。在女儿墙上满粘卷材,粘贴要牢固,在女儿墙预留收口处满粘卷材,并使上层卷材长出下层卷材不小于30mm,收头用水泥砂浆固定。3.7.主要节点构造做法3.7.1.阴阳角:阴阳角处的基层处理后,先铺一层卷材附加层,附加层卷材要剪成下图所...

1、当您付费下载文档后,您只拥有了使用权限,并不意味着购买了版权,文档只能用于自身使用,不得用于其他商业用途(如 [转卖]进行直接盈利或[编辑后售卖]进行间接盈利)。
2、本站所有内容均由合作方或网友上传,本站不对文档的完整性、权威性及其观点立场正确性做任何保证或承诺!文档内容仅供研究参考,付费前请自行鉴别。
3、如文档内容存在违规,或者侵犯商业秘密、侵犯著作权等,请点击“违规举报”。

碎片内容

屋面防水施工方案

您可能关注的文档

确认删除?
VIP
微信客服
  • 扫码咨询
会员Q群
  • 会员专属群点击这里加入QQ群
客服邮箱
回到顶部