电脑桌面
添加小米粒文库到电脑桌面
安装后可以在桌面快捷访问

识别证使用细则VIP免费

识别证使用细则_第1页
1/4
识别证使用细则_第2页
2/4
识别证使用细则_第3页
3/4
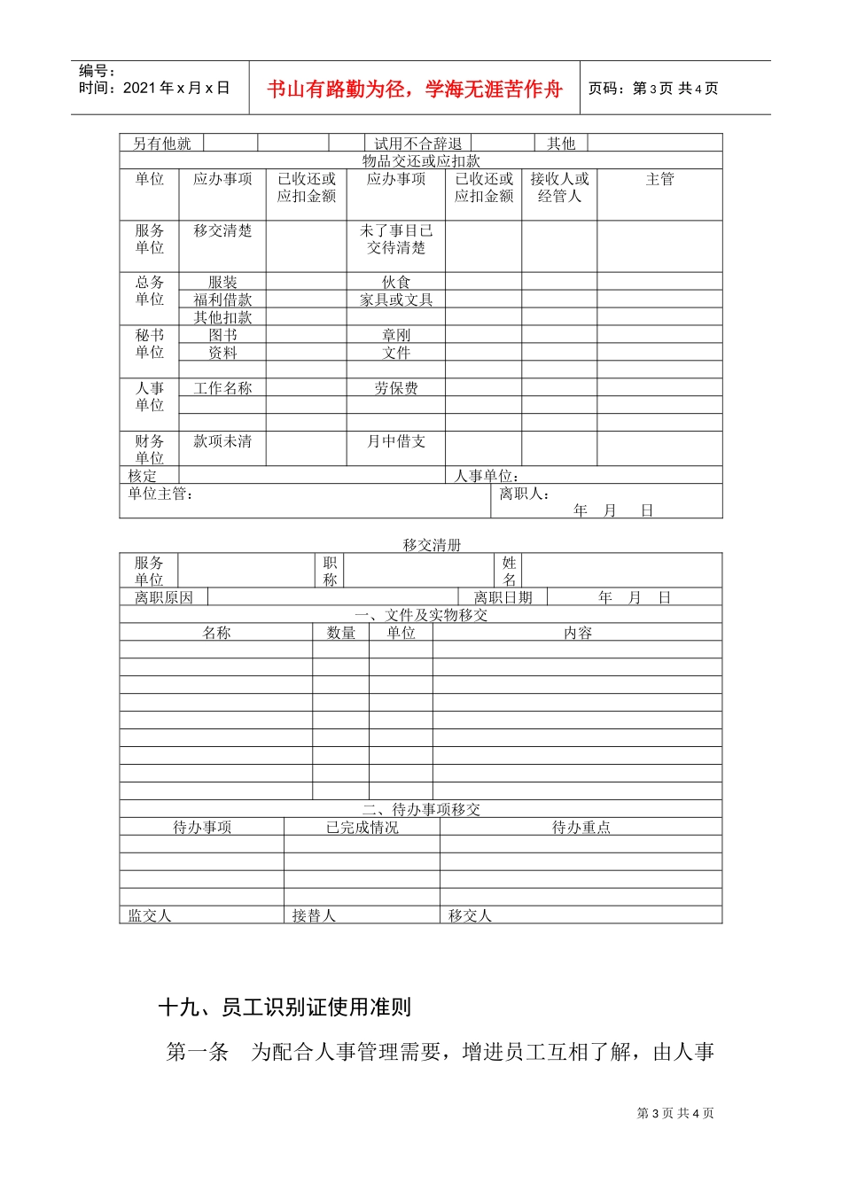
第1页共4页编号:时间:2021年x月x日书山有路勤为径,学海无涯苦作舟页码:第1页共4页识别证使用细则(一)为加强工地门禁管理,防止闲杂人等擅自出入厂区,以利识别,制订本细则。(二)地工现用识别证区分如下:1.红色:管理部员工佩带。2.淡黄色:财务部员工佩带。3.淡绿色:营业部员工佩带。4.淡蓝色:企划部员工佩带。5.灰绿色:营建部员工佩带。6.绿色:稽查室员工佩带。(三)上项识别证,工地所有人员一律佩带,公司适用于经理级以下员工佩带。(四)新进人员办妥入厂手续后,由人事单位签发识别证。(五)临时包工人员领用识别证规定如下:1.凡10天以内之短期包工由各单位主管书面通知警卫室,并将包工的个人身份证放存警卫室换取圆形识别证佩带,出厂时并将识别证缴回换取身份证。2.凡10天以上较长期的包工,由各单位造具名单附照片送人事单位集中领用识别证,离厂时由单位负责缴回,如有短少遗失按第十二条处理。(六)识别证一律佩带于外衣左胸上方,不得以其他外衣遮盖识别证,违者按未佩识别证处理,离职时应取下识别证。(七)识别证的功用,故各级员工皆应佩带,倘有不佩带者,一第2页共4页编号:时间:2021年x月x日书山有路勤为径,学海无涯苦作舟页码:第2页共4页经证实,第一次警告,第二次扣发当期应得利润奖金的1/3金额,第三次扣发2/3金额,第四次以后即扣发全部奖金,扣发部分由人事单位通知财务部在发放利润奖金时扣除之。(八)识别证如有遗失,应由单位主管书面通知人事单位补发并扣缴工本费15元。因公损坏时,得报请单位主任级主管签证后交人事单位换发新证。(九)凡有下列情形之一者,视情节轻重予以适当处分,或解雇及移送法办。1.识别证借给非公司同仁而出入厂区者。2.本人利用识别证在外作不当之情事者。3.识别证借给他人在外肇事者。(十)临时包工人员如不佩带,应由警卫或厂务管理组通知单位主管,禁止来厂工作,否则如有意外发生,概由该单位主管负全部责任。(十一)公司员工在上班时间,亦应照规定佩带识别证,办法亦同。(十二)凡领用识别证人员于离职时,应将证缴回人事单位,否则折价赔偿100元。(十三)本细则呈奉核定后实施,修订时亦同。员工离职通知书服务单位职称姓名到职日期离职日期年月日全年资离职原因自动被动体弱多病服兵役开除解雇第3页共4页编号:时间:2021年x月x日书山有路勤为径,学海无涯苦作舟页码:第3页共4页另有他就试用不合辞退其他物品交还或应扣款单位应办事项已收还或应扣金额应办事项已收还或应扣金额接收人或经管人主管服务单位移交清楚未了事目已交待清楚总务单位服装伙食福利借款家具或文具其他扣款秘书单位图书章刚资料文件人事单位工作名称劳保费财务单位款项未清月中借支核定人事单位:单位主管:离职人:年月日移交清册服务单位职称姓名离职原因离职日期年月日一、文件及实物移交名称数量单位内容二、待办事项移交待办事项已完成情况待办重点监交人接替人移交人十九、员工识别证使用准则第一条为配合人事管理需要,增进员工互相了解,由人事第4页共4页编号:时间:2021年x月x日书山有路勤为径,学海无涯苦作舟页码:第4页共4页单位制发员工识别证。第二条员工识别证为员工出入办公处所及厂区识别之用,不得作为其他身份之证明。第三条员工出入办公处所及厂区,或在办公处所及厂区范围内,应按规定配带识别证以资识别。第四条员工出入办公处所及厂区未按规定配带识别证者,禁止出入。第五条员工识别证应配带于左胸前口袋位置。第六条员工识别证不得转借他人。第七条员工于离职时,应将识别证交还人事单位第八条注销。第八条员工识别证如有遗失,应交附工本费5元向人事单位申请补发。第九条违犯本准则者,依其情节轻重签请总经理议处。第十条本准则未尽规定事项悉以本公司人事管理规则办理。第十一条本准则自签请总经理核准后公布施行。

1、当您付费下载文档后,您只拥有了使用权限,并不意味着购买了版权,文档只能用于自身使用,不得用于其他商业用途(如 [转卖]进行直接盈利或[编辑后售卖]进行间接盈利)。
2、本站所有内容均由合作方或网友上传,本站不对文档的完整性、权威性及其观点立场正确性做任何保证或承诺!文档内容仅供研究参考,付费前请自行鉴别。
3、如文档内容存在违规,或者侵犯商业秘密、侵犯著作权等,请点击“违规举报”。

碎片内容

识别证使用细则

您可能关注的文档

确认删除?
VIP
微信客服
  • 扫码咨询
会员Q群
  • 会员专属群点击这里加入QQ群
客服邮箱
回到顶部