电脑桌面
添加小米粒文库到电脑桌面
安装后可以在桌面快捷访问

某置业公司工程总监职务说明书VIP免费

某置业公司工程总监职务说明书_第1页
1/3
某置业公司工程总监职务说明书_第2页
2/3
某置业公司工程总监职务说明书_第3页
3/3
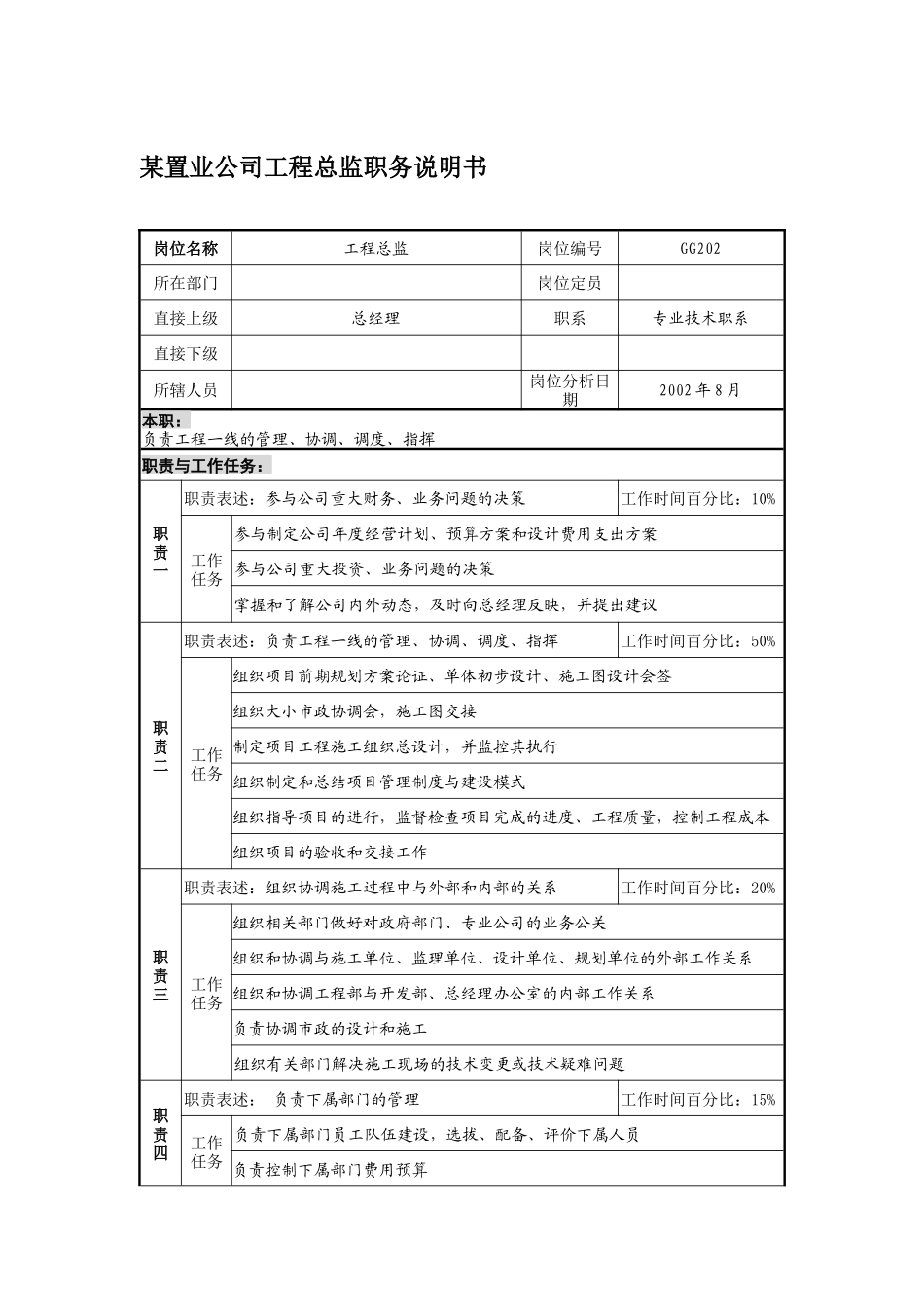
某置业公司工程总监职务说明书岗位名称工程总监岗位编号GG202所在部门岗位定员直接上级总经理职系专业技术职系直接下级所辖人员岗位分析日期2002年8月本职:负责工程一线的管理、协调、调度、指挥职责与工作任务:职责一职责表述:参与公司重大财务、业务问题的决策工作时间百分比:10%工作任务参与制定公司年度经营计划、预算方案和设计费用支出方案参与公司重大投资、业务问题的决策掌握和了解公司内外动态,及时向总经理反映,并提出建议职责二职责表述:负责工程一线的管理、协调、调度、指挥工作时间百分比:50%工作任务组织项目前期规划方案论证、单体初步设计、施工图设计会签组织大小市政协调会,施工图交接制定项目工程施工组织总设计,并监控其执行组织制定和总结项目管理制度与建设模式组织指导项目的进行,监督检查项目完成的进度、工程质量,控制工程成本组织项目的验收和交接工作职责三职责表述:组织协调施工过程中与外部和内部的关系工作时间百分比:20%工作任务组织相关部门做好对政府部门、专业公司的业务公关组织和协调与施工单位、监理单位、设计单位、规划单位的外部工作关系组织和协调工程部与开发部、总经理办公室的内部工作关系负责协调市政的设计和施工组织有关部门解决施工现场的技术变更或技术疑难问题职责四职责表述:负责下属部门的管理工作时间百分比:15%工作任务负责下属部门员工队伍建设,选拔、配备、评价下属人员负责控制下属部门费用预算职责五职责表述:完成总经理交办的其他工作工作时间百分比:5%权力:现场实施方案的协调权工程建设资金使用权工程质量监督权对下属部门工作计划执行情况检查考核权对下属部门拟定的制度有审核权对下属部门的人事任免建议权对下属部门各项工作的监控权对下属部门主管管理水平、业务水平和业绩的考核评价权下属部门预算内的费用审批权工作协作关系:内部协调关系公司各部门外部协调关系设计院、施工单位、客户、物业公司、监理公司等任职资格:教育水平大学本科以上专业建筑学、城市规划及相关专业培训经历管理理论、房地产行业技术知识、公共关系、法律知识培训经验5年以上工程建设经历,2年以上工程管理经验知识通晓城市规划、建筑设计、构造学、给排水、暖道、电气、企业管理、相关法律等知识技能技巧熟练使用WORD,EXCEL等办公软件,工程绘图,具有一定的领导能力、判断与决策能力、人际能力、沟通能力、影响力、责任心、计划与执行能力其它:使用工具设备计算机、Internet/Intranet网络、一般办公设备(电话、传真机、打印机)、交通与通讯设备工作环境办公场所、施工现场工作时间特征无明显节假日所需记录文档图纸、汇报文件或报告、总结等备注:

1、当您付费下载文档后,您只拥有了使用权限,并不意味着购买了版权,文档只能用于自身使用,不得用于其他商业用途(如 [转卖]进行直接盈利或[编辑后售卖]进行间接盈利)。
2、本站所有内容均由合作方或网友上传,本站不对文档的完整性、权威性及其观点立场正确性做任何保证或承诺!文档内容仅供研究参考,付费前请自行鉴别。
3、如文档内容存在违规,或者侵犯商业秘密、侵犯著作权等,请点击“违规举报”。

碎片内容

某置业公司工程总监职务说明书

确认删除?
VIP
微信客服
  • 扫码咨询
会员Q群
  • 会员专属群点击这里加入QQ群
客服邮箱
回到顶部