电脑桌面
添加小米粒文库到电脑桌面
安装后可以在桌面快捷访问

质量目标分解VIP免费

质量目标分解_第1页
1/11
质量目标分解_第2页
2/11
质量目标分解_第3页
3/11
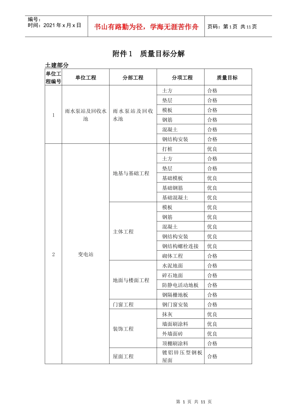
第1页共11页编号:时间:2021年x月x日书山有路勤为径,学海无涯苦作舟页码:第1页共11页附件1质量目标分解土建部分单位工程编号单位工程分部工程分项工程质量目标1雨水泵站及回收水池雨水泵站及回收水池土方合格垫层合格模板合格钢筋合格混凝土合格钢结构安装合格2变电站地基与基础工程打桩优良土方合格垫层合格基础模板优良基础钢筋优良基础混凝土优良主体工程模板优良钢筋优良混凝土优良钢结构安装优良钢结构螺栓连接优良砌体工程合格地面与楼面工程水泥地面合格碎石地面合格防静电活动地板合格钢隔栅地板合格门窗工程钢门窗安装合格装饰工程抹灰优良墙面刷涂料优良外墙面砖优良顶棚刷涂料合格屋面工程镀铝锌压型钢板屋面合格第2页共11页第1页共11页编号:时间:2021年x月x日书山有路勤为径,学海无涯苦作舟页码:第2页共11页单位工程编号单位工程分部工程分项工程质量目标3锅炉房及除盐水站地基与基础工程打桩优良土方合格垫层优良基础模板优良基础钢筋优良基础混凝土优良主体工程模板优良钢筋优良混凝土优良钢结构安装优良钢结构螺栓连接优良砌体工程优良地面与楼面工程水泥色硬化地面优良环氧树脂地坪优良门窗工程钢门安装合格塑钢门窗安装合格装饰工程抹灰优良外墙面砖优良内墙面乳胶漆优良内墙面砖优良屋面工程镀铝锌压型钢板屋面优良4冷冻空压站及控制室地基与基础工程打桩合格土方合格垫层优良基础模板优良基础钢筋优良基础混凝土优良主体工程模板优良钢筋优良混凝土优良钢结构安装优良钢结构螺栓连接优良砌体工程优良地面与楼面工程硬化地面优良地砖地面优良防静电活动地板合格门窗工程木门安装合格塑钢门窗安装合格第3页共11页第2页共11页编号:时间:2021年x月x日书山有路勤为径,学海无涯苦作舟页码:第3页共11页单位工程编号单位工程分部工程分项工程质量目标4冷冻空压站及控制室门窗工程钢门窗安装合格装饰工程抹灰合格外墙面砖优良内墙面涂料优良内墙面面砖优良吊顶合格屋面工程镀铝锌压型钢板屋面优良5消防、生产和生活水站地基与基础工程打桩合格土方合格垫层合格基础模板优良基础钢筋优良基础混凝土优良主体工程模板优良钢筋优良混凝土优良钢结构安装优良钢结构螺栓连接优良砌体工程优良地面与楼面工程水泥色硬化地面优良门窗工程钢门安装合格塑钢门窗安装合格装饰工程抹灰优良外墙面砖优良内墙面乳胶漆优良屋面工程镀铝锌压型钢板屋面优良6循环水站循环水站打桩合格土方合格垫层优良钢筋优良模板优良第4页共11页第3页共11页编号:时间:2021年x月x日书山有路勤为径,学海无涯苦作舟页码:第4页共11页混凝土合格单位工程编号单位工程分部工程分项工程质量目标7焚烧炉地基与基础工程打桩合格土方合格垫层合格钢筋合格模板合格混凝土合格8氮气站及循环水过滤装置地基与基础工程打桩合格土方合格垫层优良钢筋优良模板优良混凝土优良9燃料油槽区地基与基础工程打桩合格土方合格垫层合格钢筋合格模板合格混凝土合格10服务楼地基与基础工程打桩合格土方合格垫层优良基础模板优良基础钢筋优良基础混凝土优良主体工程模板优良钢筋优良混凝土优良钢结构安装合格钢结构螺栓连接合格砌体工程优良第5页共11页第4页共11页编号:时间:2021年x月x日书山有路勤为径,学海无涯苦作舟页码:第5页共11页单位工程编号单位工程分部工程分项工程质量目标10服务楼地面与楼面工程水泥色硬化地面优良地砖地面优良防静电活动地板合格门窗工程木门安装合格塑钢门窗安装合格装饰工程抹灰优良外墙面砖优良内墙面涂料优良内墙面砖优良吊顶合格屋面工程镀铝锌压型钢板屋面合格11更衣室及餐厅地基与基础工程打桩合格土方合格垫层合格基础模板优良基础钢筋优良基础混凝土优良主体工程模板优良钢筋优良混凝土优良钢结构安装优良钢结构螺栓连接优良砌体工程优良地面与楼面工程硬化地面优良地砖地面优良门窗工程塑钢门窗安装合格木门安装合格钢门安装合格装饰工程外墙面砖合格内墙面涂料合格内墙瓷砖合格第6页共11页第5页共11页编号:时间:2021年x月x日书山有路勤为径,学海无涯苦作舟页码:第6页共11页单位工程编号单位工程分部工程分项工程质量目标11更衣室及餐厅装饰工程吊顶合格屋面工程镀铝锌...

1、当您付费下载文档后,您只拥有了使用权限,并不意味着购买了版权,文档只能用于自身使用,不得用于其他商业用途(如 [转卖]进行直接盈利或[编辑后售卖]进行间接盈利)。
2、本站所有内容均由合作方或网友上传,本站不对文档的完整性、权威性及其观点立场正确性做任何保证或承诺!文档内容仅供研究参考,付费前请自行鉴别。
3、如文档内容存在违规,或者侵犯商业秘密、侵犯著作权等,请点击“违规举报”。

碎片内容

质量目标分解

中小学教育精品资料+ 关注
实名认证
内容提供者

中小学教育资料,优质文档创作者

确认删除?
VIP
微信客服
  • 扫码咨询
会员Q群
  • 会员专属群点击这里加入QQ群
客服邮箱
回到顶部