电脑桌面
添加小米粒文库到电脑桌面
安装后可以在桌面快捷访问

水泥企业岗位巡检作业指导书VIP免费

水泥企业岗位巡检作业指导书_第1页
1/117
水泥企业岗位巡检作业指导书_第2页
2/117
水泥企业岗位巡检作业指导书_第3页
3/117
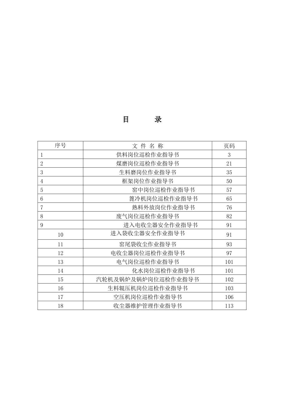
陶山水泥有限公司岗位巡检作业指导书文件编号:ZY05-2016(第A版)受控状态:受控号:编制:审核:批准:2016年9月1日发布2019年9月1日实施陶山水泥有限公司目录序号文件名称页码1供料岗位巡检作业指导书32煤磨岗位巡检作业指导书213生料磨岗位作业指导书354框架岗位作业指导书505窑中岗位巡检作业指导书576篦冷机岗位巡检作业指导书657熟料外放岗位作业指导书768废气岗位巡检作业指导书829进入电收尘器安全作业指导书9110进入袋收尘器安全作业指导书9111窑尾袋收尘作业指导书9312电收尘器岗位巡检作业指导书9713电气岗位巡检作业指导书10114化水岗位巡检作业指导书10115汽轮机及锅炉及锅炉岗位巡检作业指导书10216生料辊压机岗位巡检作业指导书10317空压机岗位巡检作业指导书10618收尘器维护管理作业指导书1131、供料岗位巡检作业指导书1目的明确岗位责任范围正确操作,处理一些常见事故,维护系统设备正常运转。2范围适用于生产运行部供料系统岗位巡检操作及其它操作。3操作流程岗位人员虽从事生产线当中最基础性的工作,但却担负着最重要的使命和责任。岗位人员就好比是一座大楼的地基,试想如果大楼的地基出现了问题后果会是多么可怕,因此身为岗位人员必须要有认真负责的态度,要重视和相信自己,从而实现自己的价值。岗位人员应熟知本岗位操作流程,认真遵守“润滑、紧固、擦拭、密封”八字方针,严格按照操作流程的指导进行作业。本操作流程共分为三个流程:设备正常运转操作流程、设备停机检修操作流程及设备故障出现操作流程。3.1设备巡检巡检是维护设备正常运行,保证生产安全运转的重要手段,也是本作业指导书的重中之重。岗位工巡检时应配有工具包,内装10#或12#活扳手2把,螺丝刀2把,手钳1把,手灯1个,毛刷1把,棉纱若干,巡检路线表(用文件夹夹好)及石笔等必须用品。岗位人员应严格按照《陶山设备管理路线图》当中规定的巡检时间和巡检路线进行巡检,即白班从早8:00~9:30,下午14:00~15:30,夜班从20:00~21:30,1:00~2:30。巡检路线大致可分为三个部分:石灰石破碎系统、石灰石均化系统、辅材入棚系统、辅材入库系统、原煤入棚系统、原煤入仓系统,具体的巡检路线如下:3.1.1石灰石破碎系统3.1.1.1石灰石破碎巡检线路:①一期石灰石破碎巡检线路:布袋收尘器单段锤式破碎机破碎机重型板式给料机1#皮带机2#皮带机3#皮带机。②二期石灰石破碎巡检线路:布袋收尘器单段锤式破碎机破碎机重型板式给料机R6皮带机。3.1.1.2巡检要点及标准:①布袋收尘器:巡检要点正常标准运行状况收尘器减速机工作正常离心通风机电机工作正常润滑各处轴承轴承手试温度60℃以下紧固螺栓无松动密封无跑、冒、滴、漏现象安全设施齐全、牢固设备卫生设备表面无积灰及油泥②单段锤式破碎机:巡检要点正常标准运行状况皮带轮无振动杂音转子无振动杂音给料辊无振动杂音给料辊减速机轴承无杂音、齿轮啮合无杂音润滑各处轴承轴承手试温度60℃以下紧固螺栓无松动密封无跑、冒、滴、漏现象安全设施齐全、牢固设备卫生设备表面无积灰及油泥③重型板式给料机:巡检要点正常标准运行状况重板减速机轴承无杂音、齿轮啮合无杂音链条啮合情况良好、无脱销断链现象上、下托链轮运转正常无损坏润滑重板减速机轴承手试温度60℃以下油位在规定的油匙划度线以上紧固螺栓无松动密封无跑、冒、滴、漏现象安全设施齐全、牢固设备卫生设备表面无积灰及油泥1#④皮带机、2#皮带机、3#皮带机、R6皮带机:巡检要点正常标准运行状况皮带无跑偏现象张紧装置工作正常外观无划痕,接头无开裂托辊正常运转无损坏减速机轴承、齿轮啮合无杂音润滑托辊轴承无噪音减速机油位在游尺上、下刻度线之间轴承手试温度60℃以下紧固螺栓无松动密封无跑、冒、滴、漏现象安全设施齐全、牢固设备卫生设备表面无积灰及油泥3.1.1.3工作要求3.1.1.3.1负责石灰石卸车坑至入均化库皮带区域所属设备的日常巡检、维护及润滑保养;3.1.1.3.2负责设备所在区域的卫生清扫;3.1.1.3.3负责区域内设备检修计划的执行,减少设备故障停机,确保设备的正常运转;3.1.1.3.4强化安全意识,确保员工人身安全及设备安全;3.1.1.3.5负责所属区域废旧物资...

1、当您付费下载文档后,您只拥有了使用权限,并不意味着购买了版权,文档只能用于自身使用,不得用于其他商业用途(如 [转卖]进行直接盈利或[编辑后售卖]进行间接盈利)。
2、本站所有内容均由合作方或网友上传,本站不对文档的完整性、权威性及其观点立场正确性做任何保证或承诺!文档内容仅供研究参考,付费前请自行鉴别。
3、如文档内容存在违规,或者侵犯商业秘密、侵犯著作权等,请点击“违规举报”。

碎片内容

水泥企业岗位巡检作业指导书

文泉书屋+ 关注
实名认证
内容提供者

热爱教学事业,对互联网知识分享很感兴趣

确认删除?
VIP
微信客服
  • 扫码咨询
会员Q群
  • 会员专属群点击这里加入QQ群
客服邮箱
回到顶部