电脑桌面
添加小米粒文库到电脑桌面
安装后可以在桌面快捷访问

跨河桥施工组织设计VIP免费

跨河桥施工组织设计_第1页
1/10
跨河桥施工组织设计_第2页
2/10
跨河桥施工组织设计_第3页
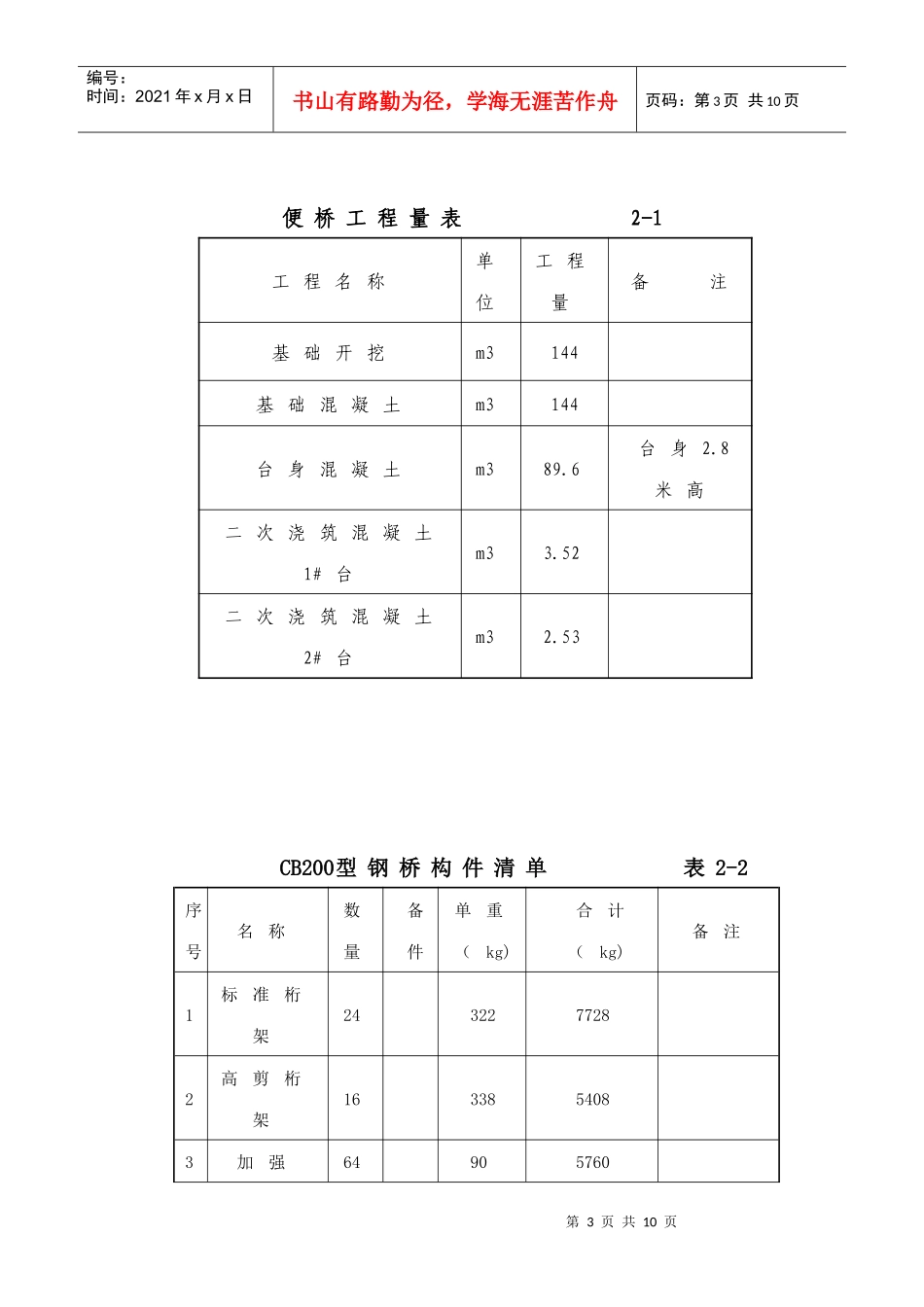
3/10
中铁十六局集团有限公司自:中铁十六局集团有限公司编号:ZTSLJ/ZHWM/004/2010拉拉山水电站1号探洞工程项目经理部日期:2010年3月11日至:拉拉山水电建设监理部事由:拉拉山水电站1号探洞工程合同编号:LLS-TD-01拉拉山电站1#探洞工程施工便桥施工组织设计的报告尊敬的总监理工程师:我项目部于2010年2月7日进场,施工便桥的各项准备工作已经就绪,现将施工便桥的施工组织设计(后附施工组织设计及施工图)上报贵部,请贵部审批。良好祝愿!第2页共10页编号:时间:2021年x月x日书山有路勤为径,学海无涯苦作舟页码:第2页共10页项目经理:中铁十六局集团有限公司拉拉山电站项目部2010年3月11日主送:拉拉山水电建设监理部抄报:华能拉拉山水电站建设项目部抄送:拟稿:李春林校核:程泉波审查:龚中映共印4份拉拉山电站1#探洞工程施工便桥施工组织设计1.编制依据1.1编制依据1.1.1拉拉山施工合同及设计文件;1.1.2我单位对施工现场、勘测及测量成果。2.工程概况2.1工程简介拉拉山电站1#探洞工程施工便桥,便桥全长为30.48m。采用扩大基础,基础为4m×9m矩形结构,深度暂定为2.0m(水面以下,根据开挖后的地基软弱程度调整)。2.2主要工程数量主要工程数量见表2-1、表2-2工程数量表。第3页共10页第2页共10页编号:时间:2021年x月x日书山有路勤为径,学海无涯苦作舟页码:第3页共10页便桥工程量表2-1工程名称单位工程量备注基础开挖m3144基础混凝土m3144台身混凝土m389.6台身2.8米高二次浇筑混凝土1#台m33.52二次浇筑混凝土2#台m32.53CB200型钢桥构件清单表2-2序号名称数量备件单重(kg)合计(kg)备注1标准桁架2432277282高剪桁架1633854083加强64905760第4页共10页第3页共10页编号:时间:2021年x月x日书山有路勤为径,学海无涯苦作舟页码:第4页共10页杆4横梁1144048405水平支撑架2056.311266竖向支撑架1836.3653.47抗风拉杆20438608竖向风构20153009阴头端柱48734810阳头端柱47730811连系梁452012支座81612813支座板81612814桁架销14473453.615桥面板4036514600第5页共10页第4页共10页编号:时间:2021年x月x日书山有路勤为径,学海无涯苦作舟页码:第5页共10页16路缘202550017加隙板26913818横梁螺栓4420.836.96M24*14019杆螺栓256160.98266.56M24*17020撑架螺栓212110.5111.3M24*7021拉杆螺栓4020.625.2M24*9022风构螺栓6030.531.5M24*6023桥面螺栓16080.3558.8M20*75(内)24路缘螺栓10050.3536.75M20*6525加隙板螺栓1610.355.88M20*55(内)26螺纹板17690.473.9227地脚螺栓161233.6第6页共10页第5页共10页编号:时间:2021年x月x日书山有路勤为径,学海无涯苦作舟页码:第6页共10页2.3控制安全质量的主要措施本便桥是影响本标段后续工程施工工期控制的重点工程,该工程是否保质保量按期完成直接影响拉拉山电站1#探洞工程的正常开展。(1)安排专业队伍,配备责任心强、经验丰富和熟练的操作工,加上先进的施工设备,将先进技术与熟练操作紧密结合,确保施工安全和质量。(2)加强桥梁施工的技术力量,现场解决随时出现的技术难题。(3)加强组织管理,上足机械设备,配足人力、物力、财力等各项生产要素,并合理安排工序。3.施工组织安排3.1工期目标计划开工日期为2010年3月1日,竣工日期2010年3月25日。3.2安全目标3.2.1无重大施工安全事故;3.2.2无重大道路交通责任事故;3.3施工组织计划3.3.1设备人员、动员周期。本桥管理人员、专业及技术工人均从成都调入满足本桥施工需要。便桥基础施工人员已经于2010年2月25日进场,钢桥安装人员将随钢桥构件于3月10日开始进场。第7页共10页第6页共10页编号:时间:2021年x月x日书山有路勤为径,学海无涯苦作舟页码:第7页共10页装载机、挖掘机、砼搅拌机和运输车辆等主要设备均已进场。已具备施工条件。3.4.工期计划安排A:从2010年2月25日开始进行施工准备工作,其内容有驻地建设、施工便道、施工用水、施工用电、库房及场地硬化。‘B:从2010年3月6日开始围堰及桥台基础施工,2010年3月18日桥台施工完毕,2010年3月25日完成施工便桥的架设。3.5施工图因为本便桥是临时施工便桥,由施工单位自行设计施工,施工图详见“附图1、附图2”。3.6材料...

1、当您付费下载文档后,您只拥有了使用权限,并不意味着购买了版权,文档只能用于自身使用,不得用于其他商业用途(如 [转卖]进行直接盈利或[编辑后售卖]进行间接盈利)。
2、本站所有内容均由合作方或网友上传,本站不对文档的完整性、权威性及其观点立场正确性做任何保证或承诺!文档内容仅供研究参考,付费前请自行鉴别。
3、如文档内容存在违规,或者侵犯商业秘密、侵犯著作权等,请点击“违规举报”。

碎片内容

跨河桥施工组织设计

确认删除?
VIP
微信客服
  • 扫码咨询
会员Q群
  • 会员专属群点击这里加入QQ群
客服邮箱
回到顶部