电脑桌面
添加小米粒文库到电脑桌面
安装后可以在桌面快捷访问

深加工培训课程内容VIP免费

深加工培训课程内容_第1页
1/8
深加工培训课程内容_第2页
2/8
深加工培训课程内容_第3页
3/8
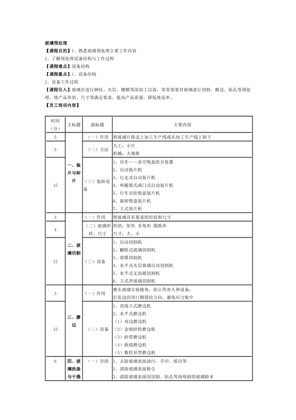
玻璃预处理【课程目的】1、熟悉玻璃预处理主要工作内容2、了解预处理设备结构与工作过程【课程难点】设备结构【课程重点】1、设备结构2、设备工作过程【课程引入】玻璃在进行钢化、夹层、镀膜等深加工以前,常常需要对玻璃进行切割、磨边、钻孔等预处理,使产品形状、尺寸等满足要求,提高产品质量,降低废品率。【员工培训内容】时间(分)主标题副标题主要内容5一、装片与卸片(一)作用将玻璃片移送上加工生产线或从加工生产线上卸下3(二)方法人工:小片机械:大规格15(三)装卸设备1、吊车——真空吸盘组合装置2、自动装片机3、行走式自动装片机4、单腿梁式或门式自动装片机5、行车吊挂吸盘装片机6、旋转吸盘装片机7、立式装片机3二、玻璃切割(一)作用使玻璃具有要求的形状和尺寸4(二)玻璃形状、尺寸形状:矩形多角形圆弧形尺寸:大、小12(二)设备1、自动切割机2、翻转式玻璃切割机3、靠模切割机4、水平式夹层玻璃自动切割机5、水平式无齿锯切割机6、立式厚玻璃切割机3三、磨边(一)作用磨去玻璃尖锐棱角,防止伤害人和设备;打乱边沿切口微裂纹方向,避免应力集中12(二)设备1、直线立式磨边机2、水平式磨边机(1)双边磨边机(2)金刚砂轮磨边机(3)砂带磨边机(4)曲线磨边机(5)数控异型磨边机6四、玻璃洗涤与干燥(一)目的1、去除玻璃表面油污、手印、纸印等2、清除玻璃表面粉尘3、清除玻璃表面因切割、钻孔等而残留的玻璃粉末4、清除表面残留水分4(二)洗涤、干燥介质1、自来水、洗涤剂溶液、去离子水2、冷空气、热空气8(三)洗涤干燥设备1、强力玻璃洗涤干燥机2、普通玻璃洗涤干燥机3、立式玻璃洗涤干燥机3五、钻孔区别双面钻孔防止爆边5设备任务一钢化玻璃的生产【课程目的】1、熟悉钢化玻璃类别、钢化方法、钢化玻璃性能2、掌握物理钢化、化学钢化原理3、熟悉钢化工艺过程4、掌握玻璃钢化技术要点5、掌握重要技术参数确定方法【课程难点】1、玻璃钢化原理、应力产生过程2、均匀温度分布方法3、冷却强度的调控【课程重点】1、加热温度的确定2、均匀加热的措施3、均匀、快速冷却的措施【课程引入】从“玻璃工艺”已知,玻璃的抗张强度远小于抗压强度,并且玻璃表面微裂纹在张应力作用下更容易扩展,即玻璃破裂从表面开始,如果玻璃表面存在压应力,将有助于承受外力时产生的张应力从而提高强度,如果破裂从内部开始,将不容易产生尖锐的棱角,钢化玻璃能够做到这些。钢化玻璃是安全玻璃,广泛应用于建筑、汽车等行业……【员工培训内容】时间(分)主标题副标题主要内容10一、生产方法(一)钢化玻璃的性能强度高、热稳定性好、安全性与品种15(二)钢化玻璃生产方法15(三)钢化玻璃品种1、按生产方法分(1)物理钢化玻璃:全钢化区域钢化半钢化(2)化学钢化2、按制造钢化玻璃所用材料分(1)透明钢化玻璃(2)着色钢化玻璃(3)镀膜钢化玻璃(4)釉面钢化玻璃(5)热线印刷钢化玻璃3、按产品外形分(1)平钢化(2)弯钢化10二、物理钢化工艺(一)物理钢化原理Na2O-CaO-SiO2玻璃转变点(1012PaS)590-530℃,自重伸长软化点(106.6PaS)590-530℃左右。暂时应力与永久应力产生35(二)钢化生产工艺1、钢化工艺流程P1432、生产线生产能力:取决于加热炉生产能力3、玻璃加热工艺(1)要求:快速、均匀加热到要求温度不变形加热后快速出炉(2)影响因素A、加热方式:一般用电,也可以火焰辐射:玻璃对2.5UM热射线吸收程度大(低于600、高于800℃不当)对流:燃料燃烧、炉内温度不均、炉门开闭传导:玻璃表面向内部、辊道向玻璃B、加热时间:40S/mmC、加热温度:钢化温度低于软化温度5-20℃,最佳加热温度比钢化温度高90-130℃(厚度越小,温度越高),温度过高变形。D、加热功率P146E、装片形式及对玻璃温度的影响要求:玻璃受热均匀方法:每一炉装同一厚度玻璃尺寸大小不同的玻璃交换顺序装充分利用最大装载面积20(三)钢化玻璃成型1、方法:2、特点:(1)一步法风栅为光面,淬冷效果不如带风嘴的风栅;存在热气涡流,干扰喷出气流对玻璃的淬冷;栅面弯曲形状不易调整,;玻璃与栅面形状有差异(玻璃回弹);淬冷时温度高钢化程度高,操作简单(2)...

1、当您付费下载文档后,您只拥有了使用权限,并不意味着购买了版权,文档只能用于自身使用,不得用于其他商业用途(如 [转卖]进行直接盈利或[编辑后售卖]进行间接盈利)。
2、本站所有内容均由合作方或网友上传,本站不对文档的完整性、权威性及其观点立场正确性做任何保证或承诺!文档内容仅供研究参考,付费前请自行鉴别。
3、如文档内容存在违规,或者侵犯商业秘密、侵犯著作权等,请点击“违规举报”。

碎片内容

深加工培训课程内容

确认删除?
VIP
微信客服
  • 扫码咨询
会员Q群
  • 会员专属群点击这里加入QQ群
客服邮箱
回到顶部