电脑桌面
添加小米粒文库到电脑桌面
安装后可以在桌面快捷访问

造价咨询成果表格VIP专享VIP免费

造价咨询成果表格_第1页
1/15
造价咨询成果表格_第2页
2/15
造价咨询成果表格_第3页
3/15
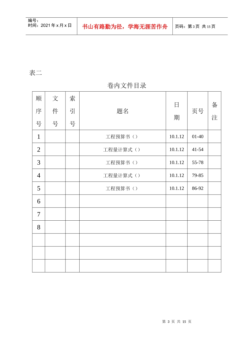
第1页共15页编号:时间:2021年x月x日书山有路勤为径,学海无涯苦作舟页码:第1页共15页编制说明1、本结算按施工合同(--------------------------------------)内容、施工蓝图、竣工图、设计变更及甲方确认的现场签证等为依据计算工程量。2、安装工程执行合同安装费为固定总价;材料费:经甲方核实的施工蓝图、设计变更及经济签证的实际安装工程量(含损耗)*供应单价(含增值税)*1.0348。3、工程量计算依据2000年《石油安装工程预算定额》配套的工程量计算规则,甲供材料含量执行2000年《石油安装工程预算定额》。4、结算材料执行大发展甲方有关规定,其他按甲方招标合同执行。第2页共15页第1页共15页编号:时间:2021年x月x日书山有路勤为径,学海无涯苦作舟页码:第2页共15页表一档案封面委托单位:石化公司项目名称:工程(三个标段)编号:[]号2010年1至2015年12月保管期限5年本卷共1件页归档号第3页共15页第2页共15页编号:时间:2021年x月x日书山有路勤为径,学海无涯苦作舟页码:第3页共15页表二卷内文件目录顺序号文件号索引号题名日期页号备注1工程预算书()10.1.1201-402工程量计算式()10.1.1241-543工程预算书()10.1.1255-784工程量计算式()10.1.1279-855工程预算书()10.1.1286-92678第4页共15页第3页共15页编号:时间:2021年x月x日书山有路勤为径,学海无涯苦作舟页码:第4页共15页表三工程(三个标段)项目操作人员配置一览表项目编号:有关操作人员姓名职称专业执业资格注册编号项目负责人专业工程造价师土建安装市政造价员校核人员第5页共15页第4页共15页编号:时间:2021年x月x日书山有路勤为径,学海无涯苦作舟页码:第5页共15页审核人员技术总负责人:法定代表人:表四委托方提供资料收件表项目名称工程(三个标段)项目编号序号收到资料内容份数页数收件日期收件人提交人1工程预算书()101-4010-012工程量计算式()141-5410-013工程预算书()155-7810-014工程量计算式()179-8510-015工程预算书()186-9210-01678注:本表一式两份,委托方、咨询方各执一份第6页共15页第5页共15页编号:时间:2021年x月x日书山有路勤为径,学海无涯苦作舟页码:第6页共15页表五归还给委托方的文件资料签收表编号:造价咨询有限责任公司(造价咨询单位)现收到你公司归还的下列文件资料序号文件资料名称份数页数备注1工程预算书()101-402工程量计算式()141-543工程预算书()155-784工程量计算式()179-855工程预算书()186-926工程量计算式()193-977工程经济签证198-1058设计变更1106-184第7页共15页第6页共15页编号:时间:2021年x月x日书山有路勤为径,学海无涯苦作舟页码:第7页共15页签收单位:提交单位:造价咨询公司签收人:提交人:20年月日注:本表一式两份,委托方、咨询方各执一份表六造价咨询项目校审记录表存档编号:页次:项目名称工程项目编号文件内容编制人校核记录校核人签名:年月日修改情况:编制人:年月日校核人:年月日修改情况:第8页共15页第7页共15页编号:时间:2021年x月x日书山有路勤为径,学海无涯苦作舟页码:第8页共15页审核记录审核人签名:年月日编制人:年月日校核人:年月日其他表七成果文件交付登记表编号:序号成果文件号成果文件名称份数(含存档)文件分发情况交付地点1工程()1已发公司签收单兹收到造价咨询有限责任公司工程()一式1份签收单位:第9页共15页第8页共15页编号:时间:2021年x月x日书山有路勤为径,学海无涯苦作舟页码:第9页共15页签收人:时间:年月日注:本表一式两份,交付人、接收人各执一份表八工程造价咨询项目征询意见回访记录表存档编号:咨询项目名称工程()项目编号回访对象服务内容序号征询意见主要内容1业务水平:低()一般()较高()高()2管理能力:较弱()弱()较强()强()3规范服务:差()一般()好()良好()4职业道德:差()一般()好()良好()第10页共15页第9页共15页编号:时间:2021年x月x日书山有路勤为径,学海无涯苦作舟页码:第10页共15页位评价意见:对本次造价业务所提供的服务贵单位:不满意()基本满意()满意()很满意()你认为还有什...

1、当您付费下载文档后,您只拥有了使用权限,并不意味着购买了版权,文档只能用于自身使用,不得用于其他商业用途(如 [转卖]进行直接盈利或[编辑后售卖]进行间接盈利)。
2、本站所有内容均由合作方或网友上传,本站不对文档的完整性、权威性及其观点立场正确性做任何保证或承诺!文档内容仅供研究参考,付费前请自行鉴别。
3、如文档内容存在违规,或者侵犯商业秘密、侵犯著作权等,请点击“违规举报”。

碎片内容

造价咨询成果表格

确认删除?
VIP
微信客服
  • 扫码咨询
会员Q群
  • 会员专属群点击这里加入QQ群
客服邮箱
回到顶部