电脑桌面
添加小米粒文库到电脑桌面
安装后可以在桌面快捷访问

玉米收获机械用户满意度调查问卷VIP免费

玉米收获机械用户满意度调查问卷_第1页
1/16
玉米收获机械用户满意度调查问卷_第2页
2/16
玉米收获机械用户满意度调查问卷_第3页
3/16
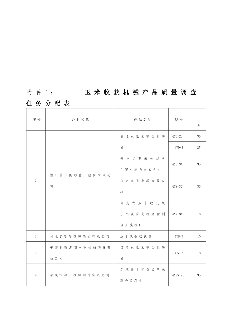
附件1:玉米收获机械产品质量调查任务分配表序号企业名称产品名称型号山东1福田雷沃国际重工股份有限公司悬挂式玉米联合收获机4YD-2B354YD-335悬挂式玉米收获机(配小麦自走底盘)4YD-3A35自走式玉米联合收获机4YZ-3C35自走式玉米收获机(小麦自走机底盘割台互换型)4YZ-3A102河北农哈哈机械集团有限公司玉米联合收获机4YB-3103中国收获洛阳中收机械装备有限公司自走式玉米联合收获机4YZ-3184荣成市海山机械制造有限公司茎穗兼收背负式玉米联合收获机4YQW-2B355山东大丰机械有限公司玉米联合收获机4YW-2354YW-3356山东国丰机械有限公司玉米联合收获机4YW-2354YZ-3104YW-3107山东金亿机械制造有限公司自走式玉米联合收获机4YZ-3108山东巨明机械有限公司玉米联合收获机4YW-2354YW-3359山东宁联机械制造有限公司玉米联合收获机4YW-21510山东润源实业有限公司自走式玉米联合收获机4YZ-33511山东时风(集团)聊城农业装备有限公司自走式玉米收获机(小麦自走机底盘)4YZ-31012山东向农机械有限公司玉米联合收获机4YW-2354YW-33513山东玉丰农业装备有限公司悬挂式玉米联合收获机4YW-235玉米联合收获机4YW-31014中国一拖集团有限公司自走式玉米联合收获机4YZ-31015河南龙工机械制造有限公司玉米联合收获机4YZ-31016藁城市收割机械有限责任公司玉米联合收割机4YX-335附件2:《关于生产、技术、销售和服务的报告》的有关要求农业部农业机械试验鉴定站为做好2009年玉米收获和油菜种植收获机械产品质量调查工作,详细了解玉米收获和油菜种植收获机械生产企业基本情况,掌握当前玉米收获和油菜种植收获机械的发展现状,各项目参加单位根据各自的职责分工,安排被调查企业编写《关于生产、技术、销售和服务的报告》。被调查企业提交该报告后,各项目参加单位按报告编写要求对报告内容进行审查与核实,经确认后加盖企业和项目参加单位公章报送总站。报告内容要求如下:一、企业总体情况综述。内容包括:建厂时间、企业更名情况(如有)、企业经营范围、主要产品、商标注册情况、公司占地面积、建筑面积、固定资产总额、现有职工人数、高中级技术人员数量、检验人员数量(划线部分在玉米收获和油菜种植收获机械方面还应单独描述)、质量管理体系认证情况、生产企业经济类型等。二、企业生产规模和能力(用于玉米收获或油菜种植收获机械产品生产)。内容包括:生产车间设置情况、主要加工设备配置情况、专用工装、夹具和模具数量、质量检验情况(量检具配置情况、试验磨合台的配置情况)、总装线设置与生产装配能力等,以上内容均要求附有相关照片。三、被调查玉米收获或油菜种植收获机械产品的研发情况。内容包括:技术改进情况、试制投产情况、产品定型鉴定情况、近两年生产销售情况、社会保有量(与实际情况相符,分机型描述,数量精确到台)、省部级推广鉴定情况、可靠性试验情况、产品企业标准制定执行情况等。四、被调查的玉米收获或油菜种植收获机械产品的技术特点。内容包括:产品结构特点(与同类产品相比具有哪些优势)、主要工作流程、动力配置情况等。五、被调查玉米收获或油菜种植收获机械产品的销售与服务保障。内容包括:产品适用范围、主要销售区域、销售网点、服务保障体系运行情况等。六、国外玉米收获或油菜种植收获机械产品的发展状况,近两年国内产品的发展状况。七、被调查玉米收获或油菜种植收获机械产品的销售形势分析以及今后该类产品的发展趋势。附件3:企业基本情况调查表填表人:联系电话:填表时间:企业名称(企业盖章)企业曾用名企业性质国有□集体□私营□股份制□联营□中外合资□外商独资□股份制□港、澳、台资□是否通过ISO9000质量体系认证是□否□是否为上市企业是□否□玉米收获或油菜种植收获机械产品投产时间年当年的产量台填写说明:以下人员、资产、产品信息只用填写与玉米收获或油菜种植收获机械产品有关的数据。职工人数工程技术人员数量检验人员数量三包服务人员数量工厂占地面积(m2)建筑面积(m2)固定资产(万元)设备总数(台套)生产设备检验设备产品情况序号规格型号产品名称功能用途产品社会保有量(台)国外玉米收获(油菜种植收获)机械发展状况...

1、当您付费下载文档后,您只拥有了使用权限,并不意味着购买了版权,文档只能用于自身使用,不得用于其他商业用途(如 [转卖]进行直接盈利或[编辑后售卖]进行间接盈利)。
2、本站所有内容均由合作方或网友上传,本站不对文档的完整性、权威性及其观点立场正确性做任何保证或承诺!文档内容仅供研究参考,付费前请自行鉴别。
3、如文档内容存在违规,或者侵犯商业秘密、侵犯著作权等,请点击“违规举报”。

碎片内容

玉米收获机械用户满意度调查问卷

精品中小学文档+ 关注
实名认证
内容提供者

精品资料,值得下载

确认删除?
VIP
微信客服
  • 扫码咨询
会员Q群
  • 会员专属群点击这里加入QQ群
客服邮箱
回到顶部