电脑桌面
添加小米粒文库到电脑桌面
安装后可以在桌面快捷访问

阳信C10楼施工组织设计1VIP免费

阳信C10楼施工组织设计1_第1页
1/111
阳信C10楼施工组织设计1_第2页
2/111
阳信C10楼施工组织设计1_第3页
3/111
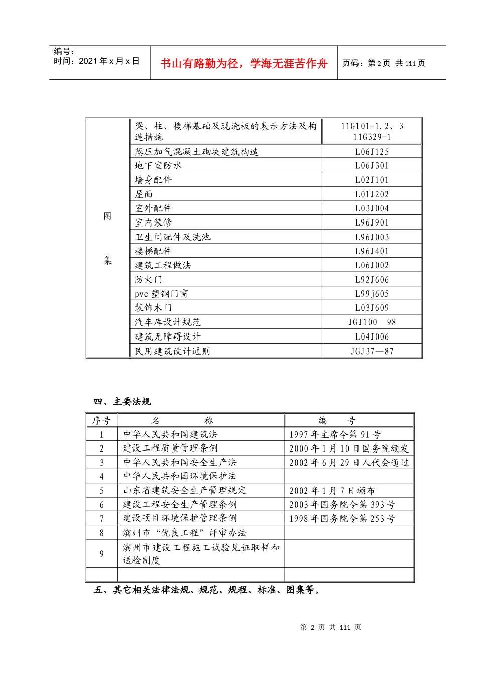
阳光嘉苑C10#楼施工组织设计制单位:阳信县诚信建筑安装有限公司编制人:编制日期:2012年月日第1页共111页编号:时间:2021年x月x日书山有路勤为径,学海无涯苦作舟页码:第1页共111页第一章编制依据一、工程施工合同及协议书。二、阳信阳光嘉苑C-10#楼工程施工图纸。三、主要规范、规程、标准、图集:规范规程建设工程项目管理规范GB/T50326-2001工程测量规范GB50026-2007建筑工程施工质量验收统一标准GB50300-2001建筑地基基础工程施工质量验收规范GB50202-2002砌体工程施工质量验收规范GB50203-2002混凝土结构工程施工质量验收规范GB50204-2002屋面工程质量验收规范GB50207-2002地下防水工程质量验收规范GB50208-2011建筑地面工程施工质量验收规范GB50209-2010建筑装饰装修工程质量验收规范GB50210-2001工程建设标准强制性条文(房屋建筑部分)建筑工程施工工艺规程DBJ14-032-2004山东省建筑工程施工技术资料管理规程DBJ14-023-2004建筑边坡工程技术规范GB50330-2002钢筋混凝土高层建筑结构设计与施工规程JGJ3-2010混凝土泵送施工技术规程JGJ/T10-95建筑工程冬期施工规程JGJ104-2011建筑施工安全检查标准JGJ59-2011建筑施工安全检查标准实施指南建筑施工高处作业安全技术规程JGJ80-91施工现场临时用电安全技术规范JGJ46-2005建筑施工扣件式钢管脚手架安全技术规范JGJ130—2011施工升降机安全规则GB10055-1996建筑机械使用安全技术规程JGJ33-2001塔式起重机安全规程GB5144-94建筑安装工人安全技术操作规程钢筋焊接及验收规程JGJ18-2003外墙保温工程技术规程JGJ144—2004民用建筑设计通则GB50325—2005建筑面积计算规则GB/T50353—2005第2页共111页第1页共111页编号:时间:2021年x月x日书山有路勤为径,学海无涯苦作舟页码:第2页共111页图集梁、柱、楼梯基础及现浇板的表示方法及构造措施11G101-1.2、311G329-1蒸压加气混凝土砌块建筑构造L06J125地下室防水L06J301墙身配件L02J101屋面L01J202室外配件L03J004室内装修L96J901卫生间配件及洗池L96J003楼梯配件L96J401建筑工程做法L06J002防火门L92J606pvc塑钢门窗L99j605装饰木门L03J609汽车库设计规范JGJ100—98建筑无障碍设计L04J006民用建筑设计通则JGJ37—87四、主要法规序号名称编号1中华人民共和国建筑法1997年主席令第91号2建设工程质量管理条例2000年1月10日国务院颁发3中华人民共和国安全生产法2002年6月29日人代会通过4中华人民共和国环境保护法5山东省建筑安全生产管理规定2002年1月7日颁布6建设工程安全生产管理条例2003年国务院令第393号7建设项目环境保护管理条例1998年国务院令第253号8滨州市“优良工程”评审办法9滨州市建设工程施工试验见证取样和送检制度五、其它相关法律法规、规范、规程、标准、图集等。第3页共111页第2页共111页编号:时间:2021年x月x日书山有路勤为径,学海无涯苦作舟页码:第3页共111页第二章工程概况第一节工程简介序号项目内容1工程名称阳信县阳光嘉苑C-10#楼工程2建设单位阳信佳宏房地产开发有限公司3勘察单位滨州市建筑设计研究院4设计单位滨州市规划设计研究院5监理单位山东省阳信城建监理有限责任公司6施工单位阳信诚信建筑安装工程有限公司7建筑面积15008.7m²8工程地点阳城六路以南、河东一路以东9开工日期2012年11月16日10竣工日期2014年8月30日11总工期656天12质量目标合格13结构形式剪力墙结构14基础形式预应力混凝土管桩、独立基础基础防水板15第4页共111页第3页共111页编号:时间:2021年x月x日书山有路勤为径,学海无涯苦作舟页码:第4页共111页第二节建筑设计概况序号项目内容1功能地下停车位、主楼地下两层储藏室、一、二层商铺、二层以上住宅2建筑规模建筑总面积15008.7m²建筑层数地上11层地下2层建筑层高车库地下一层3.85m储藏室地下二层2.8m储藏室地下一层2.7m首层、二层3.90、3.50标准层3.0m3建筑高度±0.000绝对标高9.900m槽底标高-6.900m室内外高差0.450m建筑高度39.700m4屋面水泥砂浆平瓦坡屋面、细石砼屋面,配筋混凝土停车场屋面,种植屋面5外墙面涂料外墙墙面、50厚挤塑板保温、50厚岩棉隔离带保温、胶粉颗粒找平,腻子涂料。6内墙面水泥混合砂浆墙...

1、当您付费下载文档后,您只拥有了使用权限,并不意味着购买了版权,文档只能用于自身使用,不得用于其他商业用途(如 [转卖]进行直接盈利或[编辑后售卖]进行间接盈利)。
2、本站所有内容均由合作方或网友上传,本站不对文档的完整性、权威性及其观点立场正确性做任何保证或承诺!文档内容仅供研究参考,付费前请自行鉴别。
3、如文档内容存在违规,或者侵犯商业秘密、侵犯著作权等,请点击“违规举报”。

碎片内容

阳信C10楼施工组织设计1

您可能关注的文档

确认删除?
VIP
微信客服
  • 扫码咨询
会员Q群
  • 会员专属群点击这里加入QQ群
客服邮箱
回到顶部