电脑桌面
添加小米粒文库到电脑桌面
安装后可以在桌面快捷访问

曲柄压力机动态应力测试VIP免费

曲柄压力机动态应力测试_第1页
1/7
曲柄压力机动态应力测试_第2页
2/7
曲柄压力机动态应力测试_第3页
3/7
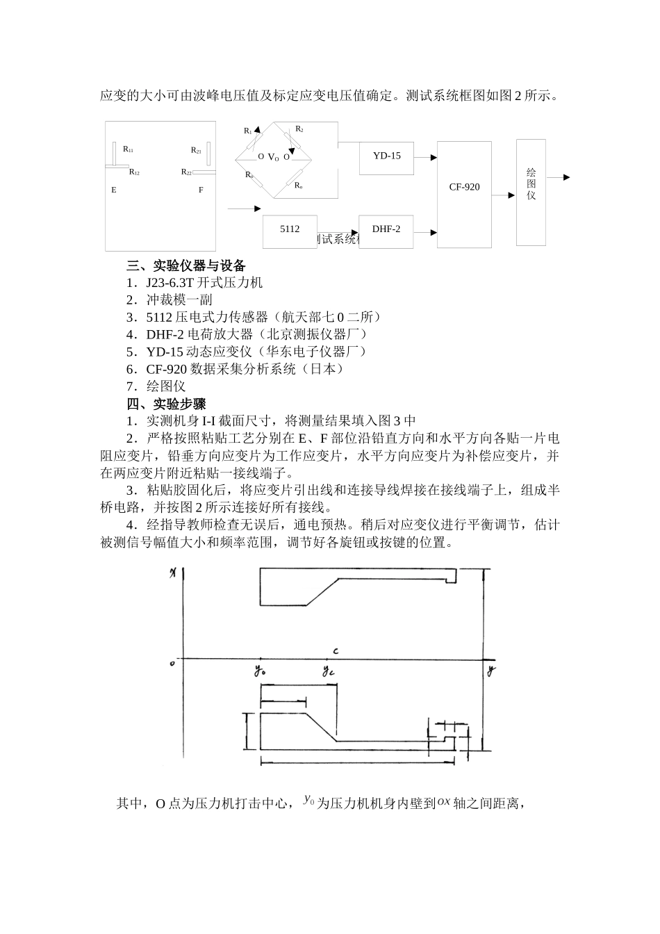
《材料成型设备》曲柄压力机动态应力测试实验指导书材料成型设备教学组2011-10曲柄压力机动态应力测试一、实验目的1.掌握动态应力测试的实验技术,培养学生贴片、焊接、组桥的实际动手能力;2.对J23-6.3T开式压力机机身动态应力进行应力分析计算,进一步掌握压力机机身强度鉴定方法;3.测定J23-6.3T开式压力机工作时的冲裁力和机身动态应变,掌握力,应力测试仪器的使用方法,掌握动态信号测试的基本方法。二、实验原理开式压力机机身强度计算可将其简化为偏心拉伸的开口刚架,并取其喉口处I-I截面为危险截面。当机身受标称压力Pg作用时,此截面受拉力Pg和附加弯矩M的组合作用,应力应为Pg和M所引起应力的叠加,即.其最大应力应在立柱内侧面E点处,该处应力仍处于主应力方向已知的单向应力状态。如图1所示图1机身应力分析因此,测定机身在工作载荷作用下的冲裁力P和应变,根据机身弹性变形的线性关系和虎克定律,可确定机身危险截面在标称压力Pg作用下的最大应力,判断该应力是否小于机身的许用应力[],是鉴定机身强度的有效方法。本实验采用冲裁模加载,冲裁板料厚度为1mm的Spcc钢板,直径为Φ36mm圆孔。冲裁力为一冲击信号,压力机机身由此而产生的应变也是随时间变化的动态应变,冲裁力信号可利用安装在冲裁模内的压电式力传感器转变成电荷量的变化,此变化量经电荷放大器放大后,由记录仪可得冲裁力波形,冲裁力大小可由波峰电压值及传感器电压灵敏度确定。动态应变信号可由电阻应变片作为转换元件,测量前,在I-I截面E、F点处分别沿主应力方向以及与主应力方向垂直的方向各贴一片应变片,组成半桥,如图2所示。当压力机工作时,电阻应变片将机身的弹性变形转变成电阻的变化,致使应变电桥输出电压发生变化,此变化量经动态应变仪放大后由记录仪可记录其应变波形。动态应变的大小可由波峰电压值及标定应变电压值确定。测试系统框图如图2所示。图2测试系统框图三、实验仪器与设备1.J23-6.3T开式压力机2.冲裁模一副3.5112压电式力传感器(航天部七0二所)4.DHF-2电荷放大器(北京测振仪器厂)5.YD-15动态应变仪(华东电子仪器厂)6.CF-920数据采集分析系统(日本)7.绘图仪四、实验步骤1.实测机身I-I截面尺寸,将测量结果填入图3中2.严格按照粘贴工艺分别在E、F部位沿铅直方向和水平方向各贴一片电阻应变片,铅垂方向应变片为工作应变片,水平方向应变片为补偿应变片,并在两应变片附近粘贴一接线端子。3.粘贴胶固化后,将应变片引出线和连接导线焊接在接线端子上,组成半桥电路,并按图2所示连接好所有接线。4.经指导教师检查无误后,通电预热。稍后对应变仪进行平衡调节,估计被测信号幅值大小和频率范围,调节好各旋钮或按键的位置。其中,O点为压力机打击中心,为压力机机身内壁到轴之间距离,R11R12ER21R22FR2R1OOVORoRoYD-155112DHF-2CF-920绘图仪图3机身截面图5.加载试测,观察所记录波形是否满意,并可通过调节工作频率范围和量程调整波形,直到满意为止。6.重复测量六次,每次测量时,利用光标读取每次记录波峰的电压值,填入表1。测量结束前,利用动态应变仪标定旋钮输出标准应变标(),并利用记录仪读取标准应变标对应输出电压值u标。五、数据处理1.计算动态应变值和冲裁力的大小,将结果填入表11)动态应变测点应变:式中:——材料泊松比——第i次测量E或F点应变波峰电压值标——应变仪输出标准应变值,标=100标——标准应变对应电压值平均应变:均方根误差:测量结果:2)冲裁力第i次测得冲裁力:式中:——第i次测量冲裁力波峰电压值——压电式力传感器电压灵敏度=0.1V/KN标标平均冲裁力:均方根误差:测量结果表1冲截力、动态应变测量结果测量次数测量内容123456测量结果冲裁力波峰电压(V)冲裁力(KN)E点应变波峰电压(V)应变()F点应变波峰电压(V)应变()2.根据机身截面尺寸计算该截面形心C的坐标C()及对形心轴的惯性矩:式中:——形心c轴坐标——形心c轴坐标——I-I截面中第i个子截面面积——I-I截面中第i个子截面形心离轴距离——I-I截面对形心轴的惯性矩——第i个子截面对各自形心轴的惯性矩——第i个子截面形心离形心轴的距离3.计算机身...

1、当您付费下载文档后,您只拥有了使用权限,并不意味着购买了版权,文档只能用于自身使用,不得用于其他商业用途(如 [转卖]进行直接盈利或[编辑后售卖]进行间接盈利)。
2、本站所有内容均由合作方或网友上传,本站不对文档的完整性、权威性及其观点立场正确性做任何保证或承诺!文档内容仅供研究参考,付费前请自行鉴别。
3、如文档内容存在违规,或者侵犯商业秘密、侵犯著作权等,请点击“违规举报”。

碎片内容

曲柄压力机动态应力测试

确认删除?
VIP
微信客服
  • 扫码咨询
会员Q群
  • 会员专属群点击这里加入QQ群
客服邮箱
回到顶部