电脑桌面
添加小米粒文库到电脑桌面
安装后可以在桌面快捷访问

隧道施工简要论述VIP免费

隧道施工简要论述_第1页
1/17
隧道施工简要论述_第2页
2/17
隧道施工简要论述_第3页
3/17
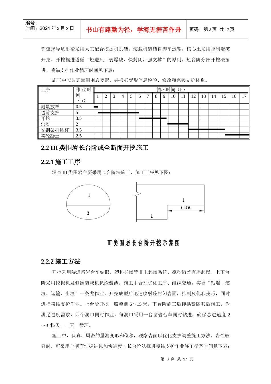
第1页共17页编号:时间:2021年x月x日书山有路勤为径,学海无涯苦作舟页码:第1页共17页隧道施工1、洞口施工1.1边仰坡施工洞口施工前先做好洞口边仰坡截水沟,截水沟距边仰坡开挖边缘不小于5米。截水沟施工完毕后自上而下进行边仰坡开挖,按设计坡度一次修整到位。并分层进行边坡防护,以防岩土风化,雨水渗透而坍塌。边仰坡采用锚喷支护。刷坡防护到路基面标高。1.2明洞施工明洞开挖完成后,立即施工暗洞超前支护和进洞施工,并尽早进行边墙基础和仰拱砼施工,在暗洞进洞50米左右(视围岩情况和初期支护情况进行调整)开始进行洞身衬砌施工。暗洞洞口处二次衬砌施工完成后,及时进行明洞衬砌施工,施工时注意明洞与暗洞的顺接。明洞衬砌采用自行式衬砌台车,一次浇注成型,保证内轮廓光滑圆顺,外模采用木模。采用泵送砼施工。明洞施工应避开雨季施工。在与洞门连接部位环向预埋80厘米长φ22钢筋,以增强洞门墙的稳定。待拱圈砼达设计强度的50%后,开始施工墙背防水层。防水层以上50厘米采用碎石土回填。1.3洞口段施工第2页共17页第1页共17页编号:时间:2021年x月x日书山有路勤为径,学海无涯苦作舟页码:第2页共17页洞口采用分层开挖,施工机械以CAT320挖掘机为主,洞口场地以装载机辅以推土机整平压实,遇坚硬石质地层钻眼爆破,采用自卸车弃往进出口路基填方段。洞口段处于II类围岩内,采用“套拱法”进洞,即在洞口处隧道洞身上部衬砌轮廓线以外,立摸灌注30~40cm厚的砼,长度2~3米,嵌进山体0.5~1.0米,外露0.5~2米,以确保洞口段岩体稳定和施工安全。然后采用上下导坑法施工,开挖前进行超前支护。该段施工避开雨季并遵循“短进尺,弱爆破,快封闭,强支撑”的施工原则。1.4洞门修筑隧道洞门在进洞施工正常后,结合地形地质及考虑洞口美化等条件,安排在雨季前完成施工。2、洞身开挖施工2.1II类围岩地段短台阶分部开挖法施工2.1.1施工工序II类围岩地段,采用短台阶分部开挖法施工,施工工序见下图:2.1.2施工方法上部弧形导坑及边墙以人工风镐开挖为主,需要时辅以弱爆破;地质不良地段开挖前采用工字钢拱架,大管棚作为超前支护,开挖后及时喷混凝土封闭岩面,并进行初期喷锚钢纤维砼支护作业。随后进行边墙的开挖和支护。台阶长度视岩性而定通常取2~4米。上第3页共17页第2页共17页编号:时间:2021年x月x日书山有路勤为径,学海无涯苦作舟页码:第3页共17页部弧形导坑出碴采用人工配合挖掘机扒碴,装载机装碴自卸车运输,核心土采用控制爆破开挖。开挖掘进遵循“短进尺,弱爆破,快封闭,强支撑”的原则。短台阶分部开挖法掘进、喷锚支护作业循环时间见下表:施工中应认真量测围岩变形,并根据变形信息检验、修改和完善支护体系。2.2III类围岩长台阶或全断面开挖施工2.2.1施工工序洞身III类围岩主要采用长台阶法施工,施工工序见下图:2.2.2施工方法开挖采用隧道凿岩台车钻眼,塑料导爆管非电起爆系统、毫秒微差有序起爆。上下台阶采用挖掘机及侧翻装载机扒渣装渣。施工中合理优化工序、组织交通,实行“钻爆、装渣、运输、出渣”一条龙作业。开挖成型后迅速喷射砼封闭岩面,抑制风化和变形,同时进行喷锚支护作业。上台阶开挖一般超前6~15米。下台阶施工后仰拱紧随其后施工。为满足进度需求,四个洞口同时作业,每洞口采用一台凿岩台车同时钻进,确保总进速度2~3米/天,一天一循环。施工中,认真、周密的量测变形和位移,观察岩面以优化支护调整施工方法。岩性较好时,可采用全断面法掘进以加快进度。长台阶法掘进喷锚支护作业施工循环时间见下表:工序作业时间(h)循环时间(h)1234567891011121314151617测量放样0.5超前支护5开挖3.5出渣2安钢架打锚杆3.5喷砼凝土2.5第4页共17页第3页共17页编号:时间:2021年x月x日书山有路勤为径,学海无涯苦作舟页码:第4页共17页2.3IV类围岩地段全断面法开挖施工2.3.1施工工序洞身IV类围岩采用全断面法施工,施工工序见下图:2.3.2施工方法IV类围岩地段采用凿岩台车钻眼,光面爆破施工,采用塑料导爆管非电起爆系统,毫秒微差有序起爆。由侧翻式装载机装渣,自卸车运输。在爆破作业中,采用“W”型水幕降尘器喷雾降尘,确...

1、当您付费下载文档后,您只拥有了使用权限,并不意味着购买了版权,文档只能用于自身使用,不得用于其他商业用途(如 [转卖]进行直接盈利或[编辑后售卖]进行间接盈利)。
2、本站所有内容均由合作方或网友上传,本站不对文档的完整性、权威性及其观点立场正确性做任何保证或承诺!文档内容仅供研究参考,付费前请自行鉴别。
3、如文档内容存在违规,或者侵犯商业秘密、侵犯著作权等,请点击“违规举报”。

碎片内容

隧道施工简要论述

您可能关注的文档

确认删除?
VIP
微信客服
  • 扫码咨询
会员Q群
  • 会员专属群点击这里加入QQ群
客服邮箱
回到顶部