电脑桌面
添加小米粒文库到电脑桌面
安装后可以在桌面快捷访问

非平衡状态下的传输规约互联实施细则VIP免费

非平衡状态下的传输规约互联实施细则_第1页
1/20
非平衡状态下的传输规约互联实施细则_第2页
2/20
非平衡状态下的传输规约互联实施细则_第3页
3/20
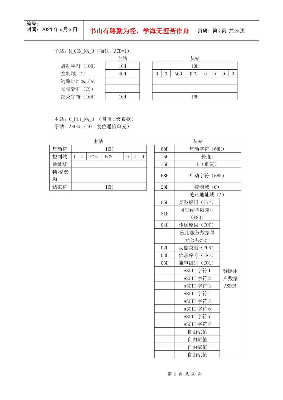
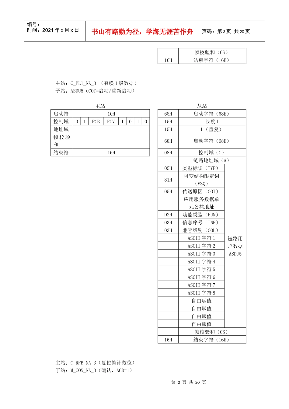
第1页共20页编号:时间:2021年x月x日书山有路勤为径,学海无涯苦作舟页码:第1页共20页非平衡状态下的103规约互联实施说明IEC60870-5-103传输规约(以下简称103规约)是1999年10月1日实施的电力行业标准(国内称为DL/T667-1999继电保护设备信息接口配套标准)。变电站监控系统以及其它与监控系统以103规约互联并交换实时数据的自动化设备,需遵循以下原则。一:物理接口和链路层性能1:互联设备厂商提供标准的电气EIARS-485接口,提供连线说明。RS485总线以9.6Kbit/s的速率传输数据。2:主站将设置一定的重复帧传输超时时间间隔TLD。当子站回答时延(从主站发送完一帧报文的最后一个字节计时到接受到子站一帧报文的第一个字节)超过TLD,主站认为子站回答超时,重传报文。重传3次仍超时,主站将认为子站通讯中断,将向子站发送复位通信单元报文(C_RCU_NA_3)。103规约原文规定TLD为50ms。现场应用由后台厂家和设备厂家商定合理的值。3:在RS485总线上的设备在发送完数据后需从发送状态置转为接受状态,准备接受数据。考虑到RS485总线上物理设备的状态切换时延,发送方在发送每一帧数据前需增加20ms到50ms的时延。4:如果并接在RS485总线上的是通信管理机,则该管理机需要具备模拟它下属多个子站的能力。无论从链路地址和通信内容上,通信管理机都对主站透明,不附加新的通信层次。二:信息序号、功能码和通用服务定义当保护设备上送103规约(包括附录)未定义的信息时可以在保留的信息序号种定义。当保护功能或其它类型的自动化装置不能完全由103规约(包括附录)定义的功能码描述时,可以选用保留的功能码。所有装置采用的信息序号、功能码和通用服务都需要附上详细的文本说明。三:初始化和对时当主站复位或重新加电运行后,主站将对每一子站进行初始化过程。当某一子站单独复位或重新加电运行后,主站将单独对该子站进行初始化过程。初始化是主站和子站间开始通信所进行的唯一过程。子站复位后必须从响应主站复位报文开始回答。复位分为两种方式:复位通信单元(C_RCU_NA_3)和复位帧计数位(C_RFB_NA_3)。复位通信单元(C_RCU_NA_3)将帧计数位清0,并删除发送缓冲区;而复位帧计数位(C_RCU_NA_3)仅仅将帧计数位清0。初始化具体过程如下:主站:C_RCU_NA_3(复位通信单元)第2页共20页第1页共20页编号:时间:2021年x月x日书山有路勤为径,学海无涯苦作舟页码:第2页共20页子站:M_CON_NA_3(确认,ACD=1)主站从站启动字符(10H)10H10H控制域(C)40H00ACDDFC0000链路地址域(A)帧校验和(CS)结束字符(16H)16H16H主站:C_PL1_NA_3(召唤1级数据)子站:ASDU5(COT=复位通信单元)主站从站启动符10H68H启动字符(68H)控制域01FCBFCV101015H长度L地址域15HL(重复)帧校验和68H启动字符(68H)结束符16H28H控制域(C)链路地址域(A)05H类型标识(TYP)链路用户数据ASDU581H可变结构限定词(VSQ)04H传送原因(COT)应用服务数据单元公共地址D2H功能类型(FUN)03H信息序号(INF)03H兼容级别(COL)ASCII字符1ASCII字符2ASCII字符3ASCII字符4ASCII字符5ASCII字符6ASCII字符7ASCII字符8自由赋值自由赋值自由赋值自由赋值第3页共20页第2页共20页编号:时间:2021年x月x日书山有路勤为径,学海无涯苦作舟页码:第3页共20页帧校验和(CS)16H结束字符(16H)主站:C_PL1_NA_3(召唤1级数据)子站:ASDU5(COT=启动/重新启动)主站从站启动符10H68H启动字符(68H)控制域01FCBFCV101015H长度L地址域15HL(重复)帧校验和68H启动字符(68H)结束符16H08H控制域(C)链路地址域(A)05H类型标识(TYP)链路用户数据ASDU581H可变结构限定词(VSQ)05H传送原因(COT)应用服务数据单元公共地址D2H功能类型(FUN)03H信息序号(INF)03H兼容级别(COL)ASCII字符1ASCII字符2ASCII字符3ASCII字符4ASCII字符5ASCII字符6ASCII字符7ASCII字符8自由赋值自由赋值自由赋值自由赋值帧校验和(CS)16H结束字符(16H)主站:C_RFB_NA_3(复位帧计数位)子站:M_CON_NA_3(确认,ACD=1)第4页共20页第3页共20页编号:时间:2021年x月x日书山有路勤为径,学海无涯苦作舟页码:第4页共20...

1、当您付费下载文档后,您只拥有了使用权限,并不意味着购买了版权,文档只能用于自身使用,不得用于其他商业用途(如 [转卖]进行直接盈利或[编辑后售卖]进行间接盈利)。
2、本站所有内容均由合作方或网友上传,本站不对文档的完整性、权威性及其观点立场正确性做任何保证或承诺!文档内容仅供研究参考,付费前请自行鉴别。
3、如文档内容存在违规,或者侵犯商业秘密、侵犯著作权等,请点击“违规举报”。

碎片内容

非平衡状态下的传输规约互联实施细则

精品中小学资料+ 关注
实名认证
内容提供者

精品文档

确认删除?
VIP
微信客服
  • 扫码咨询
会员Q群
  • 会员专属群点击这里加入QQ群
客服邮箱
回到顶部