电脑桌面
添加小米粒文库到电脑桌面
安装后可以在桌面快捷访问

项目临时用电施工方案(完整版)VIP免费

项目临时用电施工方案(完整版)_第1页
1/47
项目临时用电施工方案(完整版)_第2页
2/47
项目临时用电施工方案(完整版)_第3页
3/47
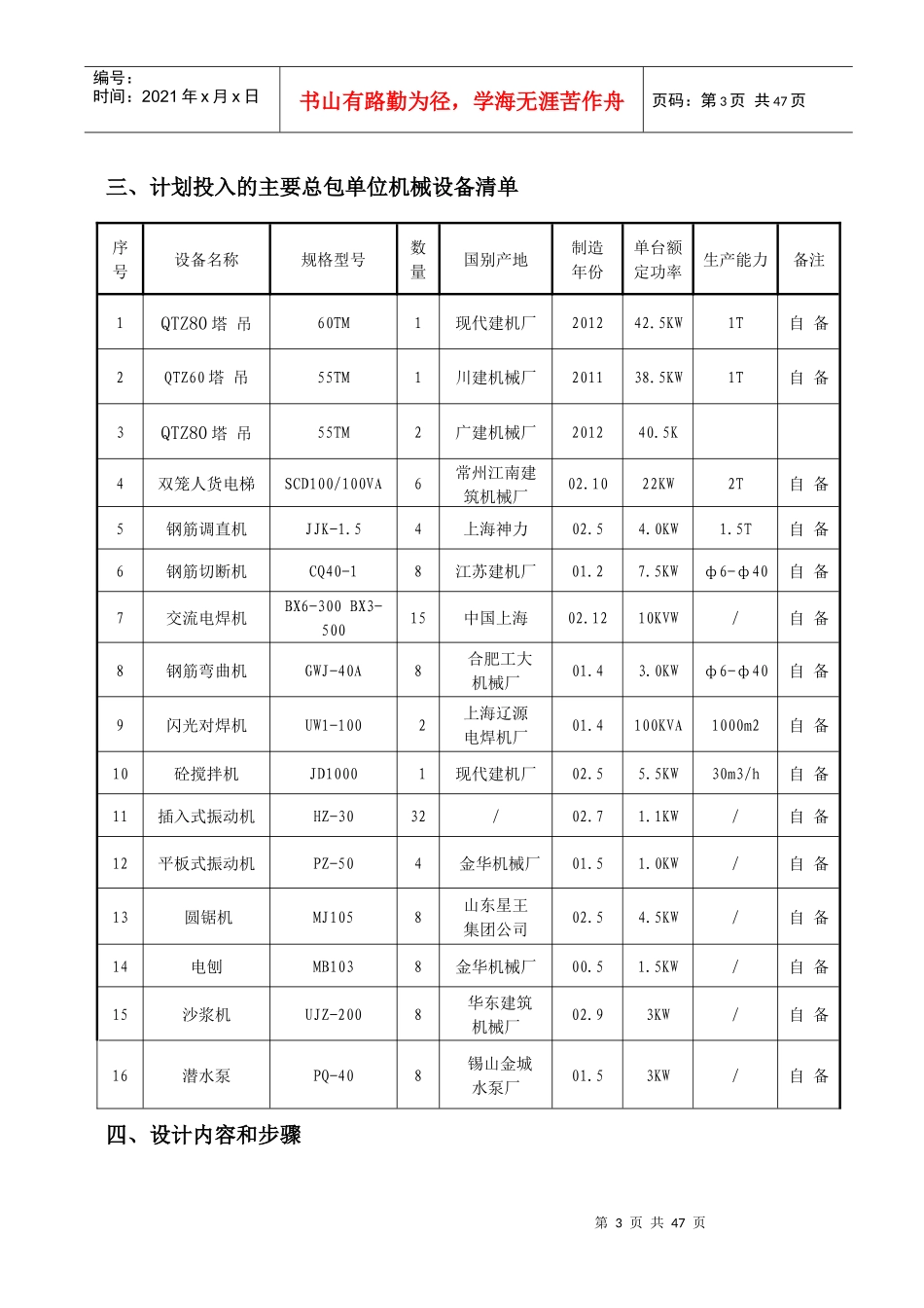
第1页共47页编号:时间:2021年x月x日书山有路勤为径,学海无涯苦作舟页码:第1页共47页第一章概述一、本工程为四川嘉陵江航电基地一期工程,位于四川省南充市高坪区江东大道西侧。本项目总计房屋6栋,建筑面积68981.7平方米,其中地上建筑面积60362.7平方米,地下建筑面积8619平方米。3#、6#、8#全住宅楼每栋16层,5#楼14层全为住宅;2#楼地上1层为商业,2-18层为住宅;7#楼地上1-2层为商业,3-18层为住宅;6#、7#、8#楼含地下室一层。本工程结构安全等级为二级,建筑耐火等级二级,抗震设防烈度为六度。合理使用年限为50年。主体结构为框架剪力墙结构。二、本方案主要是施工现场临时用电施工设计的编制、基本供电系统的结构和设置、基本保护系统、接地装置、配电装置、配电箱的结构、电器配置与接线规则及配电装置的使用与维护;配电线路的一般要求和架空线路、电缆线路、室内配线路敷设规则;电动机械、电动工具的使用对外电线路的防护、防雷及电气防火措施的基本要求。三、施工现场必须使用TN-S接地、接零保护系统;三级配电系统;两级漏电保护和两道防线。临时用电是施工现场在施工过程中使用的电力,也是建筑施工过程的用电工程或用电系统的简称。第二章:工程设备及计算一、大型设备统计第2页共47页第1页共47页编号:时间:2021年x月x日书山有路勤为径,学海无涯苦作舟页码:第2页共47页在基础施工阶段,安装1台QTZ806010塔吊、安装1台QTZ605510塔吊、安装2台QTZ805512塔吊,在主体到4层以上施工阶段,再安装6台施工电梯,以满足垂直运输的需要,确保主体工程优质、高速完成。在装饰施工阶段,待屋面工程结束后,塔吊拆除。二、施工用电量计算:地临时供电包括施工及照明用电两个方面,计算公式如下:P=1.1(K1ΣPc+K2ΣPa+K3ΣPb)其中P——计算用电量(KW),即供电设备总需要容量;Pc——全部施工动力用电设备额定用量之和;Pa——室内照明设备额定用电量之和;Pb——室外照明设备额定用电量之和;K1——全部施工用电设备同时使用系数;总数10台以内取0.75;10-30台取0.7;30台以上取0.6;K2——室内照明设备同时使用系数,取0.8;K3——室外照明设备同时使用系数,取1.0;综合考虑施工用电约占总用电量90%,室内外照明电约占总用电量10%,则有P=1.1(K1ΣPcK2+0.1P)=1.24K1ΣPc本例计算中K1=0.6第3页共47页第2页共47页编号:时间:2021年x月x日书山有路勤为径,学海无涯苦作舟页码:第3页共47页三、计划投入的主要总包单位机械设备清单序号设备名称规格型号数量国别产地制造年份单台额定功率生产能力备注1QTZ80塔吊60TM1现代建机厂201242.5KW1T自备2QTZ60塔吊55TM1川建机械厂201138.5KW1T自备3QTZ80塔吊55TM2广建机械厂201240.5K4双笼人货电梯SCD100/100VA6常州江南建筑机械厂02.1022KW2T自备5钢筋调直机JJK-1.54上海神力02.54.0KW1.5T自备6钢筋切断机CQ40-18江苏建机厂01.27.5KWф6-ф40自备7交流电焊机BX6-300BX3-50015中国上海02.1210KVW/自备8钢筋弯曲机GWJ-40A8合肥工大机械厂01.43.0KWф6-ф40自备9闪光对焊机UW1-1002上海辽源电焊机厂01.4100KVA1000m2自备10砼搅拌机JD10001现代建机厂02.55.5KW30m3/h自备11插入式振动机HZ-3032/02.71.1KW/自备12平板式振动机PZ-504金华机械厂01.51.0KW/自备13圆锯机MJ1058山东星王集团公司02.54.5KW/自备14电刨MB1038金华机械厂00.51.5KW/自备15沙浆机UJZ-2008华东建筑机械厂02.93KW/自备16潜水泵PQ-408锡山金城水泵厂01.53KW/自备四、设计内容和步骤第4页共47页第3页共47页编号:时间:2021年x月x日书山有路勤为径,学海无涯苦作舟页码:第4页共47页1、现场勘探及初步设计:(1)现场采用380V低压供电,设一配电总箱,内有计量设备,两台一级配电箱,采用TN-S系统供电。(2)根据施工现场用电设备布置情况,采用导线穿钢管埋地敷设,布置位置及线路走向参见临时配电系统图及现场平面图,采用三级配电,两极防护。(4)按照《JGJ46-2005》规定制定施工组织设计,接地电阻R≤4Ω。总的有功功率Pjs=Kx×ΣPjs=0.90×(4.93+14.04+4.40+4.13+2.64+3.00+2.40+3.30+23.16+4.95+1.20+0.21+45.00+14.04+4.40+4.13+2.64+3.00+2.40+3.30+3.60+0.21+6.6...

1、当您付费下载文档后,您只拥有了使用权限,并不意味着购买了版权,文档只能用于自身使用,不得用于其他商业用途(如 [转卖]进行直接盈利或[编辑后售卖]进行间接盈利)。
2、本站所有内容均由合作方或网友上传,本站不对文档的完整性、权威性及其观点立场正确性做任何保证或承诺!文档内容仅供研究参考,付费前请自行鉴别。
3、如文档内容存在违规,或者侵犯商业秘密、侵犯著作权等,请点击“违规举报”。

碎片内容

项目临时用电施工方案(完整版)

精品中小学资料+ 关注
实名认证
内容提供者

精品文档

确认删除?
VIP
微信客服
  • 扫码咨询
会员Q群
  • 会员专属群点击这里加入QQ群
客服邮箱
回到顶部