电脑桌面
添加小米粒文库到电脑桌面
安装后可以在桌面快捷访问

项目实训七柔性生产制造系统提升及高架仓库单元设计VIP免费

项目实训七柔性生产制造系统提升及高架仓库单元设计_第1页
1/8
项目实训七柔性生产制造系统提升及高架仓库单元设计_第2页
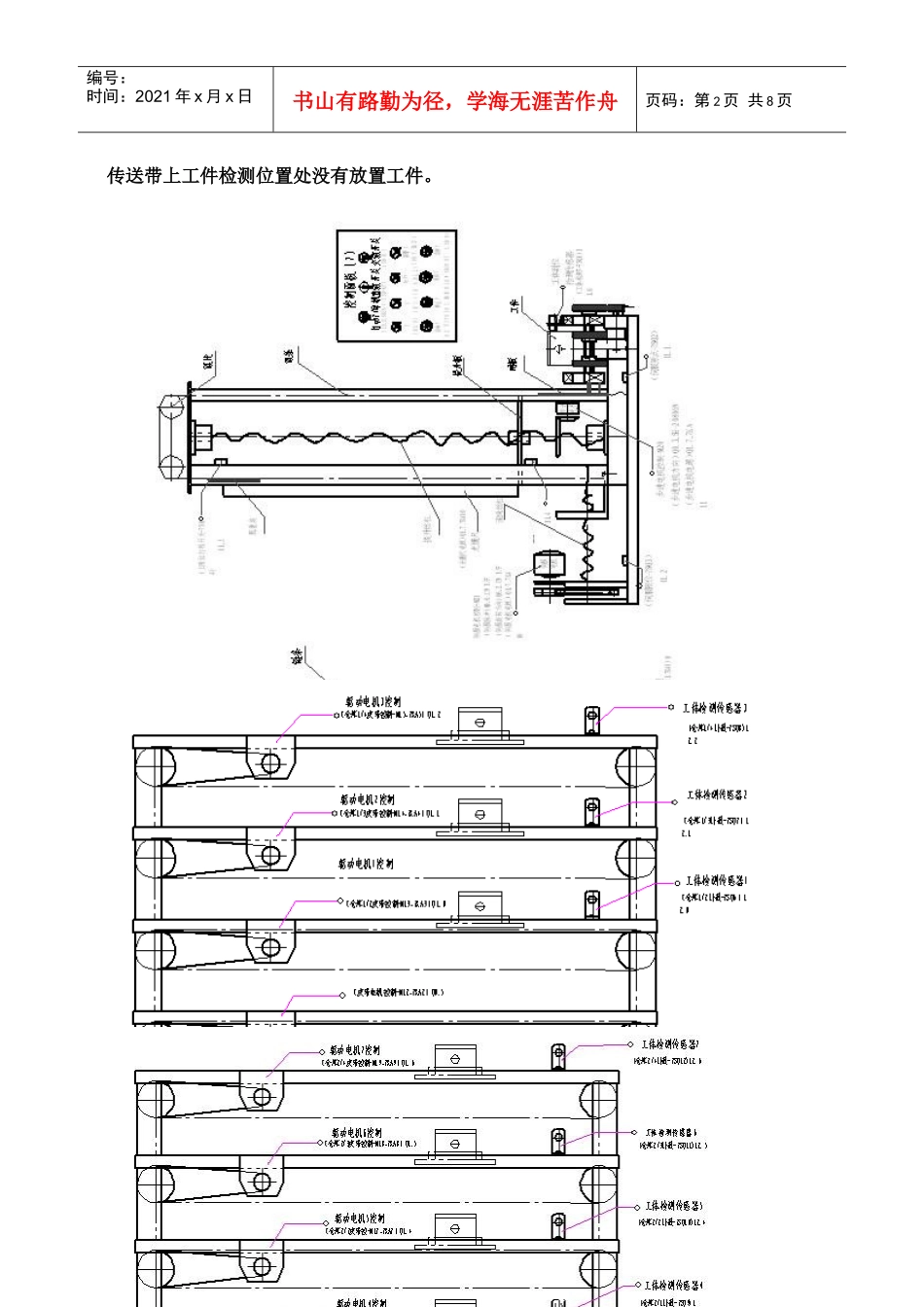
2/8
项目实训七柔性生产制造系统提升及高架仓库单元设计_第3页
3/8
第1页共8页编号:时间:2021年x月x日书山有路勤为径,学海无涯苦作舟页码:第1页共8页项目实训七:柔性生产制造系统提升及高架仓库单元设计、安装与调试一、本单元系统组成及功能1、系统组成提升及高架仓库单元,如图一所示,由以下部件组成:1、S7-226PLC2、EM277DP通信模块3、Profibus-DP总线及连接器4、伺服电机及驱动器5、步进电机及驱动器6、三位短柄选择开关7、两位短柄选择开关8、平头按钮9、急停按钮10、指示灯11、传感器12、电动机13、继电器14、电磁铁15、学习板16、电源插座图一提升及高架仓库单元系统结构简图如图二所示。2、系统功能提升及高架仓库单元只有满足原点条件时,按下〈启动〉按钮后,设备才可能处于运行工作状态。成、废品分拣及废品输送单元的原点启动条件为:第2页共8页第1页共8页编号:时间:2021年x月x日书山有路勤为径,学海无涯苦作舟页码:第2页共8页传送带上工件检测位置处没有放置工件。第3页共8页第2页共8页编号:时间:2021年x月x日书山有路勤为径,学海无涯苦作舟页码:第3页共8页图二提升及高架仓库单元结构简图该单元按照先放仓库1,后放仓库2;先底层后高层的顺序放置工件,每层放置1个,放完7层后,从仓库1的第二层开始重新放置。当提升单元位于运行原点时,按下启动按钮后,本站〈运行〉指示灯点亮,若该单元未碰到(7SQ2)或(7SQ5)两个限位开关时,则按照先步进后伺服的顺序发多段脉冲,先后启动步进电机和伺服电机,直至该单元碰到伺服原点和提升下限位。然后该单元的直流减速电机(M11)及仓库1的一层传送带电机(M12)启动,带动传送带旋转。当传感器(7SQ1)检测到工件到位时,直流减速电机(M11)停止运行。若工件需放到仓库2,则启动伺服电机,将提升单元向后水平拖动到仓库2,否则根据工件被放置的层数发不同数量的脉冲启动步进电机,将提升单元的升降台垂直向上拖动。当升降台移动到相应的仓库和层时,该单元的直流减速电机(M11)及相应仓库相应层的传送带电机启动,带动传送带运行。当该层的工件检测传感器感应到工件到位时,该层的传送带延时通电0.5秒后与直流减速电机(M11)均断电。而后,启动步进电机,使提升单元垂直向下运动,直至碰到提升下限位开关(7SQ5)。若提升单元位于仓库2,则启动伺服电机带动该单元水平向前运动到伺服原点(7SQ2)。而后,直流减速电机(M11)再次启动。二、控制系统硬件部分1、硬件清单本单元所用硬件清单如表一所示。表一提升及高架仓库单元硬件清单代号名称数量规格型号备注SB36选择开关1LA42X3-40/B“S”,三位四常开短柄,黑色运行状态选择SB-A7、SB-B7选择开关2LA42X2-10/B“S”,二位一常开短柄,黑色交流、直流开关SB37按钮1AL42P-10/G“S”,一常开,绿色启动第4页共8页第3页共8页编号:时间:2021年x月x日书山有路勤为径,学海无涯苦作舟页码:第4页共8页SB38按钮1AL42P-10/R“S”,一常开,红色停止SB39按钮1AL42P-10/Y“S”,一常开,黄色复位SB40急停按钮1LA42J-11/R,一常开一常闭,红色急停HL30、HL32指示灯2AD17-22/DC24VG,(绿色)直流、运行指示HL31指示灯1AD17-22/AC220VR,(红色)交流指示HL33指示灯1AD17-22/DC24VR,(红色)报警ACH7单相三孔插座1AC220V/6A7PC可编程序控制器1S7-200-226,24I/16O,24VDC电源、输入、24VDC晶体管输出西门子通讯模块1EM277,PROFIBUS-DP模块同上PLC隔离输入板继电器及隔离输出板11自制7KA1-7KA11继电器11AHN22324,坐:AHNA21,24VDC,5A松下M12-M19直流减速电机855ZYN001J2000,直流24V,传动比1:40,50r/min传送带驱动M11直流减速电机155ZYN001J2000,直流24V,传动比1:75,26r/min安装在升降台M20步进电机186BYG250A,混合式步进电机2相,静力矩2.5NM北京四通;升降M21伺服电机1MSMA5AZA1G,50W,额定转速:3000rpm,3ΦAC42V,编码器规格:2500p/r增量式松下;滚轴丝杠驱动GDC光栅尺1尺:KA-300表台:SDS3-1广州信和SH步进电机驱动器1SH-20806N,24~70VDC,0.9~3A,64细分,接口方式:共阳,控制信号:5/24V,步进脉冲频率0~2MHz北京四通MSDA5A3A1ACNI/F伺服电机驱动器1MSDA5A3A1A,输入200~230V3Φ,0.4A,50/60Hz,输出42V3Φ,1...

1、当您付费下载文档后,您只拥有了使用权限,并不意味着购买了版权,文档只能用于自身使用,不得用于其他商业用途(如 [转卖]进行直接盈利或[编辑后售卖]进行间接盈利)。
2、本站所有内容均由合作方或网友上传,本站不对文档的完整性、权威性及其观点立场正确性做任何保证或承诺!文档内容仅供研究参考,付费前请自行鉴别。
3、如文档内容存在违规,或者侵犯商业秘密、侵犯著作权等,请点击“违规举报”。

碎片内容

项目实训七柔性生产制造系统提升及高架仓库单元设计

您可能关注的文档

精品中小学资料+ 关注
实名认证
内容提供者

精品文档

确认删除?
VIP
微信客服
  • 扫码咨询
会员Q群
  • 会员专属群点击这里加入QQ群
客服邮箱
回到顶部