电脑桌面
添加小米粒文库到电脑桌面
安装后可以在桌面快捷访问

项目物资采购管理策划书(DOC36页)VIP免费

项目物资采购管理策划书(DOC36页)_第1页
1/31
项目物资采购管理策划书(DOC36页)_第2页
2/31
项目物资采购管理策划书(DOC36页)_第3页
3/31
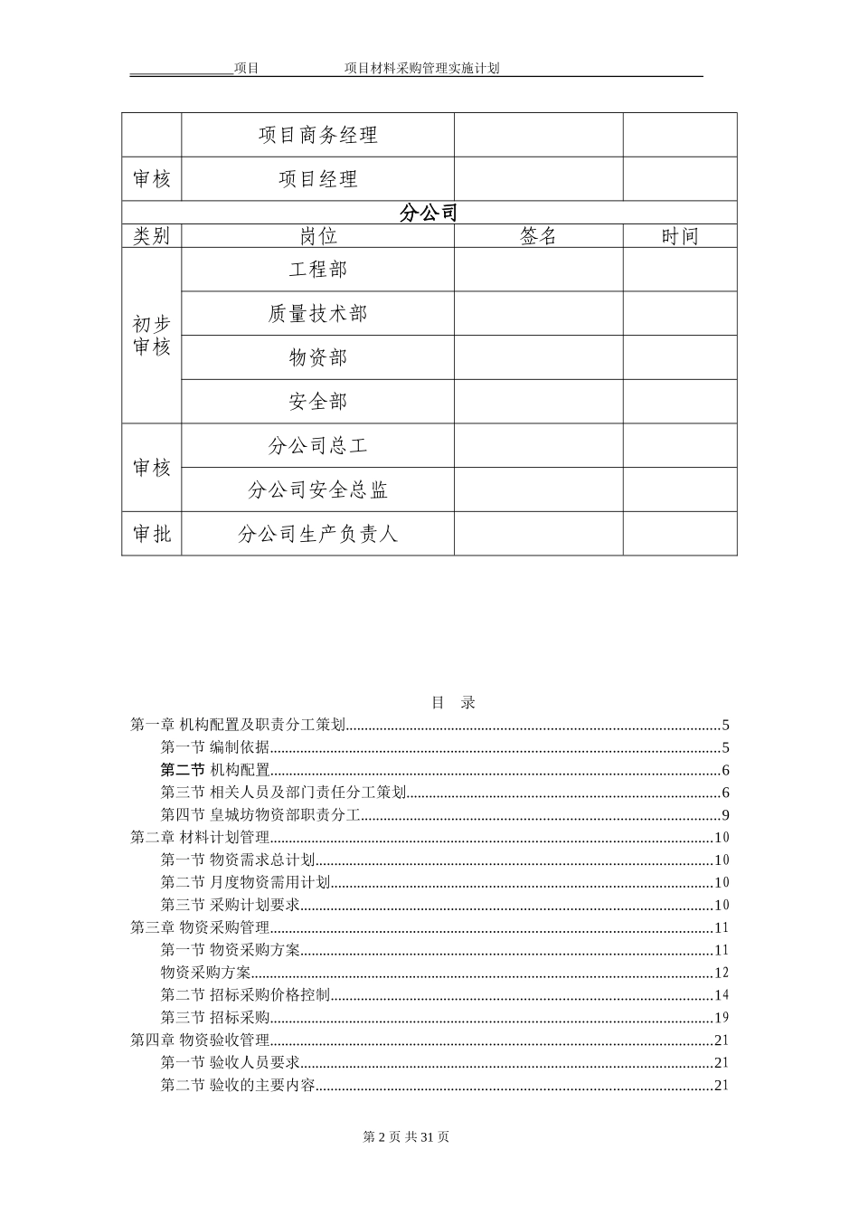
第1页共31页项目项目材料采购管理实施计划项目部年月日审批页项目部类别岗位签名时间编制项目物资经理项目生产经理项目总工程师项目安全总监项目质量总监第2页共31页项目项目材料采购管理实施计划项目商务经理审核项目经理分公司类别岗位签名时间初步审核工程部质量技术部物资部安全部审核分公司总工分公司安全总监审批分公司生产负责人目录第一章机构配置及职责分工策划..................................................................................................5第一节编制依据......................................................................................................................5第二节机构配置......................................................................................................................6第三节相关人员及部门责任分工策划..................................................................................6第四节皇城坊物资部职责分工..............................................................................................9第二章材料计划管理....................................................................................................................10第一节物资需求总计划........................................................................................................10第二节月度物资需用计划....................................................................................................10第三节采购计划要求............................................................................................................10第三章物资采购管理....................................................................................................................11第一节物资采购方案............................................................................................................11物资采购方案.........................................................................................................................12第二节招标采购价格控制....................................................................................................14第三节招标采购....................................................................................................................19第四章物资验收管理....................................................................................................................21第一节验收人员要求............................................................................................................21第二节验收的主要内容........................................................................................................21第3页共31页项目项目材料采购管理实施计划第三节验收要求....................................................................................................................22第四节主要材料验收要点....................................................................................................22第五节验收过程中发生问题的处理....................................................................................23第五章物资消耗管理....................................................................................................................24第一节材料整体目标与消耗控制指标................................................................................24第二节项目物资消耗管理规定............................................................................................25第六章物资储存管理..............................

1、当您付费下载文档后,您只拥有了使用权限,并不意味着购买了版权,文档只能用于自身使用,不得用于其他商业用途(如 [转卖]进行直接盈利或[编辑后售卖]进行间接盈利)。
2、本站所有内容均由合作方或网友上传,本站不对文档的完整性、权威性及其观点立场正确性做任何保证或承诺!文档内容仅供研究参考,付费前请自行鉴别。
3、如文档内容存在违规,或者侵犯商业秘密、侵犯著作权等,请点击“违规举报”。

碎片内容

项目物资采购管理策划书(DOC36页)

您可能关注的文档

确认删除?
VIP
微信客服
  • 扫码咨询
会员Q群
  • 会员专属群点击这里加入QQ群
客服邮箱
回到顶部