电脑桌面
添加小米粒文库到电脑桌面
安装后可以在桌面快捷访问

高速绿化施工组织设计VIP免费

高速绿化施工组织设计_第1页
1/77
高速绿化施工组织设计_第2页
2/77
高速绿化施工组织设计_第3页
3/77
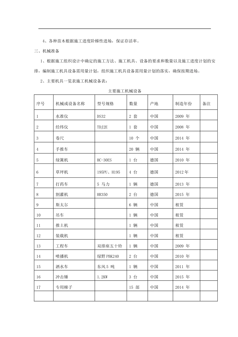
第一章工程综述项目名称:唐承高速蓟县段两侧造林工程(下仓段、、杨津庄段)项目编号:JXCG2016-009本标段为第九标段,29、30号林班,新造林总面积14亩,共栽植各种苗木13727棵。工期要求:2016年3月3日至2018年12月31日1、建设期:2016年3月3日至2016年12月31日,其中苗木初植截止至2016年5月31日;补植分两个时间段,花灌木、名贵树截止至2016年6月30日;乡土树截止至2016年11月30日。2、养管期:2017年1月1日至2018年12月31日,其中二次补植截止至2017年4月30日。本施工组织设计编制的目的是从施工全局出发,根据各种具体的施工条件,为投标阶段提供较为完整的纲领性文件,一旦中标,将在此基础上进行深化,用以指导工程施工与管理。施工组织设计主要是依据以下信息和文件资料进行编写:一、塘承高速蓟县段两侧造林工程(下仓段、杨津庄段)招标文件;二、天津市蓟州林业勘察设计院设计的该工程设计图纸及有关设计文件;三、《城市绿化工程施工与验收规范》(CJJ/T83-99);四、《城市绿化和园林绿地用植物材料》(CJ/T34-91);五、《建设工程质量管理条例》;六、《园林绿化技术规程(试行)》DB33-T1009-2001七、《园林绿化管养规范》DB4403001/T6-99八、《造林技术规程(GB/T1577—1955)》;九、《主要造林树种苗木(GB600—85)》;十、《天津市(造林相关技术标准与投资标准)》;十一、其它有关施工、验收规范及标准;十二、我公司现有经济、技术综合实力情况十三、我公司的综合实力及工程施工经验十四、其他注:上述标准若有更新,以本项目实施期间国家及地方颁布的最新版本为准。第二章劳动力服务计划一、劳动力的准备1、根据确定的现场管理机构建立项目施工管理层,选择高素质的施工作业队伍进行该工程的施工。2、对工人进行必要的技术、安全、思想和法制教育,教育工人树立“质量第一,安全第一”的正确思想,遵守有关施工和安全的技术法规,遵守地方治安法规。特殊专业工种,必须经培训合格持证上岗,以确保工程质量创优。3、劳动力按每天8小时工作日计算用工。劳动力投入计划序号工种名称场地平整下部构造苗木修剪上部构造1普工305010302机工4243技工4030504安装工8235环境保护环清理888说明由于本工程施工面积广,按三个施工段划分,施工时各施工段按相应人数组织施工。二、材料准备1、根据施工组织设计中的施工进度计划和施工预算中的工料分析,编制工程所需材料用量计划,作好备料、供料工作和确定仓库堆场面积及组织运输的依据。2、根据材料需用量计划,做好材料的申请、订货和采购工作,使计划得到落实。组织材料按计划进场,并作好保管工作。3、施工材料的发放、使用、管理,制订严格的材料领料制度,做到按需领料、按当日施工量领料,防止材料出库后造成的丢失损坏和污染。4、各种苗木根据施工进度阶梯性进场,保证存活率。三、机械准备1、根据施工组织设计中确定的施工方法、施工机具、设备的要求和数量以及施工进度计划的安排,编制施工机具设备需用量计划,组织施工机具设备需用量计划的落实,确保按期进场。2、主要机具一览表施工机械设备表:主要施工机械设备序号机械或设备名称型号规格数量产地制造年份备注1水准仪DS322套中国2009年2经纬仪TDJ2E1套中国2008年3卷尺10个中国2014年4手推车20辆中国2014年5绿篱机HC-30ES1台德国2010年6草坪机195PU、H1954台德国2012年7打药车5马力1辆德国2013年8割灌机HR3502台德国2015年9斯太尔6辆中国租赁10吊车1辆中国租赁11推土机1辆中国租赁12装载机1辆中国租赁13工程车双排座五十铃1辆中国2009年14喷播机绿野PBK2402台中国2010年15洒水车东风5吨1辆中国2011年16冲击锤1.2KW3台中国2015年17专用梯子15部中国2014年四、工期保证措施1、在确保质量和合理施工顺序的前提下,必要时组织连续施工,以充分利用有限时间。2、制订工期控制计划;按现场指挥部确定的工期进度计划,每天进行自检,每周作一次工期分析,确保施工进度。3、实行工期承包制;各工种要按下达的施工任务单承包工期,对提前工期的给予奖励,对拖延工期的给予处罚。4、公司根据施工现场需要,随时另调所需的技术工人,保证现场用工。5、公司成立专...

1、当您付费下载文档后,您只拥有了使用权限,并不意味着购买了版权,文档只能用于自身使用,不得用于其他商业用途(如 [转卖]进行直接盈利或[编辑后售卖]进行间接盈利)。
2、本站所有内容均由合作方或网友上传,本站不对文档的完整性、权威性及其观点立场正确性做任何保证或承诺!文档内容仅供研究参考,付费前请自行鉴别。
3、如文档内容存在违规,或者侵犯商业秘密、侵犯著作权等,请点击“违规举报”。

碎片内容

高速绿化施工组织设计

您可能关注的文档

确认删除?
VIP
微信客服
  • 扫码咨询
会员Q群
  • 会员专属群点击这里加入QQ群
客服邮箱
回到顶部