电脑桌面
添加小米粒文库到电脑桌面
安装后可以在桌面快捷访问

危化品企业消防档案(DOC56页)VIP免费

危化品企业消防档案(DOC56页)_第1页
1/53
危化品企业消防档案(DOC56页)_第2页
2/53
危化品企业消防档案(DOC56页)_第3页
3/53
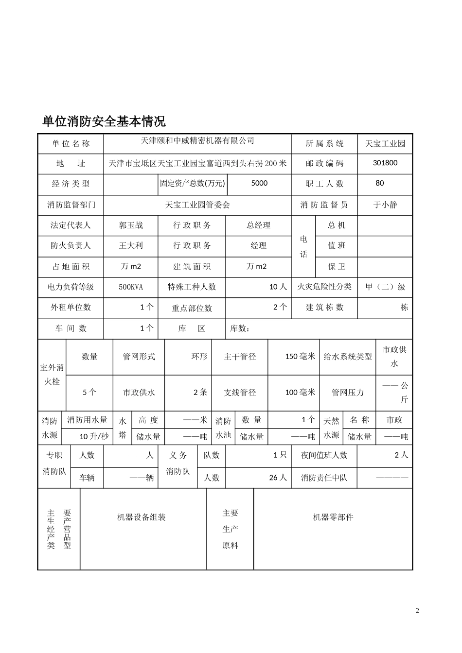
消防档案编制单位:预案编码:版本:2018年单位盖章:1单位消防安全基本情况单位名称天津颐和中威精密机器有限公司所属系统天宝工业园地址天津市宝坻区天宝工业园宝富道西到头右拐200米邮政编码301800经济类型固定资产总数(万元)5000职工人数80消防监督部门天宝工业园管委会消防监督员于小静法定代表人郭玉战行政职务总经理电话总机防火负责人王大利行政职务经理值班占地面积万m2建筑面积万m2保卫电力负荷等级500KVA特殊工种人数10人火灾危险性分类甲(二)级外租单位数1个重点部位数2个建筑栋数栋车间数1个库区库数:室外消火栓数量管网形式环形主干管径150毫米给水系统类型市政供水5个市政供水2条支线管径100毫米管网压力——公斤消防水源消防用水量水塔高度——米消防水池数量1个天然水源名称市政10升/秒储水量——吨储水量——吨储水量——吨专职消防队人数——人义务消防队队数1只夜间值班人数2人车辆——辆人数26人消防责任中队————主要生产经营产品类型机器设备组装主要生产原料机器零部件2主要生产工艺流程机加工—装配—调试—运输消防安全责任人、管理人基本情况消防工作第一责任人备案书主送:天津市宝坻区天宝工业园:根据《中华人民共和国消防法》和《天津市消防条例》的规定,经研究决定由郭玉战同志(行政职务:总经理)为我单位消防工作第一责任人,负责消防安全工作。特此备案(单位盖章)责任人()3签名盖章年月日抄送:(表三)逐级消防安全责任人备案表单位盖章:姓名责任部门(岗位)行政职务本人签名只峰总经办(主管办公室)总经理曹海军总经办(主管操作)副总经理尚庆森总经办(主管安全、运抵)副总经理刘振国总经办(主管装箱)副总经理宋奇财务部经理许翠卓危申部经理李雅翔装箱部经理郭向滨安保部经理4李金明安保部副经理李洪全操作部副经理贝胜强操作部副经理注:按单位、部门、岗位顺序填写。(表四)2.建筑、场所的消防行政许可、备案文件3.生产、储存物品火灾危险性4.主要建筑的消防基本情况5建筑情况建筑名称办公楼危险分类乙级占地面积3121.36㎡建筑面积3121.36㎡耐火等级一级建筑用途办公用建筑层数理货用房1-4层建筑高度理货用房三层11.55m四层15.45m防火审批时间2013年7月竣工验收时间2013年7月部门天津港公安局消防科部门天津港公安局消防科室内消火栓数量设置建筑数1栋消防水箱数量1个消防加压泵台数1台13竖管管径100毫米储水量20吨扬程15米水泵——台最不利点压力4公斤形式地下泵房火灾自动系统形式设置部位便于预警部位安装时间2013年7月6报警系统JBF设备生产厂家恒逸安施工单位恒逸安区域报警集中报警控制中心区域报警控制器4台感烟探测器5个感温探测器5个集中报警控制器1台感光探测器——个气体探测器3个系统联动设备JBF火焰探测器——个手动报警按钮4个自动喷水灭火系统系统类型设置部位——安装时间2013年7月湿式干式预作用设备生产厂家——施工单位——报警阀——个专用水泵——台喷头——个雨淋水喷雾水幕设置部位————安装时间——设备生产厂家——施工单位——报警阀——个专用水泵——台喷头——个其它灭火系统系统类型设置部位便于取用地点安装时间2013.71211、1301二氧化碳、泡沫、干粉、蒸汽、氮气设备生产厂家天津市北洋消防器材厂施工单位中港一航局一公司系统类型灭火剂量4KG喷头13个灭火剂种类干粉灭火剂瓶26个启动方式手动建筑名称1号仓库危险分类甲级占地面积732.55㎡建筑面积732.55㎡耐火等级二级建筑用途货物存储建筑层数1层建筑高度6.75m防火审批时间2013年7月竣工验收时间2013年7月部门天津市港务局消防科部门天津市港务局消防科室内消火栓数量设置建筑数1栋消防水箱数量1个消防加压泵台数1台3个竖管管径100毫米储水量20吨扬程15米水泵2台最不利点压力4公斤形式地下水泵火灾自动报警系统系统形式设置部位每个防火分区安装时间2013.7JBF设备生产厂家恒逸安施工单位恒逸安①区域报警②集中报警③控制中心区域报警控制器3台感烟探测器12个感温探测器12个集中报警控制器1台感光探测器——个气体探测器3个系统联动设备风机火焰探测器——个手动报警按钮6个自动喷水系统系统类型设置部位1号仓...

1、当您付费下载文档后,您只拥有了使用权限,并不意味着购买了版权,文档只能用于自身使用,不得用于其他商业用途(如 [转卖]进行直接盈利或[编辑后售卖]进行间接盈利)。
2、本站所有内容均由合作方或网友上传,本站不对文档的完整性、权威性及其观点立场正确性做任何保证或承诺!文档内容仅供研究参考,付费前请自行鉴别。
3、如文档内容存在违规,或者侵犯商业秘密、侵犯著作权等,请点击“违规举报”。

碎片内容

危化品企业消防档案(DOC56页)

您可能关注的文档

确认删除?
VIP
微信客服
  • 扫码咨询
会员Q群
  • 会员专属群点击这里加入QQ群
客服邮箱
回到顶部