电脑桌面
添加小米粒文库到电脑桌面
安装后可以在桌面快捷访问

工作分析案例探讨VIP免费

工作分析案例探讨_第1页
1/33
工作分析案例探讨_第2页
2/33
工作分析案例探讨_第3页
3/33
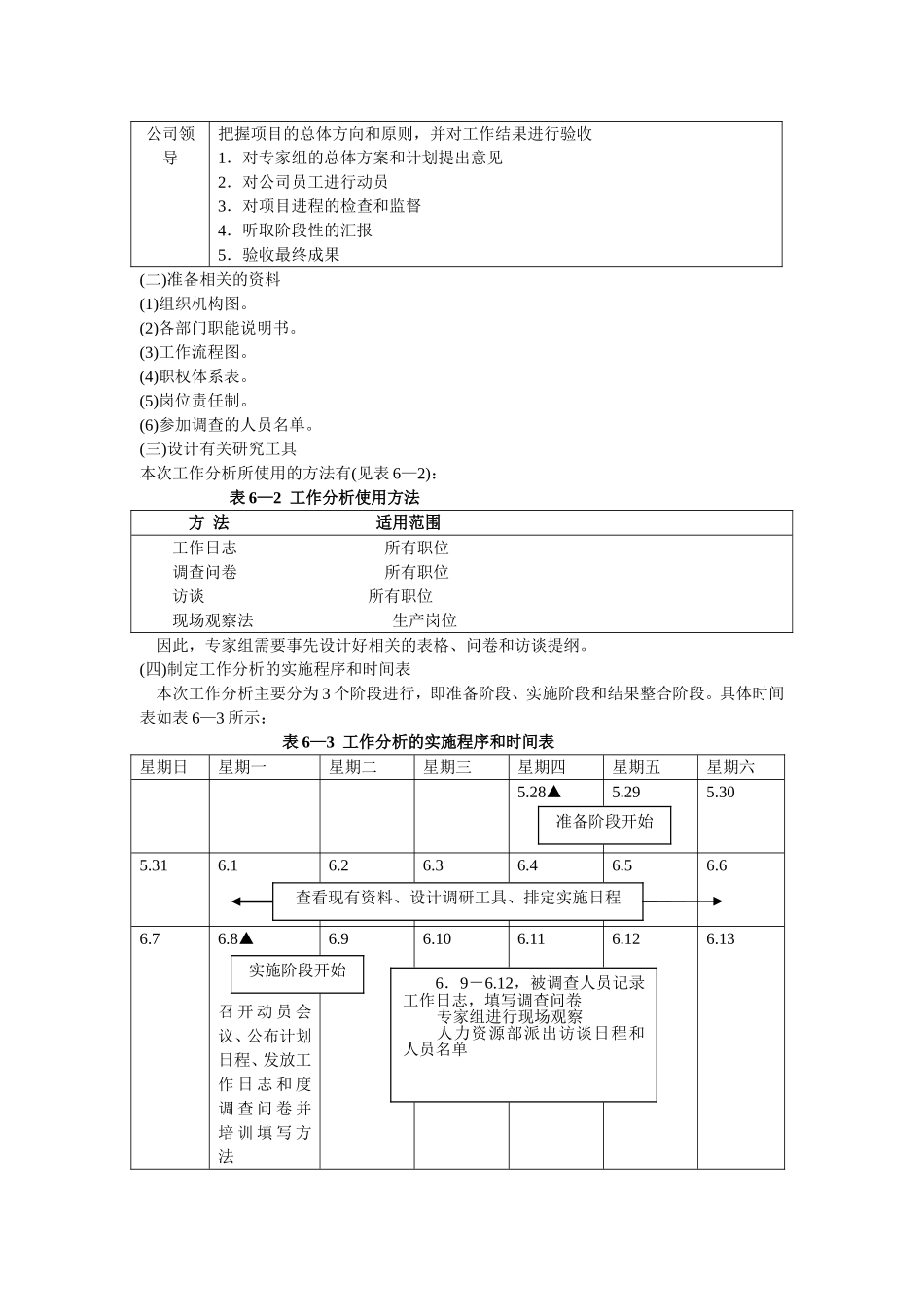
工作分析案例案例一:万家公司的工作分析一、背景万家公司是一家大型的家用电器集团公司。由于近年来公司发展过于迅速,人员也飞速增长,因此许多问题也逐渐暴露出来。表现比较突出的问题就是岗位职责不清,有的事情没有人管,有的事情大家都在管,但又发生推诿扯皮的现象。现在公司中使用的岗位职责说明已经是几年前的版本了,可实际情况却已经发生了很大变化,因此根本就无法起到指导工作的作用。由于没有清晰的岗位职责,因此各个岗位上的用人标准也比较模糊。这样人员的招聘选拔、提升方法就全凭领导的主观意见了;公司的薪酬激励体系也无法与岗位的价值相对等员工在这些方面意见很大,士气也有所下降。最近,公司进行了一系列重组工作,年轻有为的新的高层团队也开始发挥作用,他们看到公司目前面脑的问题,决定请专业的咨询顾问进行一次系统的人力资源管理诊断和设计工作。由于工作分析是各项人力资源管理工作的基础,因此专家建议首先从工作分析人手。二、项目目标通过工作分析,使万家公司各个职位的职责、权限、主要的工作绩效指标和任职者基本要求等内容得到明确清晰的界定,为各项人力资源管理工作打下基础。在此过程中,理顺和调整一些不合理的岗位职责设置,并将新增加的岗位信息及时补充进去。三、工作分析的准备工作(一)成立工作分析项目实施小组本次工作分析项目由外部的咨询顾问组成专家组,并且和万家公司有关人员共同组成工作分析实施小组。万家公司参与到这个实施小组中的人有人力资源部人员和公司主管领导。项目实施小组中人员的责任与分工(见表6—1):表6—1项目实施小组中人员的责任与分工项目组成员责任与分工外部专家顾问作为项目总体策划和实施的负责人,提供技术方案和指导,并通过可行的实施手段达到项目目标1.项目实施方案和计划的制定2.研究工具(调查表、问卷)的设计3.实施调研、访谈4.岗位说明书的撰写与修改5.提供相关的培训人力资源部作为项目的协调与联络人,配合专家开展工作1.帮助外部专家收集整理各种资料2.分发回收调查问卷3.安排其他人员配合专家组的工作4.收集公司员工和管理人员在项目实施中的反馈意见,并把意见反馈给专家组和公司领导5.协调安排工作所需的场所、材料、设备等6.安排专家在公司工作期间的食宿、接待公司领导把握项目的总体方向和原则,并对工作结果进行验收1.对专家组的总体方案和计划提出意见2.对公司员工进行动员3.对项目进程的检查和监督4.听取阶段性的汇报5.验收最终成果(二)准备相关的资料(1)组织机构图。(2)各部门职能说明书。(3)工作流程图。(4)职权体系表。(5)岗位责任制。(6)参加调查的人员名单。(三)设计有关研究工具本次工作分析所使用的方法有(见表6—2):表6—2工作分析使用方法方法适用范围工作日志所有职位调查问卷所有职位访谈所有职位现场观察法生产岗位因此,专家组需要事先设计好相关的表格、问卷和访谈提纲。(四)制定工作分析的实施程序和时间表本次工作分析主要分为3个阶段进行,即准备阶段、实施阶段和结果整合阶段。具体时间表如表6—3所示:表6—3工作分析的实施程序和时间表星期日星期一星期二星期三星期四星期五星期六5.28▲5.295.305.316.16.26.36.46.56.66.76.8▲召开动员会议、公布计划日程、发放工作日志和度调查问卷并培训填写方法6.96.106.116.126.13查看现有资料、设计调研工具、排定实施日程6.9-6.12,被调查人员记录工作日志,填写调查问卷专家组进行现场观察人力资源部派出访谈日程和人员名单实施阶段开始准备阶段开始6.146.156.166.176.186.196.206.216.226.236.246.256.266.276.286.296.307.17.27.37.47.57.67.77.87.97.107.117.127.137.147.157.167.177.187.197.20▲7.217.217.227.237.247.267.277.287.287.297.308.18.28.38.48.58.68.78.88.98.108.118.128.138.14岗位说明书初稿形成8.158.168.178.188.198.208.218.228.238.248.258.268.278.28岗位说明书初稿形成8.298.308.319.1四、工作分析的过程下面我们将以公司中处于枢纽地位的行政管理部门——集团办公室中的职位为例,来看看如何通过工作分析的各种方法最终形成各个岗位的岗位说明书。(一)基本信息验...

1、当您付费下载文档后,您只拥有了使用权限,并不意味着购买了版权,文档只能用于自身使用,不得用于其他商业用途(如 [转卖]进行直接盈利或[编辑后售卖]进行间接盈利)。
2、本站所有内容均由合作方或网友上传,本站不对文档的完整性、权威性及其观点立场正确性做任何保证或承诺!文档内容仅供研究参考,付费前请自行鉴别。
3、如文档内容存在违规,或者侵犯商业秘密、侵犯著作权等,请点击“违规举报”。

碎片内容

工作分析案例探讨

您可能关注的文档

确认删除?
VIP
微信客服
  • 扫码咨询
会员Q群
  • 会员专属群点击这里加入QQ群
客服邮箱
回到顶部