电脑桌面
添加小米粒文库到电脑桌面
安装后可以在桌面快捷访问

人力资源-2022QA部培训资料VIP免费

人力资源-2022QA部培训资料_第1页
1/27
人力资源-2022QA部培训资料_第2页
2/27
人力资源-2022QA部培训资料_第3页
3/27
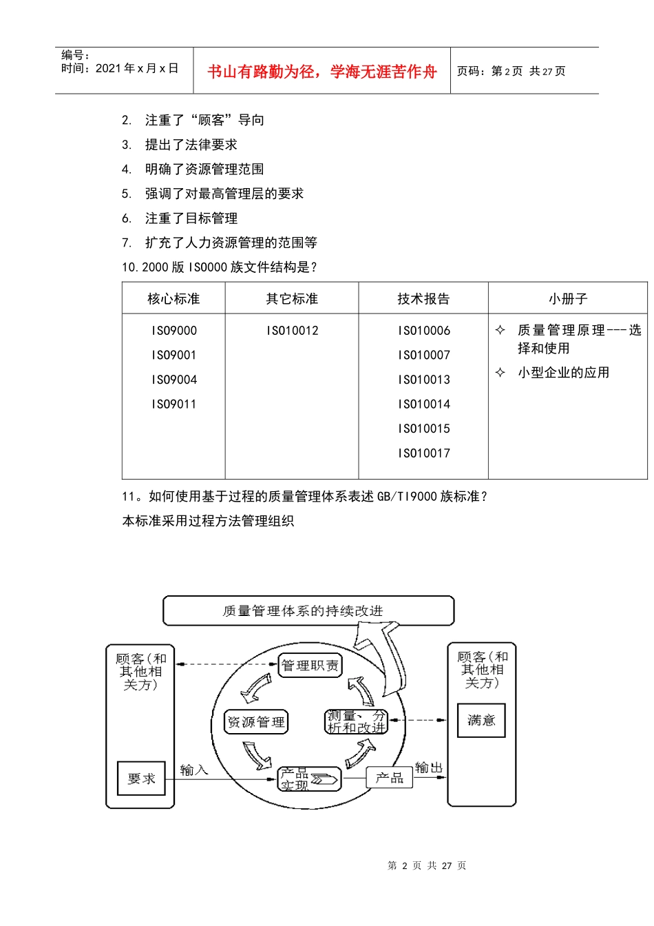
第1页共27页编号:时间:2021年x月x日书山有路勤为径,学海无涯苦作舟页码:第1页共27页QA部培训资料第一章ISO9000基础知识1.ISO的含义:ISO是国际标准化组织,其英文InternationalOrganizationForStandardization的缩写.2.ISO9001与ISO9002有什么根本区别?ISO9001与ISO9002的根本区别是前者比后者多一个要素:设计/开发.3.ISO的核心文件是什么?ISO的核心内容是(1)文件及资料控制,(2)品质审核,(3)纠正及预防措施4.ISO核心思想是什么?ISO的核心思想是纠正及预防5.公司的品质最高决策者是谁?ISO9000工作的推行一般由谁来完成?公司的品质最高决策者是公司的最高和理者(总经理,或董事长);ISO9000工作的推行一般由管理代表来完成,有的工厂由品保部同时代行其权力。6.ISO9000文件结构怎样?BOM单是哪一阶文件?ISO9000文件共分四层:第一层为品质手册(质量方针),第二为程序文件,管理办法,第三层为作业规范、检验标准,第四层为记录、报表;BOM表单是第三阶文件7.ISO的精神是什么?ISO的精神是说,写,做一致(写我所做,做我所写、证明给我看)8.ISO的组成部分有?ISO的基本原理和术语质量管理全系------要求ISO9004实施ISO19011管理体系审核指南其它9.94版与2000版的区别?1.强调了“过程”管理模式第2页共27页第1页共27页编号:时间:2021年x月x日书山有路勤为径,学海无涯苦作舟页码:第2页共27页2.注重了“顾客”导向3.提出了法律要求4.明确了资源管理范围5.强调了对最高管理层的要求6.注重了目标管理7.扩充了人力资源管理的范围等10.2000版ISO000族文件结构是?核心标准其它标准技术报告小册子ISO9000ISO9001ISO9004ISO9011ISO10012ISO10006ISO10007ISO10013ISO10014ISO10015ISO10017质量管理原理---选择和使用小型企业的应用11。如何使用基于过程的质量管理体系表述GB/TI9000族标准?本标准采用过程方法管理组织第3页共27页第2页共27页编号:时间:2021年x月x日书山有路勤为径,学海无涯苦作舟页码:第3页共27页12.ISO中质量管理的八项原有?以客户为关注焦点领导作用全员参与过程方法持续改进基于事实的决策方法互利的共方关系管理的系统方法第二章品管知识第一节:品管发展史:1.第一阶段:操作者品质管制:18世纪,产品从头到尾,由同一个负责制作,因此产品的好坏也就由同一人来处理2.第二阶段:领班的品质管制:19世纪开始,生产方式开始变为将多数人集合在一起,置于一个领班的监督之下,由领班来负责每一个作业员的品质第4页共27页第3页共27页编号:时间:2021年x月x日书山有路勤为径,学海无涯苦作舟页码:第4页共27页3.第三价段:检查员的品质管制一次大战期间,工厂开始变得复杂,原有的一个领班除了要管理大量的工人以外,还要负责管理品质,显得力不从心,因而发展出指定专人来负责产品检查4.第四阶段:统计品质管制(StatisticalQualityControl,SQC)从1924年美国W.A.SHEWART得用统计手法提出第一张管制图开始,从此品质管制进入新纪元,此一时期抽样检验也同时诞生,1950戴明到日本指导各企业管制图及抽样检验为主要手法,获取辉煌的成果,SPC的使用是近代质量管理突飞猛进最主要的原因。5.第五价段:全面品质管制(TotalQualityControlTQM)全面品管是把以往的品管的作法前后延伸至市场调查,研究发展,品质设计,原料管理,品质保证及售后服务等各部门,建立品质体系,此体系可说是专家式品管,较着重理论的研究。6.第六阶段:全公司品质管制(Company-WideQualityControl,cwqc)日本的全公司品质管理有别于美国的TQC,称为CWQC,从企业经营的立场来说,要达成经营的目睥,必须结合全公司所有的部门的每一个员工,通力合作,构成一个能共同认识,易于实施的体系,使市场调研、研究、开发、设计、采购、制造、检查、销售、服务为止的每一个阶段,均能有效管理,并全员参与,即为CWQC7.第七阶段:全集团品质管制:(Group-WideQualityControlGWQC)结事中心工厂、协力工厂、销售公司成为一个庞大的品质体系即,GWQC备注:质理管理中的重要人物泰勒--------提出科学管理休哈特------提出统计过程控制理论道奇、罗明-----统计抽样检验方法戴明------提...

1、当您付费下载文档后,您只拥有了使用权限,并不意味着购买了版权,文档只能用于自身使用,不得用于其他商业用途(如 [转卖]进行直接盈利或[编辑后售卖]进行间接盈利)。
2、本站所有内容均由合作方或网友上传,本站不对文档的完整性、权威性及其观点立场正确性做任何保证或承诺!文档内容仅供研究参考,付费前请自行鉴别。
3、如文档内容存在违规,或者侵犯商业秘密、侵犯著作权等,请点击“违规举报”。

碎片内容

人力资源-2022QA部培训资料

您可能关注的文档

确认删除?
VIP
微信客服
  • 扫码咨询
会员Q群
  • 会员专属群点击这里加入QQ群
客服邮箱
回到顶部