电脑桌面
添加小米粒文库到电脑桌面
安装后可以在桌面快捷访问

电视节目制作复习资料大全VIP免费

电视节目制作复习资料大全_第1页
1/10
电视节目制作复习资料大全_第2页
2/10
电视节目制作复习资料大全_第3页
3/10
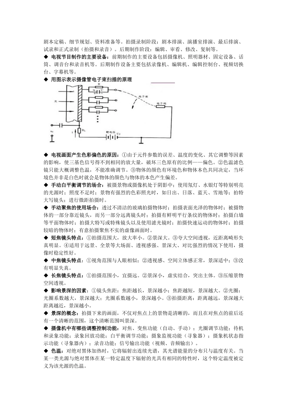
◆电视节目的分类:按传播功能和传播内容:新闻类节目、言论类节目、教育知识类节目、娱乐类节目。按节目体裁:信息类、专题类、综合类。按节目播出方式:影片播出、录像播出、现场播出。◆电视节目制作技术分类:按信号存储方式:影片制作方式、录象制作方式和数字信号方式。按播出时效:现场直播法、录象带编辑法。按制作场所:演播室制作方式和现场制作方式。按设备数量:多机制作方式和单机制作方式。按新闻节目制作的制作方式:ENG(电子新闻采集方式)、EFP(电子现场制作方式)、SNG(卫星新闻采集方式)。◆摄像机的基本结构和原理:一般由镜头、主机(包括摄像单元和录像单元)、寻像器、话筒、附件几部分组成。基本原理:把光学图像转化成电子信号。◆摄像机的分类:按性能分:广播级、专业级、家用级。按制作方式:ESP摄像机、ENG/EFP摄像机、家用摄像机。按摄像器件分:摄像管摄像机和固体摄像机。按摄像器件的数量:三管或3CCD,两管或2CCD,单管或单CCD。按摄像器件的尺寸:1/2机、3/4机、超8机等。按信号处理方式:模拟、数码。按摄录集成度:一体机和分体机。按体积和重量:坐机、中型机、小型机、微型机。按所用磁带格式:VHS机、S-VHS机、DV机、Batacam机等。◆摄像机的性能指标:①灵敏度,是用同一照度下拍摄同一景物得出额定输出时所用的光圈大小来衡量的。②最低照度,最低照度是在一定信噪比的条件下,比较所需景物照度的大小,照度越低说明摄象机灵敏度越高,所以,这也是灵敏度的另—种表示方法,有些摄象机的指标中不列此项。③信噪比,信噪比是对于绿通道或亮度信号,在没有进行伽玛校正和孔阑校正时测量的信号噪波比。该项指标越高越好。⑤水平清晰度(线),水平清晰度即水平分解力,也称为水平分辨率,是指图象中心部分沿水平方向能够分辨的电视线数,分辨率越高,图象的清晰度越好。◆录象机处理和记录的三种方式:①复合方式:把彩色信号和亮度信号录制在同一磁迹上,重放时输出复合彩色信号;传送合成信号只需要一根电缆。复合系统的主要缺点是彩色和亮度之间有互相干扰的现象。②Y/C方式:亮度信号(Y)和色度信号(C)在编码过程和解码过程中是分开的。Y/C结构用两根电缆传送分量信号,把亮度信号和色度信号分开处理、传送和记录,消除了复合录象系统中存在的亮色串扰问题,提高了画面质量和信噪比。③RGB方式:将RGB三个信号分开处理和传送,即使信号经多次转录,其质量也不会随之下降。◆数字电视技术的优势:①抗干扰能力强:在经过长距离传输和反复记录之后,通过均衡和再生仍可无失真复原。②易存储:从而实现图象信号的三维处理和各种视频效果的制作是模拟技术所无法实现的。③图像质量高:为电视节目制作及电视机的多功能显示提供了充分的发展余地。④体积小,成本低:超大规模IC电路和CPU的应用,使设备体积越来越小,成本降低。⑤与信息高速公路接轨:数字电视设备与计算机终端的功能日趋同化。◆电视节目制作的三个阶段:前期筹划阶段:节目构思、草拟剧本或提纲、节目初步策划、剧本定稿、细节规划、资料准备等。拍摄录制阶段:剧本排演、演播室排演、最后排演、试录和正式录制(拍摄和录音)。后期制作阶段:编辑、审看、修改、复制等。◆电视节目制作的主要设备:前期制作的主要设备包括摄像机、照明器材、固定设备、话筒、调音台和录音机等。后期制作设备主要包括录像机、编辑机、编辑控制台、视频切换台、字幕机等。◆用图示表示摄像管电子束扫描的原理◆电视画面产生色彩偏色的原因:①由于元件参数的误差、温度的变化、其它调整等因素的影响,使三基色信号得不到相同的放大量,破坏三色原有的比例——偏色。②色温滤色镜只能大概调整色温,不能准确调节。③物体的颜色有环境色和物体本色共同决定,当环境色并非是白色时就会是物体的颜色与物体的本色产生偏差。◆手动白平衡调节的场合:被摄景物或摄像机处于阴影中;使用氖灯、水银灯等特别明亮的光源时;照度不足时;景物有强烈的色彩照光时,如日出、日落、蓝天、雪地等;拍特大写镜头;进行微距拍摄时。◆手动聚焦的使用场合:透过不清洁的玻璃拍摄物体时;拍摄表面光泽的物...

1、当您付费下载文档后,您只拥有了使用权限,并不意味着购买了版权,文档只能用于自身使用,不得用于其他商业用途(如 [转卖]进行直接盈利或[编辑后售卖]进行间接盈利)。
2、本站所有内容均由合作方或网友上传,本站不对文档的完整性、权威性及其观点立场正确性做任何保证或承诺!文档内容仅供研究参考,付费前请自行鉴别。
3、如文档内容存在违规,或者侵犯商业秘密、侵犯著作权等,请点击“违规举报”。

碎片内容

电视节目制作复习资料大全

您可能关注的文档

黄金阁书苑+ 关注
实名认证
内容提供者

热爱教学事业,对互联网知识分享很感兴趣

确认删除?
VIP
微信客服
  • 扫码咨询
会员Q群
  • 会员专属群点击这里加入QQ群
客服邮箱
回到顶部