电脑桌面
添加小米粒文库到电脑桌面
安装后可以在桌面快捷访问

人力资源-20221#首站升温竣工资料VIP免费

人力资源-20221#首站升温竣工资料_第1页
1/83
人力资源-20221#首站升温竣工资料_第2页
2/83
人力资源-20221#首站升温竣工资料_第3页
3/83
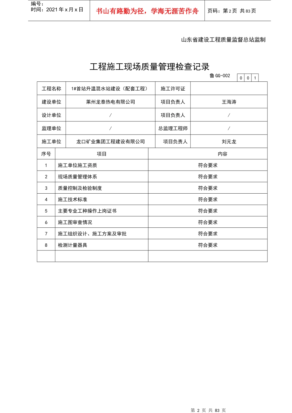
第1页共83页编号:时间:2021年x月x日书山有路勤为径,学海无涯苦作舟页码:第1页共83页工程概况表001一般情况工程名称1#首站升温混水站建设(配套工程)建设单位莱州龙泰热电有限公司建设用途混水站配套设计单位/建设地点莱州市开发区监理单位/建筑面积/施工单位龙口矿业集团工程建设有限公司结构类型安装/土建合同价格63万工程简介:1#首站升温混水站建设(配套工程)是针对龙泰供暖管网混水站改造的前期改造工程,工程地点位于龙泰开发区各小区混水站,工程内容包括混水站整合、旧管网改造、混水站彩钢瓦房安装及电缆敷设等。其中整合玉皇新苑混水站、高职学校家属楼混水站、玉皇苑混水站、广益混水站、广利混水站、运通公司混水站、兴盛佳园混水站管、开建混水站、景宜园混水站、高职学校混水站、泰和苑混水站、半岛龙庭混水站等,半岛龙庭、高职学校、玉皇苑、及广益小区混水站动力电缆敷设;以及鲁兴小区管道改造,玉皇苑及高职学校彩钢瓦混水站的制作安装。其中安装DN300保温管12米,弯头4个,阀门3个;DN250保温管198米,弯头56个,阀门9个;DN200保温管292米,弯头8个,阀门6个,DN150保温管78米,弯头24个;安装玉皇苑长11米、宽7米、高3.5米长彩钢瓦混水站1座,制作、安装长7.5米、宽7米、高3.5米彩钢瓦混水站1座。合同开工日期2017年9月11日合同竣工日期2017年9月30日安装主体主要特征、特点、技术要求和质量标准简要介绍质量标准:1、《城镇供热管网设计规范》CJJ34-20102、《工业金属管道设计规范》GB50316-20003、《城镇供热直埋热水管道技术规程》CJJ/T81-20134、《压力管道安全技术监察规程》TSGD0001-20095、《工业设备及管道绝热工程设计规范》GB50264-976、《城镇供热管网工程施工及验收规范》CJJ28-20047、《工业金属管道工程施工规范》GB50235-20108、《现场设备、工业管道焊接工程施工规范》GB50236-20119、《工业设备及管道绝热工程施工规范》GB50126-200810、《高密度聚乙烯外护管硬质聚氨酯泡沫塑料预制直埋保温管及管件》GB/T29047-201211、《城市供热用螺旋缝埋弧焊钢管》CJ/T3022-199312、《流体输送用无缝钢管》GB8163-200813、《火力发电厂汽水管道应力计算技术规程》DLT5366-2006其他鲁GG-001第2页共83页第1页共83页编号:时间:2021年x月x日书山有路勤为径,学海无涯苦作舟页码:第2页共83页山东省建设工程质量监督总站监制工程施工现场质量管理检查记录001工程名称1#首站升温混水站建设(配套工程)施工许可证建设单位莱州龙泰热电有限公司项目负责人王海涛设计单位/项目负责人/监理单位/总监理工程师/施工单位龙口矿业集团工程建设有限公司项目负责人刘元龙序号项目内容1施工单位施工资质符合要求2现场质量管理体系符合要求3质量控制及检验制度符合要求4施工技术标准符合要求5主要专业工种操作上岗证书符合要求6施工图审查情况符合要求7施工组织设计、施工方案及审批符合要求8检测计量器具符合要求鲁GG-002第3页共83页第2页共83页编号:时间:2021年x月x日书山有路勤为径,学海无涯苦作舟页码:第3页共83页检查结论:专业监理工程师:(建设单位专业负责人)年月日山东省建设工程质量监督总站监制工程项目施工管理人员名单鲁JJ-002第4页共83页第3页共83页编号:时间:2021年x月x日书山有路勤为径,学海无涯苦作舟页码:第4页共83页山东省建设工程质量监督总站监制工程项目施工管理人员职责鲁JJ-002001工程名称1#首站升温混水站建设(配套工程)施工单位龙口矿业集团工程建设有限公司技术部门负责人于纪怀执业证号联系电话13583538507质量部门负责人衣云光执业证号联系电话13562581556项目经理刘元龙执业证号联系电话13963850465现场负责人李敬东执业证号联系电话13793593538项目技术负责人殷录海执业证号联系电话13780979739专职质检员徐太欣执业证号联系电话13954579162上述人员是我单位为工程配备的项目施工管理人员,请建设(监理)单位审核。企业技术负责人:(公章)企业法人代表:年月日审核意见:建设单位项目负责人(总监理工程师):(公章)年月日第5页共83页第4页共83页编号:时间:2021年x月x日...

1、当您付费下载文档后,您只拥有了使用权限,并不意味着购买了版权,文档只能用于自身使用,不得用于其他商业用途(如 [转卖]进行直接盈利或[编辑后售卖]进行间接盈利)。
2、本站所有内容均由合作方或网友上传,本站不对文档的完整性、权威性及其观点立场正确性做任何保证或承诺!文档内容仅供研究参考,付费前请自行鉴别。
3、如文档内容存在违规,或者侵犯商业秘密、侵犯著作权等,请点击“违规举报”。

碎片内容

人力资源-20221#首站升温竣工资料

您可能关注的文档

确认删除?
VIP
微信客服
  • 扫码咨询
会员Q群
  • 会员专属群点击这里加入QQ群
客服邮箱
回到顶部