电脑桌面
添加小米粒文库到电脑桌面
安装后可以在桌面快捷访问

山东省东营区一中八年级化学全册 2.3 制取氧气教学设计(二) 新人教版五四制VIP免费

山东省东营区一中八年级化学全册 2.3 制取氧气教学设计(二)  新人教版五四制_第1页
1/3
山东省东营区一中八年级化学全册 2.3 制取氧气教学设计(二)  新人教版五四制_第2页
2/3
山东省东营区一中八年级化学全册 2.3 制取氧气教学设计(二)  新人教版五四制_第3页
3/3
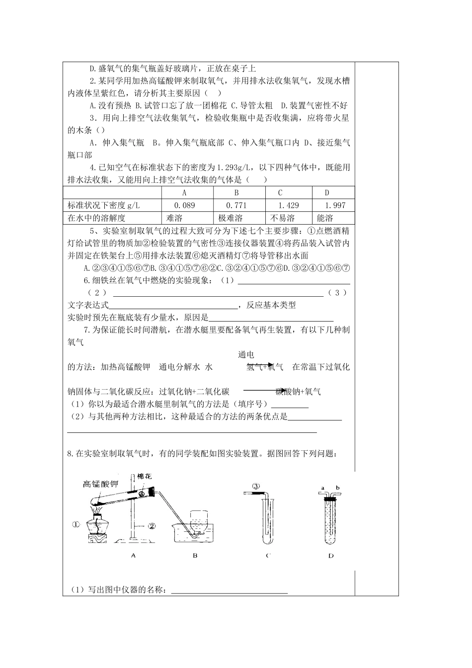
2.3制取氧气(二)教学设计课题课题三制取氧气(二)课型新授课时13学习目标1.练习连接仪器的基本操作,动手制取氧气3.培养对实验现象的观察能力、分析能力4.对科学方法的体验学习重难点氧气的实验室制法集体备课个性设计一:创设情境,导入新课:引导]:上节课我们学习了实验室制取氧气的药品选择,在实验过程中我们还需要选择什么?三:讲授新课:[知识点1]1、如果我们用H2O2来制取O2在选择过程中我们需要考虑什么呢?需要考虑反应装置(药品装在哪里)收集装置和反应的条件.教师展示各种仪器图片供同学选择并讨论选择的依据,让同学讨论各种形状的反应容器有什么相同之处和不同之处,仪器怎么连接,气密性怎么检查,收集方法的依据。2、如果改用KMnO4呢?教师展示各种仪器图片供同学选择并讨论选择的依据,让同学讨论各种形状的反应容器有什么相同之处和不同之处,仪器怎么连接,气密性怎么检查,收集方法的依据。3、如果改用KCLO3呢?教师展示各种仪器图片供同学选择并讨论选择的依据,让同学讨论各种形状的反应容器有什么相同之处和不同之处,仪器怎么连接,气密性怎么检查,收集方法的依据。同学讨论这三种方法的使用特点。结论:1、如果是液体反应,我们可以选择类似H2O2的装置。2、如果是固体反应,我们可以选择类似KMnO4或KCLO3的装置。[知识点2]思考:制取操作的顺序结论:1、检查装置的气密性2、仪器安装从左到右从下到上[知识点3]同学按照分组进行实验[自我检测]1.实验室制取氧气时,下列说法正确的是()A.先将药品装入试管中,再检查装置的气密性B.导管口有气泡冒出,应立即收集C.用排水法收集后,先停止加热,后从水槽中取出导管D.盛氧气的集气瓶盖好玻璃片,正放在桌子上2.某同学用加热高锰酸钾来制取氧气,并用排水法收集氧气,发现水槽内液体呈紫红色,请分析其主要原因()A.没有预热B.试管口忘了放一团棉花C.导管太粗D.装置气密性不好3.用向上排空气法收集氧气,检验收集瓶中是否收集满,应将带火星的木条()A.伸入集气瓶B。伸入集气瓶底部C、伸入集气瓶口内D、接近集气瓶口部4.已知空气在标准状态下的密度为1.293g/L,以下四种气体中,既能用排水法收集,又能用向上排空气法收集的气体是()ABCD标准状况下密度g/L0.0890.7711.4291.997在水中的溶解度难溶极难溶不易溶能溶5、实验室制取氧气的过程大致可分为下述七个主要步骤:①点燃酒精灯给试管里的物质加②检验装置的气密性③连接仪器装置④将药品装入试管内并固定在铁架台上⑤用排水法装置⑥熄灭酒精灯⑦将导管移出水面A.②③④①⑤⑥⑦B.③④①⑤⑦⑥②C.③②④①⑤⑦⑥D.③②④①⑤⑥⑦6.细铁丝在氧气中燃烧的实验现象:(1)(2)(3)文字表达式,反应基本类型实验时预先在瓶底装有少量水,原因是7.为保证能长时间潜航,在潜水艇里要配备氧气再生装置,有以下几种制氧气通电的方法:加热高锰酸钾通电分解水水氢气+氧气在常温下过氧化钠固体与二氧化碳反应:过氧化钠+二氧化碳碳酸钠+氧气(1)你以为最适合潜水艇里制氧气的方法是(填序号)(2)与其他两种方法相比,这种最适合的方法的两条优点是8.在实验室制取氧气时,有的同学装配如图实验装置。据图回答下列问题:(1)写出图中仪器的名称:(2)属于反应装置的是,属于收集气体的装置是(用ABC填空)(3)指出该同学设计的装置中的错误(4)改正上述错误装置后,按正确装置操作,第一步操作是,具体操作方法是先将,再。当看到时方可进行下步操作。(5)收集氧气时,除了用B装置操作,还可选择图中的装置。(6)在实验过程中,大试管炸裂,该同学分析有下列原因:试管内混有草屑、木炭粉等易燃物;试管外壁的水没有擦干;试管与灯芯接触;试管口朝上倾斜、冷凝的水回流到热的试管底部;用力过猛夹破试管;实验结束后先撤灯后从水槽中取出导气管造成水的倒吸,你认为上述分析合理的有(填序号)课后反思

1、当您付费下载文档后,您只拥有了使用权限,并不意味着购买了版权,文档只能用于自身使用,不得用于其他商业用途(如 [转卖]进行直接盈利或[编辑后售卖]进行间接盈利)。
2、本站所有内容均由合作方或网友上传,本站不对文档的完整性、权威性及其观点立场正确性做任何保证或承诺!文档内容仅供研究参考,付费前请自行鉴别。
3、如文档内容存在违规,或者侵犯商业秘密、侵犯著作权等,请点击“违规举报”。

碎片内容

山东省东营区一中八年级化学全册 2.3 制取氧气教学设计(二) 新人教版五四制

您可能关注的文档

;绿洲书城+ 关注
实名认证
内容提供者

从事历史教学,热爱教育,高度负责。

相关文档

确认删除?
VIP
微信客服
  • 扫码咨询
会员Q群
  • 会员专属群点击这里加入QQ群
客服邮箱
回到顶部