电脑桌面
添加小米粒文库到电脑桌面
安装后可以在桌面快捷访问

江西省信丰县西牛中学八年级物理上册 第一章 走进实验室教学案(一) 教科版VIP免费

江西省信丰县西牛中学八年级物理上册 第一章 走进实验室教学案(一) 教科版_第1页
1/6
江西省信丰县西牛中学八年级物理上册 第一章 走进实验室教学案(一) 教科版_第2页
2/6
江西省信丰县西牛中学八年级物理上册 第一章 走进实验室教学案(一) 教科版_第3页
3/6
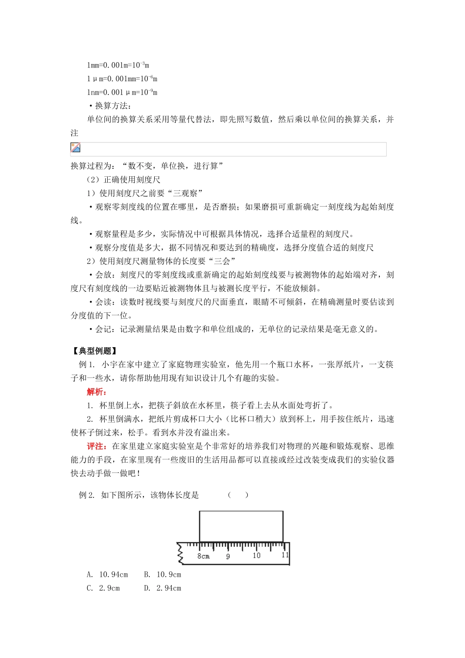
第一章走进实验室知识点分析:(一)走进实验室,学习科学探究1.参观实验室:长度测量基本工具:刻度尺、游标卡尺、千分尺实验室质量测量的基本工具:托盘天平和砝码时间测量的仪器:秒表测量温度的常用仪器:温度计电流的测量仪器:电流表电压的测量仪器:电压表力的测量仪器:弹簧测力计、圆盘测力计直接测液体体积的测量仪器:量筒2.认识科学探究的基本要素:(1)提出问题(2)猜想与假设(3)制定计划和设计实验(4)进行实验和收集证据(5)分析和论证(6)评价(7)交流与合作3.学习建立家庭实验室(二)测量:实验探究的重要环节1.测量的重要性:实验是科学探究的重要形式,测量是科学实验的重要环节。物理量的测量首先要规定它的标准,并以之作为单位,将待测量物理量与它的标准量进行比较。国际单位制是进行科学、科技、贸易交流的保障。(1)长度的单位及其换算·国际单位:长度的国际单位是米(m)·常用单位:比米大的单位有千米(km)、比米小的单位有分米(dm)、厘米(cm)、毫米(mm)、微米(μm)、纳米(nm)·单位之间的换算关系:1km=1000m=103m1dm=0.1m=10-1m1cm=0.01m=10-2m1mm=0.001m=10-3m1μm=0.001mm=10-6m1nm=0.001μm=10-9m·换算方法:单位间的换算关系采用等量代替法,即先照写数值,然后乘以单位间的换算关系,并注换算过程为:“数不变,单位换,进行算”(2)正确使用刻度尺1)使用刻度尺之前要“三观察”·观察零刻度线的位置在哪里,是否磨损;如果磨损可重新确定一刻度线为起始刻度线。·观察量程是多少,实际情况中可根据具体情况,选择合适量程的刻度尺。·观察分度值是多大,据不同情况和要达到的精确度,选择分度值合适的刻度尺2)使用刻度尺测量物体的长度要“三会”·会放:刻度尺的零刻度线或重新确定的起始刻度线要与被测物体的起始端对齐,刻度尺有刻度线的一边要贴近被测物体且与被测长度平行,不能放倾斜。·会读:读数时视线要与刻度尺的尺面垂直,眼睛不可倾斜,在精确测量时要估读到分度值的下一位。·会记:记录测量结果是由数字和单位组成的,无单位的记录结果是毫无意义的。【典型例题】例1.小宇在家中建立了家庭物理实验室,他先用一个瓶口水杯,一张厚纸片,一支筷子和一些水,请你帮助他用现有知识设计几个有趣的实验。解析:1.杯里倒上水,把筷子斜放在水杯里,筷子看上去从水面处弯折了。2.杯里倒满水,把纸片剪成杯口大小(比杯口稍大)放到杯上,用手按住纸片,迅速使杯子倒过来,松手。看到水并没有溢出来。评注:在家里建立家庭实验室是个非常好的培养我们对物理的兴趣和锻炼观察、思维能力的手段,在家里现有一些废旧的生活用品都可以直接或经过改装变成我们的实验仪器快去动手做一做吧!例2.如下图所示,该物体长度是()A.10.94cmB.10.9cmC.2.9cmD.2.94cm解析:选A、B项是误把物体右端示数当做物体长度,选C项是没有估计值。当刻度尺的零刻度线未与被测物体的一端对齐时,被测长度数值上就等于其两端所对刻度值之差。本题中物体左端所对刻度值是8.00cm,右端所对刻度值为10.94cm,所以物体的长度为10.94cm-8.00cm=2.94cm。所以应选D项。答案:正确选项为D启示:(1)用刻度尺测量物体长度时,弄清刻度尺的分度值是非常关键的;(2)用刻度尺测物体长度时,不一定非要让零刻度线与被测物体的一端对齐,只要认清物体两端分别对齐的刻度值,知道被测长度总等于其两端所对应刻度值之差就行。例3.完成下列单位的换算26cm==m解析:要做好单位换算的题目,首先必须把单位换算关系弄清楚,即把大小单位之间的进率关系记清楚,其次抓住单位的“换”和“算”两个字做文章。26cm是26个1cm,,所以26cm是26个m,这就由厘米换算成米了。其正确的解答为:26cm=26m=0.26m说明:本题考查长度单位厘米和米之间的换算关系,也考查基本的记忆能力和运算能力。解题的关键是:(1)记住单位之间的换算关系;(2)26cm理解为26;(3)注意在运算过程中,单位和数字一起进行乘、除运算。单位换算题目的解题规律可简单归纳为:“数不变,单位换,进行算”。例4.在学校运动会中测量跳高成绩时,应选取的合适的测量工具是()A.分度值是1cm的15cm皮...

1、当您付费下载文档后,您只拥有了使用权限,并不意味着购买了版权,文档只能用于自身使用,不得用于其他商业用途(如 [转卖]进行直接盈利或[编辑后售卖]进行间接盈利)。
2、本站所有内容均由合作方或网友上传,本站不对文档的完整性、权威性及其观点立场正确性做任何保证或承诺!文档内容仅供研究参考,付费前请自行鉴别。
3、如文档内容存在违规,或者侵犯商业秘密、侵犯著作权等,请点击“违规举报”。

碎片内容

江西省信丰县西牛中学八年级物理上册 第一章 走进实验室教学案(一) 教科版

您可能关注的文档

;绿洲书城+ 关注
实名认证
内容提供者

从事历史教学,热爱教育,高度负责。

相关文档

确认删除?
VIP
微信客服
  • 扫码咨询
会员Q群
  • 会员专属群点击这里加入QQ群
客服邮箱
回到顶部