电脑桌面
添加小米粒文库到电脑桌面
安装后可以在桌面快捷访问

山东省高青县八年级物理下册 12.1杠杆(第2课时)教学案 新人教版-新人教版初中八年级下册物理教学案VIP免费

山东省高青县八年级物理下册 12.1杠杆(第2课时)教学案 新人教版-新人教版初中八年级下册物理教学案_第1页
1/6
山东省高青县八年级物理下册 12.1杠杆(第2课时)教学案 新人教版-新人教版初中八年级下册物理教学案_第2页
2/6
山东省高青县八年级物理下册 12.1杠杆(第2课时)教学案 新人教版-新人教版初中八年级下册物理教学案_第3页
3/6
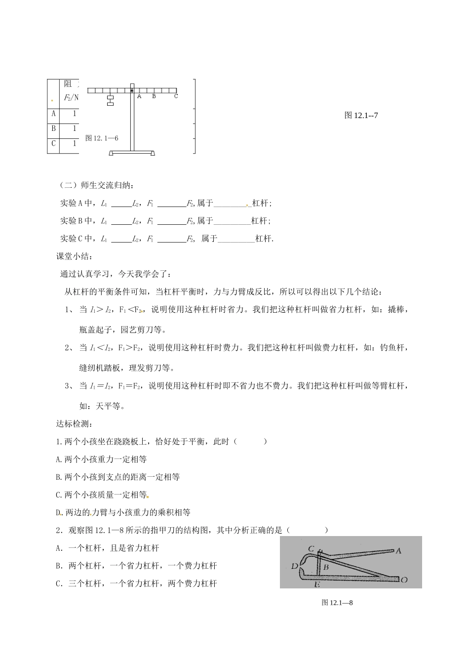
第一节杠杆第二课时编写:修改:______班姓名___________使用日期_____________教学目标:1.知道杠杆在生活中的应用2.知道杠杆的分类,能从常见的工具和简单机械中识别杠杆的种类重点:杠杆的分类难点:从常见的工具和简单机械中识别杠杆的种类,理解省力、费力和等臂杠杆的具体应用教学过程:一、新课导入:上节课我们学习了杠杆的相关知识复习杠杆的平衡条件:动力×动力臂=阻力×阻力臂(F1l1=F2l2)二、学生自学(一)阅读P79“杠杆的应用”,并思考下列问题:1.生活中的杠杆可分为哪三类?2.各类杠杆的特点是什么?(二)自学检测1.生活中的杠杆可分为如下三类:杠杆、杠杆、杠杆。2.省力杠杆是动力臂______阻力臂的杠杆,它的特点是:_________________.3.费力杠杆是动力臂______阻力臂的杠杆,它的特点是:_________________.4.等臂杠杆是动力臂______阻力臂的杠杆,它的特点是:_________________.三、活动及感悟(一)小组实验:如图12.1—6所示,每个钩码重0.5N,当分别在A、B、C三处用弹簧测力计竖直向下拉,使杠杆在水平位置平衡。(二)师生交流归纳:实验A中,L1L2,F1F2,属于_________杠杆;实验B中,L1L2,F1F2,属于_________杠杆;实验C中,L1L2,F1F2,属于_________杠杆.课堂小结:通过认真学习,今天我学会了:从杠杆的平衡条件可知,当杠杆平衡时,力与力臂成反比,所以可以得出以下几个结论:1、当l1>l2,F1<F2,说明使用这种杠杆时省力。我们把这种杠杆叫做省力杠杆,如:撬棒,瓶盖起子,园艺剪刀等。2、当l1<l2,F1>F2,说明使用这种杠杆时费力。我们把这种杠杆叫做费力杠杆,如:钓鱼杆,缝纫机踏板,理发剪刀等。3、当l1=l2,F1=F2,说明使用这种杠杆时即不省力也不费力。我们把这种杠杆叫做等臂杠杆,如:天平等。达标检测:1.两个小孩坐在跷跷板上,恰好处于平衡,此时()A.两个小孩重力一定相等B.两个小孩到支点的距离一定相等C.两个小孩质量一定相等D.两边的力臂与小孩重力的乘积相等2.观察图12.1—8所示的指甲刀的结构图,其中分析正确的是()A.一个杠杆,且是省力杠杆B.两个杠杆,一个省力杠杆,一个费力杠杆C.三个杠杆,一个省力杠杆,两个费力杠杆阻力F2/N阻力臂L2/格动力F1/N动力臂L1/格A13B13C13图12.1—6图12.1--7图12.1—8D.三个杠杆,一个费力杠杆,两个省力杠杆3.如图12.1—9是一种拉杆式旅行箱的示意图,使用时相当于一个_________(填“省力”或“费力”)杠杆,若箱和物品共重100N,设此时动力臂是阻力臂的5倍,则抬起拉杆的力F为_________N。4.图12.1—10甲所示的是现在比较流行的新型拖把,只需要用手在A处向上拉动即可把海绵拧干,非常方便卫生。这里拉杆ABC是(选填“省力”或“费力”)杠杆。从图乙海绵的形状变化可说明。5.(选做题)杆秤是一种很古老但现在仍然在广泛使用的一种测量质量的工具。小林同学用一杆秤称一实心球的质量,如图6.1—11所示。当杆秤在水平位置平衡时,秤砣拉线正好压在4kg的刻度线上。根据秤砣拉线、提纽和称钩所在秤杆的位置之间的距离的粗略关系,可以估测出秤砣的质量大约是()A.10gB.400gC.1000gD.4000g7.如图所示,物体G重60N,挂在匀质杠杆的一端,要使杠杆平衡可以在A点加一个方向为_的_N的力;也可以在B点加一个方向为_的_N的力。课外作业1.用如图4所示的钢丝钳来剪钢丝时,钢丝放在刀口尽量靠近0点的位置,手握在B点的位置.这种钢丝钳是()A.省力杠杆B.费力杠杆C.等臂杠杆D.都不是2.图5中属费力杠杆的是()图12.1—9图12.1—10图12.1—11FAB图12.1—12F图7图8图93.如图6所示,要使杠杆处于平衡状态,在A点分别作用的四个力中,最小的是()A.F1B.F2C.F3D.F44.如图8所示,一名同学在做俯卧撑,如果把人的躯干看作一个杠杆,这是一个________(填“省力”或“费力”)杠杆,该杠杆的支点是________(填图中字母)。5.为使杠杆ON在图9位置能保持静止,需在M点施加一个力F.画出物体A对杆的拉力的力臂和在M点对杆的最小拉力F的示意图;6.开瓶时使用的开瓶器如图11甲,可以简化成不计重力的省力杠杆如图11乙,若F1和F2都与杠杆垂直,且AO=6cm,BO=lcm,F1=25N,则F2...

1、当您付费下载文档后,您只拥有了使用权限,并不意味着购买了版权,文档只能用于自身使用,不得用于其他商业用途(如 [转卖]进行直接盈利或[编辑后售卖]进行间接盈利)。
2、本站所有内容均由合作方或网友上传,本站不对文档的完整性、权威性及其观点立场正确性做任何保证或承诺!文档内容仅供研究参考,付费前请自行鉴别。
3、如文档内容存在违规,或者侵犯商业秘密、侵犯著作权等,请点击“违规举报”。

碎片内容

山东省高青县八年级物理下册 12.1杠杆(第2课时)教学案 新人教版-新人教版初中八年级下册物理教学案

您可能关注的文档

;绿洲书城+ 关注
实名认证
内容提供者

从事历史教学,热爱教育,高度负责。

确认删除?
VIP
微信客服
  • 扫码咨询
会员Q群
  • 会员专属群点击这里加入QQ群
客服邮箱
回到顶部