电脑桌面
添加小米粒文库到电脑桌面
安装后可以在桌面快捷访问

排水UPVC管-技术条款VIP免费

排水UPVC管-技术条款_第1页
1/7
排水UPVC管-技术条款_第2页
2/7
排水UPVC管-技术条款_第3页
3/7
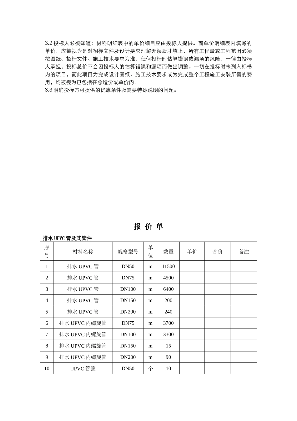
一、排水UPVC管的技术要求和报价要求1.招标范围:排水UPVC管及其管件。2.排水UPVC管及其管件技术要求:本工程污废水排水管及中水回水管和空调冷凝水管采用排水UPVC管,其中污废水排水立管采用内螺旋排水UPVC管。2.1排水UPVC内螺旋立管规格尺寸及公差公称外径dn壁厚e螺旋高E长度l基本尺寸偏差基本尺寸偏差基本尺寸偏差基本尺寸偏差75110160+0.3+0.4+0.52.13.13.8±0.2±0.3±0.62.33.03.8±0.2±0.3±0.44000或6000±102.2横管用排水UPVC管规格尺寸及公差公称外径dn平均外径极限偏差壁厚e长度l基本尺寸允许偏差基本尺寸允许偏差405075110160200+0.3+0.3+0.3+0.4+0.4+0.52.02.02.33.24.04.9+0.4+0.4+0.4+0.6+0.6+0.84000或6000±10注:表中dn200㎜规格尺寸应符合《埋地排污、废水用硬聚氯乙稀(PVC-U)管材》GB/T10002.3中刚度等级为4kPa管材的要求。2.3管材和管件的物理力学性能不得低于下表的规定:管材的物理力学性能管件的物理力学性能2.4螺母挤压密封胶圈接头应符合下列规定:2.4.1螺母挤压密封胶圈接头应采用与管材配套供应的圆形胶圈或带止水翼的圆形截面,其规格可按下表采用。项目技术指标试验方法标准拉伸屈服强度,MPa断裂生长率,%维卡软化温度,℃扁平试验(压至外径管1/2)落锤冲击试验,20℃,TIR%纵向回缩率,%≥40≥80≥79无破裂9/10通过≤9GB/T8804.1GB/T8804.1GB/T8802GB/T14152GB/T6671.1项目技术指标试验方法标准维卡软化温度,℃烘箱试验坠落试验70合格无破裂GB/T8802GB/T8803GB/T8801带止水翼的密封胶圈截面螺母挤压密封胶圈接头规格尺寸(㎜)管材公称外径dnΦ1Φ2Φ3Φ4a507511016072.8102.9126.6177.560.289.1111.5161.55886.11081576.36.97.581.21.41.51.82.4.2密封胶圈应采用耐油橡胶模压制作,其物理力学性能应符合下列规定:硬度(邵尔A)55~62拉伸强度MPa>13拉断伸长率%>300使用温度℃-40~+60脆性温度℃-35老化系数70℃×72h0.82.5管材及管件厂家必须提供合格有效的厂家资质文件,并应有明显标识,标明生产厂家名称、规格及执行标准号,应有检验部门测试报告和出厂合格证。其包装上应标有生产批号、数量、生产日期和检验代号。2.6管材及管件的产品外观质量应符合下列规定:2.6.1管材和管件应颜色一致,无色泽不均匀及分解变色线。2.6.2管材及外壁均应光滑、平整,无气泡、无裂纹、无脱皮和严重的冷斑及明显的痕纹、凹陷等缺陷。2.6.3管材轴向不得有异向弯曲,其直线度偏差应小于1%,管材端口必须平整,并应垂直于轴线。2.6.4管件应完整无损、无变形,浇口及溢边应修理严整,无开裂,内外表面平滑。2.6.5管材在同一截面的壁厚偏差不得超过14%,其外径、壁厚偏差应符合2.1、2.2条的规定。2.7胶粘剂应符合下列要求:2.7.1胶粘剂应标有生产厂名称、生产日期和使用年限,并应有出厂合格证和说明书。2.7.2胶粘剂应呈自由流动状态,不得为凝胶体,应无异味,色度小于1°,混浊度小于5°。在未搅拌情况下不得有分层现象和析出物出现;胶粘剂内不得含有团块、不溶颗粒和其他杂质。2.7.3胶粘剂的剪切强度应不小于5.0MPa(23℃,固化时间72h)。2.7.4寒冷地区使用的胶粘剂,其性能应能适应当地的气候条件。2.8管材及管件均应有出厂合格证和检测报告,进厂附带质量证明文件一式四份,质量证明文件经监理验收合格后再验收材料,材料验收不合格不允许卸车。3.报价要求:3.1投标报价价格包含材料费及运费(运至甲方指定地点的落地价格)的费用。3.2投标人必须知道:材料明细表中的单价细目应由投标人提供。而单价明细表内填写的单价,应被视为是对招标文件及设计要求理解无误后才填上,所有工程量或工程范围必须按图纸、招标文件、施工技术要求为准,任何投标时估算错误或漏项的风险,一律由投标人承担,投标总价不会因投标人的估算错误和漏项而做出调整。一切在投标时未列入标书内的项目,而此项目为完成设计图纸、施工技术要求或为完成整个工程施工安装所需的费用,均被视为已包括在总造价或单价内。3.3明确投标方可提供的优惠条件及需要特殊说明的问题。报价单排水UPVC管及其管件序号材料名称规格型号单位数量单价合价备注1排水UPVC管DN50m115002排水UP...

1、当您付费下载文档后,您只拥有了使用权限,并不意味着购买了版权,文档只能用于自身使用,不得用于其他商业用途(如 [转卖]进行直接盈利或[编辑后售卖]进行间接盈利)。
2、本站所有内容均由合作方或网友上传,本站不对文档的完整性、权威性及其观点立场正确性做任何保证或承诺!文档内容仅供研究参考,付费前请自行鉴别。
3、如文档内容存在违规,或者侵犯商业秘密、侵犯著作权等,请点击“违规举报”。

碎片内容

排水UPVC管-技术条款

书海行舟+ 关注
实名认证
内容提供者

热爱教学事业,对互联网知识分享很感兴趣

确认删除?
VIP
微信客服
  • 扫码咨询
会员Q群
  • 会员专属群点击这里加入QQ群
客服邮箱
回到顶部