电脑桌面
添加小米粒文库到电脑桌面
安装后可以在桌面快捷访问

三角带加工贸易单耗标准-ExporttoChina-VIP免费

三角带加工贸易单耗标准-ExporttoChina-_第1页
1/6
三角带加工贸易单耗标准-ExporttoChina-_第2页
2/6
三角带加工贸易单耗标准-ExporttoChina-_第3页
3/6
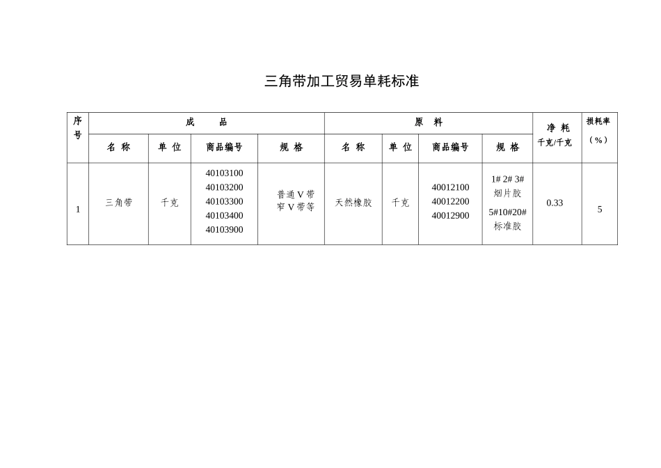
附件4HDB/SH014--2005三角带加工贸易单耗标准(商品编码:40103100、40103200、40103300、40103400、40103900)1范围本标准规定了以固体天然橡胶(商品编码:40012100、40012200、40012900,主要组分为顺式-1,4-聚异戊二烯,如烟片胶、风干胶片、皱胶片、颗粒胶和标准胶等)为主要原料加工生产三角带(商品编码:40103100、40103200、40103300、40103400、40103900)的加工贸易单耗标准。本标准适用于海关和商务主管部门对以天然橡胶为主要原料生产三角带的加工贸易企业进行加工贸易单耗审批、备案和核销管理。2定义本标准采用以下定义:净耗:指加工生产中物化在单位三角带成品中的天然橡胶的质量;单位:千克/千克。工艺损耗:指因加工生产工艺要求,在生产过程中所必需耗用,且不能物化在三角带中的天然橡胶的质量。损耗率(%):指工艺损耗占单位进口保税料件投入量的百分比。3单耗标准3.1原料品质规格应符合国家标准《天然橡胶标准橡胶规格》(GB8081-1999)、《天然生胶烟胶片》(GB8089-87)的标准要求或合同对品质的认定。3.2成品品质规格应符合国家标准《一般用普通V带》(GB/T1171-1996)的标准要求或合同对品质的认定。3.3单耗标准三角带加工贸易单耗标准序号成品原料净耗千克/千克损耗率(%)名称单位商品编号规格名称单位商品编号规格1三角带千克4010310040103200401033004010340040103900普通V带窄V带等天然橡胶千克4001210040012200400129001#2#3#烟片胶5#10#20#标准胶0.335HDB/SH014--2005三角带加工贸易单耗标准编制说明1任务来源为加强加工贸易单耗管理,规范和完善海关和商务主管部门对加工贸易单耗审批、备案、核销,落实国务院关于加强对加工贸易管理的政策措施,打击伪报单耗的不法行为,促进加工贸易的健康发展,根据《海关总署办公厅、国家经贸委办公厅关于印发2002年海关系统加工贸易单耗标准制定任务的通知》(署办发[2002]78号),特制定三角带加工贸易单耗标准。本标准由海关总署办公厅、原国家经贸委办公厅委托杭州海关负责起草制定;由海关总署加工贸易监管司、国家发展改革委经济贸易司组织中国石油和化学工业协会、中国橡胶工业协会、中国橡胶工业协会、中国橡胶工业协会胶管胶带分会、有关三角带行业和企业的专家以及海关加工贸易保税专业技术人员组成的评审委员会进行审定。2制定单耗标准的原则单耗标准的制定原则应符合加工贸易企业的生产实际,贯彻国家税收政策、产业政策和外贸政策,以国家标准、行业标准和该行业加工贸易的平均生产水平为制定基础,促进加工贸易企业的技术进步和公平竞争,便于海关有效监管和相关单耗数据的使用和维护。3单耗标准的执行幅度本单耗标准设定最高上限值。各地商务主管部门和海关应在单耗标准的幅度范围内,按加工贸易企业的生产实际审批和核定加工企业生产成品的单耗。4商品和加工工艺知识4.1原料和成品的商品知识天然橡胶是指以顺式-1,4-聚异戊二烯为主要组分的天然材料。本标准中的天然橡胶特指固体天然橡胶。天然橡胶在室温下为无定型的高弹物质,在较低温度下或压力条件下可以产生结晶。其商品名称有烟片胶、风干胶片、绉片胶、颗粒胶和标准胶等。三角带制造主要使用标准橡胶和烟片胶。三角带是由天然橡胶与合成橡胶等高分子材料及纱、线等纺织纤维制成的复合橡胶制品。三角带是一种机械动力传动装置,广泛应用于汽车、农业机械和家电等机电产品。普通三角带为聚酯线绳结构V带,横截面为梯形,高与节宽之比为0.7,,持楔角为40°,由包布、顶胶、抗拉体、底胶等部件构成,如下图包布↗线绳缓冲层缓冲层底胶层标记三角带标记示例A1400GB/T1171A---------------------型号(A)---表示断面形状1400---------------------基准长度(1400毫米)GB/T1171--------------国家标准号4.2加工工艺知识及工艺流程天然橡胶经塑炼并加入化学原料混炼后,根据用途,部分压片打浆后浸帆布,裁布卷取;部分压片打浆后浆线,部分混炼后直接压出底胶和缓冲胶。将底胶上在浆好的线上,后用卷好的布进行包布工序,包布后带的带坯停放一段时间进行硫化。卷布生胶包布硫化成品检验配组入库工艺流程图帆布浸布裁布塑炼生胶纤纱浆线...

1、当您付费下载文档后,您只拥有了使用权限,并不意味着购买了版权,文档只能用于自身使用,不得用于其他商业用途(如 [转卖]进行直接盈利或[编辑后售卖]进行间接盈利)。
2、本站所有内容均由合作方或网友上传,本站不对文档的完整性、权威性及其观点立场正确性做任何保证或承诺!文档内容仅供研究参考,付费前请自行鉴别。
3、如文档内容存在违规,或者侵犯商业秘密、侵犯著作权等,请点击“违规举报”。

碎片内容

三角带加工贸易单耗标准-ExporttoChina-

您可能关注的文档

确认删除?
VIP
微信客服
  • 扫码咨询
会员Q群
  • 会员专属群点击这里加入QQ群
客服邮箱
回到顶部